×
Buy Suzuki GSXR Parts Online
home
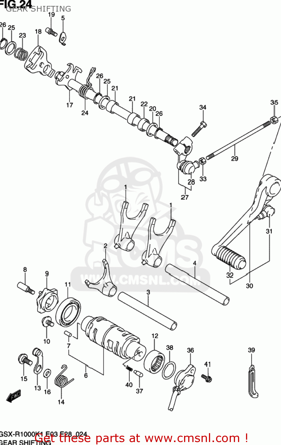
GEAR SHIFTING
GSXR1000 2002 (K2) USA (E03)
Gear shifting diagram GSXR1000 2002 (K2) USA (E03)
GEAR SHIFTING GSXR1000 2002 (K2) USA (E03)
×
prices are in EUR
ref
part #
description
quantity
1
2521135F00
ref: 1
FORK,GEAR SHIFT NO.1
€ 104.50
2
2523135F00
ref: 2
FORK,GEAR SHIFT NO.3
€ 108.50
3
2541126D01
ref: 3
SHAFT,GEAR SHIFT FORK
€ 17.50
4
2541124F00
ref: 4
SHAFT,SHIFT FORK NO.2(L:132)
€ 20.50
5
2545135F00
ref: 5
RETAINER,GEAR SHIFT FORK SHAFT
€ 3.50
6
2531040F00
ref: 6
CAM,GEAR SHIFT
€ 160.50
7
0422104089
ref: 7
PIN
€ 1.50
8
2531235F00
ref: 8
25312-42F01
BOLT,GEAR SHIFT CAM PL
€ 6.00
9
2538113E10
ref: 9
PLATE,GEAR SHIFT CAM
€ 40.00
10
0913606147
ref: 10
SCREW(6X12)
€ 2.50
11
0926225006
ref: 11
BEARING(25X47X8)
€ 27.50
12
0926325018
ref: 12
BEARING(25X32X12)
€ 19.00
13
2535035F00
ref: 13
STOPPER,SHIFT CAM
€ 20.00
14
2535535F01
ref: 14
SPRING,SHIFT
€ 3.00
15
0911106041
ref: 15
BOLT(6X14.3)
€ 3.50
16
0821106141
ref: 16
WASHER
€ 2.50
17
2551035F01
ref: 17
SHAFT,GEAR SHIFT
€ 91.00
18
2551213E11
ref: 18
PLATE,GEAR SHIFT CAM DRIVE
€ 20.00
19
2567135F00
ref: 19
STOPPER,GEAR SHIFT ARM
€ 2.50
20
0916014016
ref: 20
WASHER(14X29X0.8)
€ 2.00
21
0926314027
ref: 21
BEARING(14X20X12)
€ 12.00
22
0928314006
ref: 22
SEAL,OIL(14X22X6)
€ 6.50
23
0944017009
ref: 23
SPRING
€ 2.00
24
0944420001
ref: 24
SPRING
€ 6.00
25
0918114167
ref: 25
SHIM(14X22X1)
€ 4.00
26
0833131146
ref: 26
08331-3114A
CIRCLIP
€ 2.00
27
2552024F00
ref: 27
ARM,GEAR SHIFT LINK
€ 84.00
28
2552647000
ref: 28
COVER,DUST
€ 4.00
29
2552505A10
ref: 29
ROD,GEAR SHIFT LINK
€ 13.00
30
2560033E00
ref: 30
LEVER ASSY,GEAR SHIFT
€ 106.00
31
2552647000
ref: 31
COVER,DUST
€ 4.00
32
2565220C00
ref: 32
RUBBER,GEAR SHIFT PEDAL
€ 8.50
33
0914006011
ref: 33
NUT
€ 2.00
34
0150006253
ref: 34
01500-0625A
BOLT
€ 3.00
35
0831000067
ref: 35
NUT
€ 2.50
36
3773035F10
ref: 36
BASE ASSY,GEAR SHIFT TERMINAL
€ 133.50
37
0920905011
ref: 37
PIN(5X15.5)
€ 2.00
38
0928026007
ref: 38
O RING(D:2.4,ID:25.7)
€ 7.00
39
0940406432
ref: 39
CLAMP(L:65)
€ 3.00
40
0944004010
ref: 40
SPRING
€ 2.00
41
0712005163
ref: 41
07120-0516B
BOLT
€ 2.00
up
all assemblies
2ND AIR
AIR CLEANER
BATTERY
CAM CHAIN
CAM SHAFT - VALVE
CLUTCH
COWLING BODY (MODEL K1)
COWLING BODY (MODEL K2)
CRANK BALANCER
CRANKCASE
CRANKCASE COVER
CRANKSHAFT
CYLINDER HEAD
CYLINDER HEAD COVER
ELECTRICAL
EVAPO SYSTEM (E33)
FOOTREST
FRAME
FRAME COVER (MODEL K1)
FRAME COVER (MODEL K2)
FRONT BRAKE HOSE
FRONT CALIPERS
FRONT DAMPER
FRONT FENDER (MODEL K1)
FRONT FENDER (MODEL K2)
FRONT MASTER CYLINDER
FRONT WHEEL
FUEL PUMP (MODEL K1)
FUEL PUMP (MODEL K2)
FUEL TANK (MODEL K1)
FUEL TANK (MODEL K2)
GASKET SET
GEAR SHIFTING
GENERATOR
HANDLE LEVER
HANDLE SWITCH
HANDLEBAR (MODEL K1)
HANDLEBAR (MODEL K2)
HEADLAMP
INSTALLATION PARTS
INSTALLATION PARTS (2)
LABEL
MUFFLER
OIL COOLER
OIL PAN - OIL PUMP
RADIATOR
RADIATOR HOSE
REAR CALIPER
REAR CUSHION LEVER
REAR FENDER
REAR MASTER CYLINDER
REAR SWINGING ARM
REAR WHEEL
SEAT
SEAT TAIL BOX (MODEL K1)
SEAT TAIL BOX (MODEL K2)
SIGNAL GENERATOR
SPEEDOMETER
STAND
STARTER CLUTCH
STARTING MOTOR
STEERING STEM
TAIL LAMP
THROTTLE BODY (MODEL K1)
THROTTLE BODY (MODEL K2)
THROTTLE BODY HOSE/JOINT (MODEL K1)
THROTTLE BODY HOSE/JOINT (MODEL K2)
TRANSMISSION
TURN SIGNAL LAMP (MODEL K1)
TURN SIGNAL LAMP (MODEL K2)
UNDER COWLING (MODEL K1)
UNDER COWLING (MODEL K2)
WATER PUMP
WIRING HARNESS
up