×
Buy Suzuki RG Parts Online
home
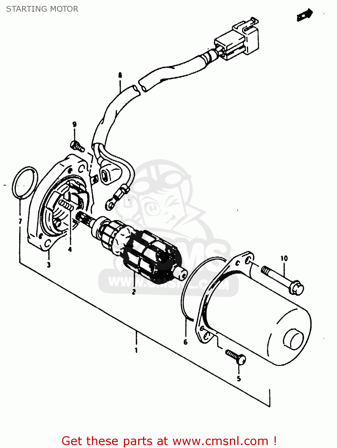
STARTING MOTOR
RG125FU 1993 (P) (E02 E04)
Starting motor diagram RG125FU 1993 (P) (E02 E04)
STARTING MOTOR RG125FU 1993 (P) (E02 E04)
×
prices are in EUR
ref
part #
description
quantity
1
3110319D00
ref: 1
MOTOR,STARTING
€ 342.50
2
3131119D00
ref: 2
ARMATURE
€ 0.00
3
3113019D00
ref: 3
HOLDER ASSY,BRUSH
€ 73.00
4
3113519D00
ref: 4
SPRING
€ 4.00
5
0211235166
ref: 5
SCREW
€ 3.00
6
3115719D00
ref: 6
O RING
€ 7.50
7
3115619D00
ref: 7
O RING
€ 7.00
8
3114219D00
ref: 8
LEAD WIRE, STARTING MOTOR
€ 0.00
9
3115203A00
ref: 9
SCREW
€ 1.50
10-1
0154706307
ref: 10-1
MODEL N/P
BOLT
€ 3.00
10-2
0154706303
ref: 10-2
MODEL R
BOLT,G/S SWITC
€ 3.50
up
all assemblies
* COLOR CHART *
* CATALOG PREFACE *
* CATALOG PREFACE *
* CONVERSION CHART *
CYLINDER
EXHAUST VALVE (MODEL R)
CRANKCASE
CRANKCASE COVER
CRANK SHAFT
STARTER CLUTCH
CRANK BALANCER
CARBURETOR
AIR CLEANER
MUFFLER
OIL PUMP
WATER PUMP
RADIATOR
CLUTCH
TRANSMISSION
GEAR SHIFTING
STARTING MOTOR
MAGNETO
BATTERY
ELECTRICAL
SPEEDOMETER
HEADLAMP
TURN SIGNAL LAMP (E2, E4, E15, E17, E18, E34)
REAR COMBINATION LAMP
WIRING HARNESS
FRAME
STAND - REAR BRAKE
FOOTREST
FUEL TANK
FUEL COCK
OIL TANK
SEAT (MODEL R)
FRAME COVER (MODEL R)
FRONT DAMPER (MODEL R)
STEERING STEM
FRONT FENDER
FRONT WHEEL
HANDLEBAR
HANDLE SWITCH
FRONT CALIPER
FRONT MASTER CYLINDER
REAR SWINGING ARM
REAR CUSHION LEVER
REAR FENDER
REAR WHEEL
REAR CALIPER
REAR MASTER CYLINDER
COWLING BODY (MODEL N A0Y)
CWLING BOOY (MODEL N 019)
COWLING BOOY (MODEL P ILE)
COWLING BODY (MODEL P 019)
COWLING BODY (MODEL R)
COWLING FITTING SET
OPTIONAL
up