×
Buy Suzuki TL Parts Online
home
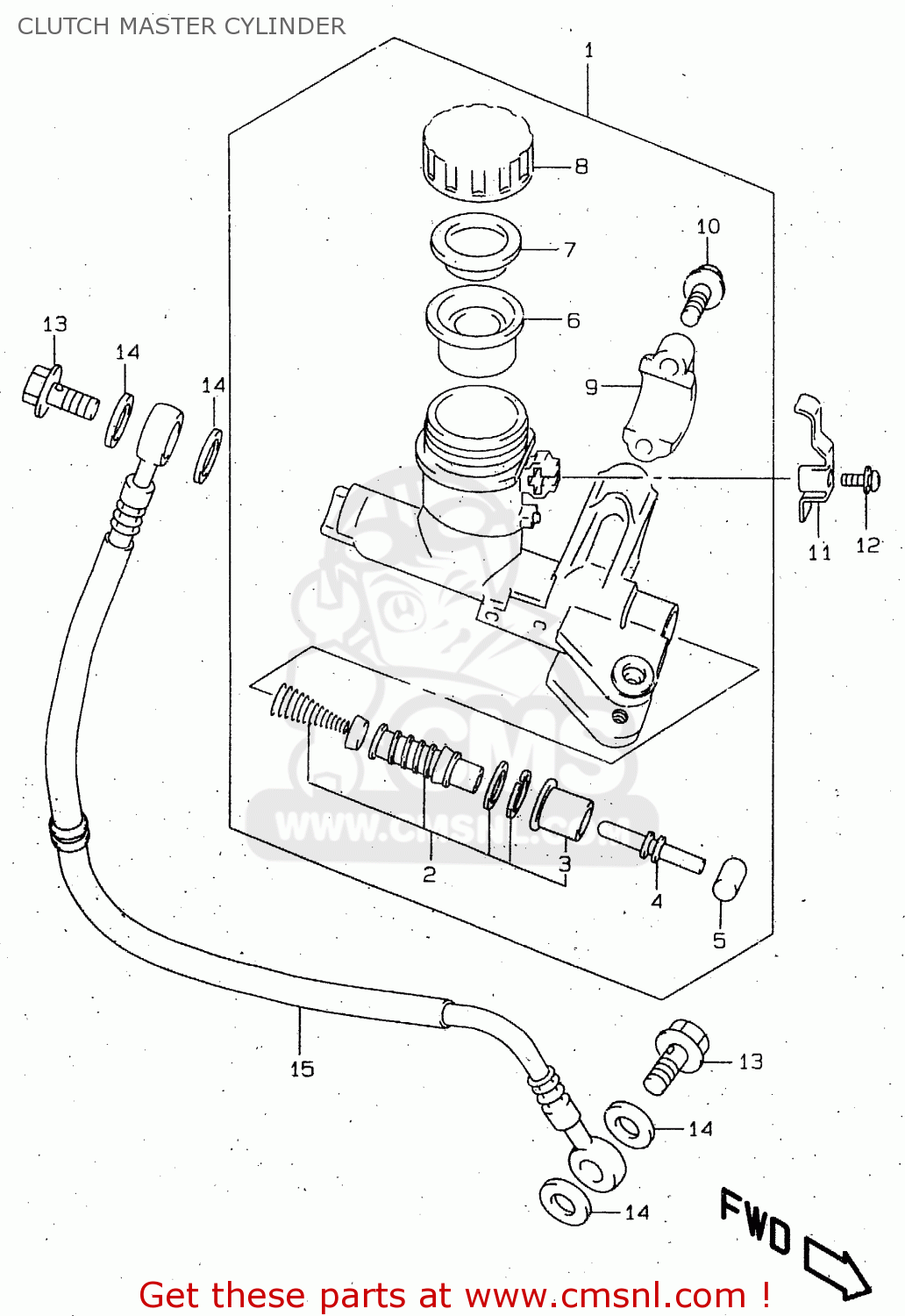
CLUTCH MASTER CYLINDER
TL1000R 1999 (X)
Clutch master cylinder diagram TL1000R 1999 (X)
CLUTCH MASTER CYLINDER TL1000R 1999 (X)
×
prices are in EUR
ref
part #
description
quantity
1
5980002FA0
ref: 1
CYLINDER ASSEMBLY,CLUTCH MASTER
€ 341.00
2
5980008810
ref: 2
PISTON & CUP SET
€ 40.50
3
5966644300
ref: 3
BOOT
€ 7.00
4
5987138A00
ref: 4
PUSH ROD
€ 7.50
5
5989208A00
ref: 5
BUSH
€ 6.00
6
6966700B20
ref: 6
DIAPHRAGM
€ 10.50
7
6966800B20
ref: 7
PLATE
€ 4.50
8
6966903D10
ref: 8
CAP
€ 11.00
9
5967136500
ref: 9
HOLDER
€ 11.00
10
5967502FA0
ref: 10
BOLT(6X22)
€ 4.00
11
5974317C00
ref: 11
PLATE,RESERVOIR TANK CAP
€ 9.00
12
0214204103
ref: 12
SCREW
€ 1.50
13
0936010042
ref: 13
BOLT UNION
€ 5.50
14
0916110009
ref: 14
WASHER(10X15X1.5)
€ 2.00
15
5991002FA0
ref: 15
HOSE,CLUTCH
€ 95.00
up
all assemblies
* COLOR CHART *
* CATALOG PREFACE *
* CONVERSION CHART *
FRONT CYLINDER HEAD
THROTTLE BODY
THROTTLE BODY FITTING PARTS
AIR CLEANER
MUFFLER
OIL PUMP / FUEL PUMP
OIL COOLER
WATER PUMP
RADIATOR
RADIATOR HOSE
2ND AIR (E18,E22)
REAR CYLINDER HEAD
CLUTCH
TRANSMISSION
GEAR SHIFTING
STARTING MOTOR
MAGNETO
ELECTRICAL
BATTERY
SPEEDOMETER
HEADLAMP
HEADLAMP (E24)
HEADLAMP (E4,E18,E22,E25,E34)
TURNSIGNAL LAMP
CYLINDER
TAIL LAMP
WIRING HARNESS
HANDLE SWITCH
FRAME
STAND
FOOTREST
FUEL TANK
FRAME COVER
FRONT FENDER
HANDLEBAR
CRANKCASE
HANDLE LEVER
REAR FENDER
COWLING BODY
COWLING BODY INSTALLATION PARTS
UNDER COWLING
UNDER COWL INSTALLATION PARTS
LABEL
SEAT
FRONT DAMPER
STEERING STEM
CRANKCASE COVER
STEERING DAMPER
FRONT WHEEL
FRONT CALIPERS
FRONT BRAKE HOSE
FRONT MASTER CYLINDER
CLUTCH MASTER CYLINDER
REAR SWINGING ARM
REAR DAMPER
REAR CUSHION LEVER
REAR WHEEL
CRANKSHAFT
REAR CALIPER
REAR MASTER CYLINDER
OPTIONAL
STARTER CLUTCH
CAM SHAFT / VALVE
CAM CHAIN
up