×
Buy Suzuki TL Parts Online
home
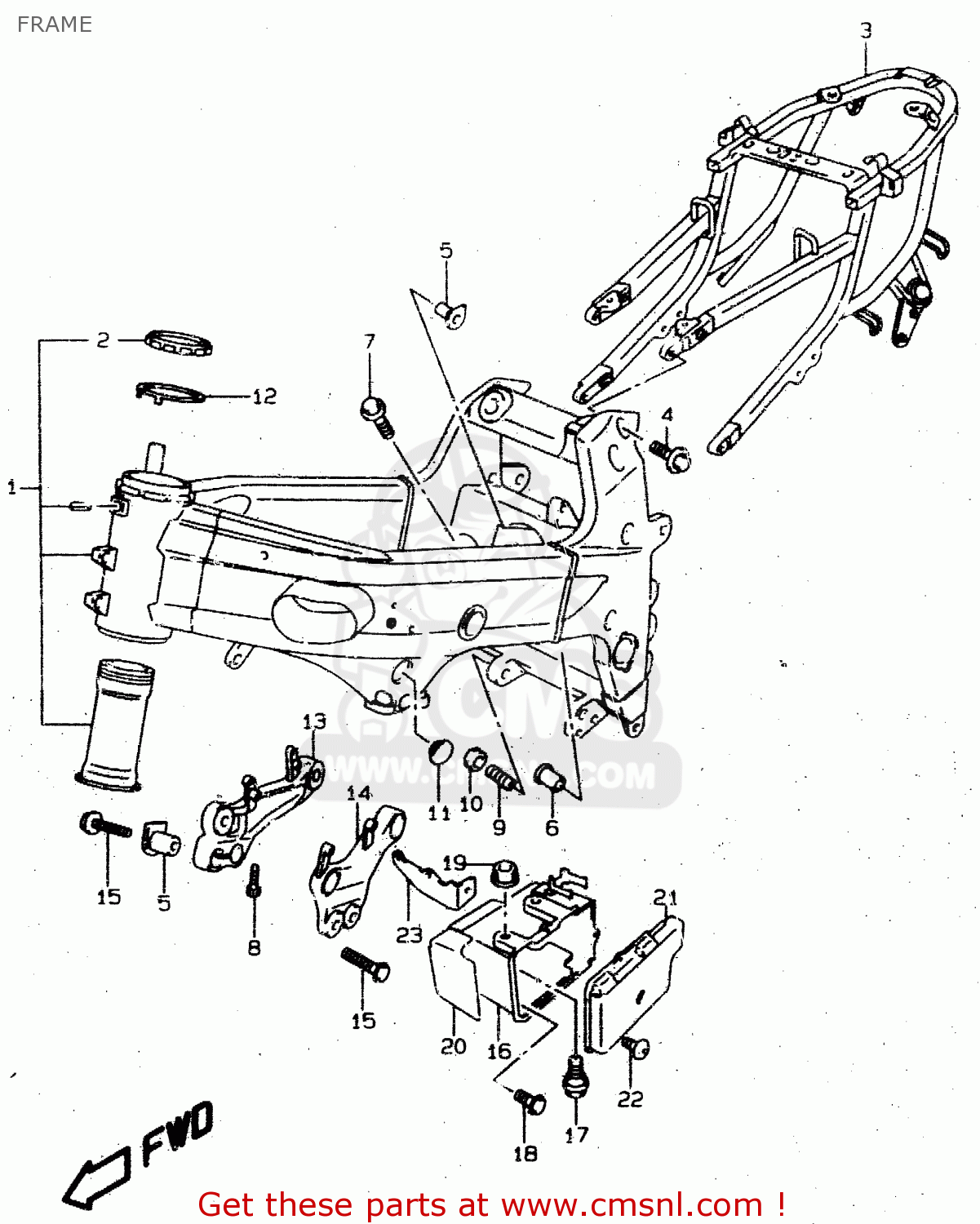
FRAME
TL1000R 1999 (X)
Frame diagram TL1000R 1999 (X)
FRAME TL1000R 1999 (X)
×
prices are in EUR
ref
part #
description
quantity
1
4110102820
ref: 1
FRAME SET
€ 1,822.00
2
4262102FA0
ref: 2
NUT,STEERING STEM PIPE
€ 41.50
3
4120002FA0
ref: 3
RAIL,SEAT
€ 1,072.50
4
0910310296
ref: 4
BOLT(10X30)
€ 7.00
5
4191502FA0
ref: 5
SPACER,ENG MTG FR,R
€ 20.00
6
4193502FA0
ref: 6
SPACER,ENG MTG RR UP,R
€ 15.00
7
0155008253
ref: 7
BOLT
€ 2.50
8
0713008253
ref: 8
BOLT
€ 4.00
9
4192133E11
ref: 9
BOLT,CRANKCASE ADJUST
€ 50.50
10
4192233E10
ref: 10
NUT,CRANKCASE ADJUST
€ 14.50
11
0925006001
ref: 11
CAP
€ 2.00
12
4262202FA0
ref: 12
PLATE,STEERING STEM NUT LOCK
€ 8.50
13
4191102FA1
ref: 13
BRACKET,ENGINE MOUNTING FR,R
€ 184.00
14
4192102FA1
ref: 14
BRACKET,ENGINE MOUNTING FR,L
€ 184.00
15
0155010403
ref: 15
BOLT
€ 4.00
16
4154002FA0
ref: 16
HOLDER,BATTERY
€ 234.00
17
0911108059
ref: 17
BOLT
€ 2.50
18
0911106066
ref: 18
BOLT(6X16)
€ 3.00
19
0831000053
ref: 19
NUT
€ 2.50
20
4154802FA0
ref: 20
SHIELD,BATTERY HOLDER HEAT
€ 33.50
21
4156102FA0
ref: 21
CAP,BATTERY HOLDER
€ 34.00
22
0214205123
ref: 22
SCREW 5X12
€ 1.50
23
4157002FA0
ref: 23
PLATE,BATTERY HOLDER LWR
€ 8.00
up
all assemblies
* COLOR CHART *
* CATALOG PREFACE *
* CONVERSION CHART *
FRONT CYLINDER HEAD
THROTTLE BODY
THROTTLE BODY FITTING PARTS
AIR CLEANER
MUFFLER
OIL PUMP / FUEL PUMP
OIL COOLER
WATER PUMP
RADIATOR
RADIATOR HOSE
2ND AIR (E18,E22)
REAR CYLINDER HEAD
CLUTCH
TRANSMISSION
GEAR SHIFTING
STARTING MOTOR
MAGNETO
ELECTRICAL
BATTERY
SPEEDOMETER
HEADLAMP
HEADLAMP (E24)
HEADLAMP (E4,E18,E22,E25,E34)
TURNSIGNAL LAMP
CYLINDER
TAIL LAMP
WIRING HARNESS
HANDLE SWITCH
FRAME
STAND
FOOTREST
FUEL TANK
FRAME COVER
FRONT FENDER
HANDLEBAR
CRANKCASE
HANDLE LEVER
REAR FENDER
COWLING BODY
COWLING BODY INSTALLATION PARTS
UNDER COWLING
UNDER COWL INSTALLATION PARTS
LABEL
SEAT
FRONT DAMPER
STEERING STEM
CRANKCASE COVER
STEERING DAMPER
FRONT WHEEL
FRONT CALIPERS
FRONT BRAKE HOSE
FRONT MASTER CYLINDER
CLUTCH MASTER CYLINDER
REAR SWINGING ARM
REAR DAMPER
REAR CUSHION LEVER
REAR WHEEL
CRANKSHAFT
REAR CALIPER
REAR MASTER CYLINDER
OPTIONAL
STARTER CLUTCH
CAM SHAFT / VALVE
CAM CHAIN
up