×
Buy Suzuki TL Parts Online
home
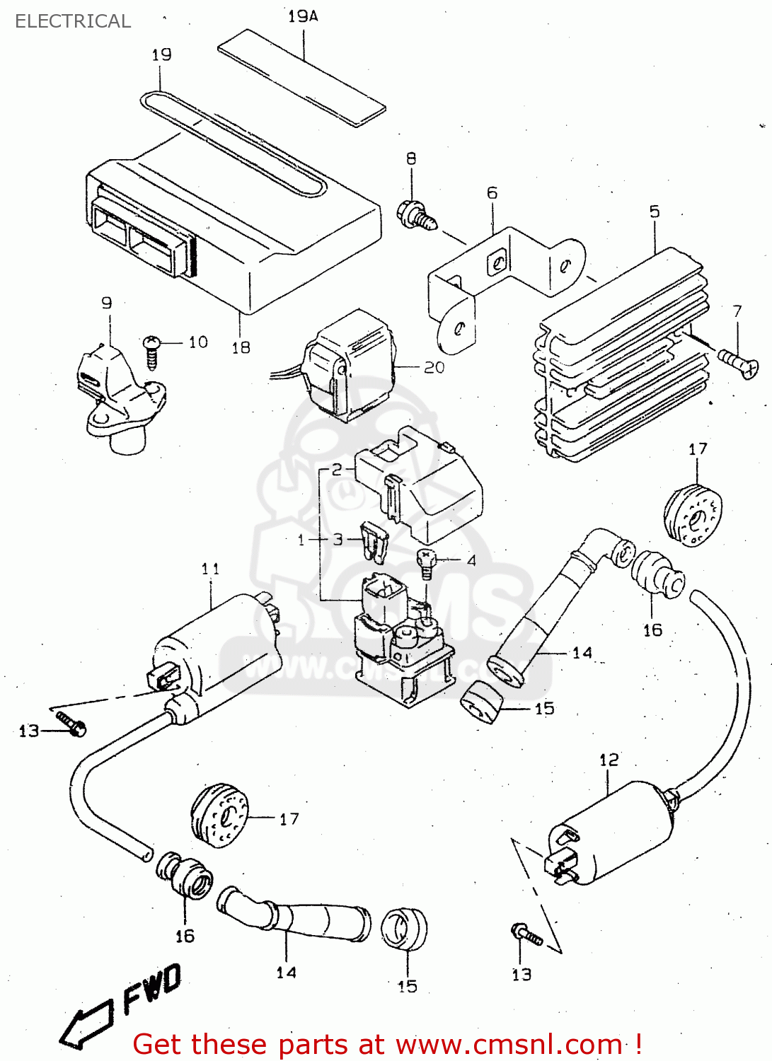
ELECTRICAL
TL1000R 2000 (Y)
Electrical diagram TL1000R 2000 (Y)
ELECTRICAL TL1000R 2000 (Y)
×
prices are in EUR
ref
part #
description
quantity
1
3180021E20
ref: 1
RELAY ASSY,STARTING MOTOR
€ 69.00
2
3186121E20
ref: 2
COVER,RELAY ASSEMBLY
€ 11.50
3
0948130101
ref: 3
FUSE(30A)
€ 6.00
4
0912806013
ref: 4
SCREW(6X8)
€ 1.50
5
3280002F00
ref: 5
RECTIFIER ASSY
€ 390.00
6
3283102F10
ref: 6
BRACKET,RECT FTG
€ 7.00
7
0913606093
ref: 7
SCREW (6X20)
€ 2.00
8
0911106066
ref: 8
BOLT(6X16)
€ 3.00
9
3216002F10
ref: 9
SENSOR ASSY,CAM POSITION
€ 127.50
10
0211206163
ref: 10
SCREW 6X16
€ 2.00
11
3341002F00
ref: 11
COIL ASSY,IGNITION
€ 122.00
12
3342038A11
ref: 12
COIL ASSY,IGNITION
€ 158.50
13
0216205203
ref: 13
SCREW, PRESSURE SENSOR
€ 2.00
14
3351048B10
ref: 14
CAP,SPARK PLUG
€ 29.50
15
3354123E01
ref: 15
SEAL,SPARK PLUG CAP
€ 7.50
16
3354238B00
ref: 16
SEAL,HIGH TENSION CORD
€ 5.00
17
3354302F00
ref: 17
COVER,SPARK PLUG CAP
€ 24.50
18
3292002FA0
ref: 18
CONTROL UNIT,FI
€ 1,198.50
18
3292002FB0
ref: 18
E4
CONTROL UNIT,FI
€ 1,055.50
18
3292002F00
ref: 18
E22
CONTROL UNIT,E
€ 1,042.50
18
3292002FE0
ref: 18
E18
CONTROL UNIT, FI
€ 1,295.50
19
3365112910
ref: 19
BAND,BATTERY
€ 7.00
19A
3365207D00
ref: 19A
CUT AS REQUIRED PROF
PROTECTOR(80X80X2)
€ 5.00
20
3396002F00
ref: 20
SENSOR ASSY,FUEL CUT
€ 90.50
up
all assemblies
* COLOR CHART *
* CATALOG PREFACE *
* CONVERSION CHART *
FRONT CYLINDER HEAD
THROTTLE BODY
THROTTLE BODY FITTING PARTS
AIR CLEANER
MUFFLER
OIL PUMP / FUEL PUMP
OIL COOLER
WATER PUMP
RADIATOR
RADIATOR HOSE
2ND AIR (E18,E22)
REAR CYLINDER HEAD
CLUTCH
TRANSMISSION
GEAR SHIFTING
STARTING MOTOR
MAGNETO
ELECTRICAL
BATTERY
SPEEDOMETER
HEADLAMP
HEADLAMP (E24)
HEADLAMP (E4,E18,E22,E25,E34)
TURNSIGNAL LAMP
CYLINDER
TAIL LAMP
WIRING HARNESS
HANDLE SWITCH
FRAME
STAND
FOOTREST
FUEL TANK
FRAME COVER
FRONT FENDER
HANDLEBAR
CRANKCASE
HANDLE LEVER
REAR FENDER
COWLING BODY
COWLING BODY INSTALLATION PARTS
UNDER COWLING
UNDER COWL INSTALLATION PARTS
LABEL
SEAT
FRONT DAMPER
STEERING STEM
CRANKCASE COVER
STEERING DAMPER
FRONT WHEEL
FRONT CALIPERS
FRONT BRAKE HOSE
FRONT MASTER CYLINDER
CLUTCH MASTER CYLINDER
REAR SWINGING ARM
REAR DAMPER
REAR CUSHION LEVER
REAR WHEEL
CRANKSHAFT
REAR CALIPER
REAR MASTER CYLINDER
OPTIONAL
STARTER CLUTCH
CAM SHAFT / VALVE
CAM CHAIN
up