Buy Suzuki DR Parts Online

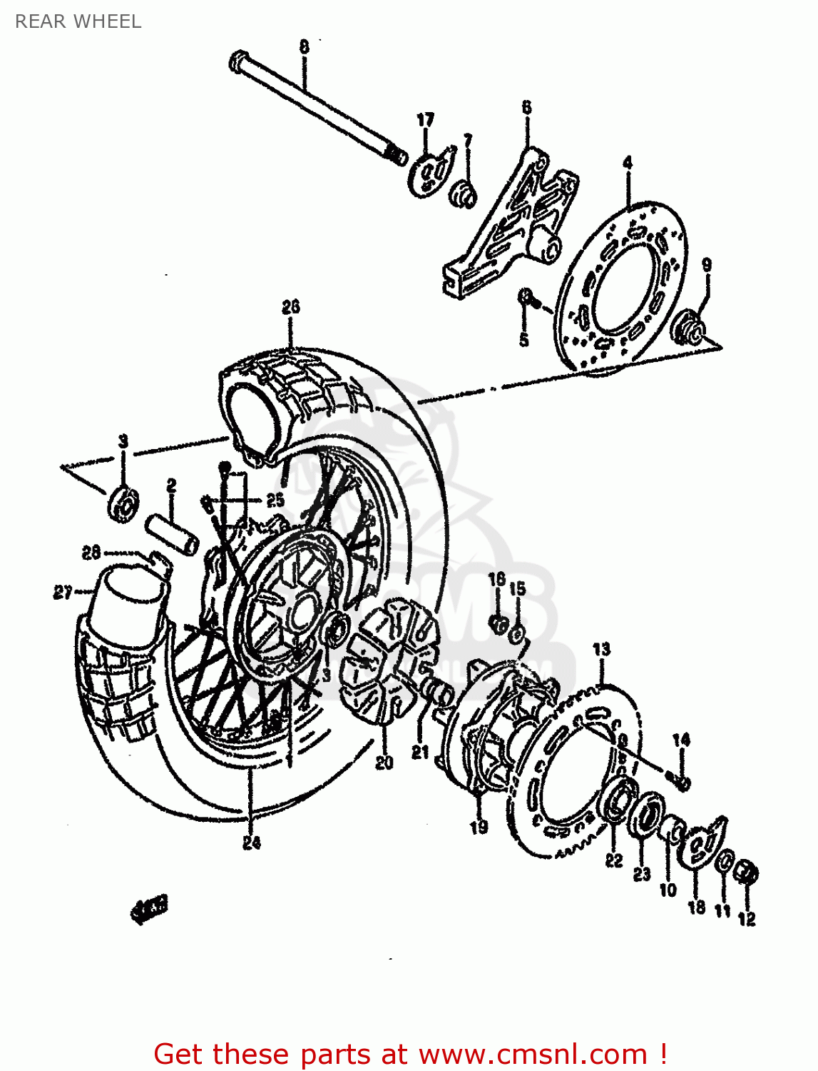
REAR WHEEL

DR650RSE 1992 (N) (E2 E4 E15 E16 E17 E18 E21 E22 E24 E25 E34 E53

Rear wheel diagram DR650RSE 1992 (N) (E2 E4 E15 E16 E17 E18 E21 E22 E24 E25 E34 E53

REAR WHEEL DR650RSE 1992 (N) (E2 E4 E15 E16 E17 E18 E21 E22 E24 E25 E34 E53
REAR WHEEL DR650RSE 1992 (N) (E2 E4 E15 E16 E17 E18 E21 E22 E24 E25 E34 E53
REAR WHEEL DR650RSE 1992 (N) (E2 E4 E15 E16 E17 E18 E21 E22 E24 E25 E34 E53
prices are in EUR
ref
part #
description
quantity
1-1
6411044B10
ref: 1-1

MODEL M/N/P/R/S
HUB COMP,REAR WHEEL
6411044B10
€ 358.00

1-2
6411131D00
ref: 1-2

MODEL T
HUB,REAR
€ 358.00

2
0918017071
ref: 2
SPACER(17.5X25X78)
0918017071
€ 21.50

3
0812463037
ref: 3
BEARING
0812463037
€ 20.00

4
6921144B00
ref: 4
DISC,RR BRAKE
6921144B00
€ 370.00

5-1
5942103A01
ref: 5-1

MODEL M/N
BOLT,BRAKE DISC
5942103A01
€ 4.50

5-2
5942103A10
ref: 5-2

MODEL P/R/S/T
BOLT,BRAKE DISC
5942103A10
€ 4.50

6
6972144B00
ref: 6
BRACKET,RR CALIPER
6972144B00
€ 103.00

7
0918017096
ref: 7
SPACER (17X21X10)
0918017096
€ 14.00

8-1
6471144B10
ref: 8-1

MODEL M/N/P-64711-44
AXLE,RR
6471144B10
€ 55.00

8-2
6471144B01
ref: 8-2

MODEL R/S/T
AXLE,REAR
6471144B01
€ 55.00

9
6475038211
ref: 9
SPACER,RR AXLE,L
6475038211
€ 16.00

10
0918017090
ref: 10
SPACER(17X33X22.4)
0918017090
€ 14.50

11
0916017013
ref: 11
WASHER (17X30X3.2)
0916017013
€ 2.00

12
0915916002
ref: 12
NUT
0915916002
€ 6.00

13
6451114A01
ref: 13
SPROCKET,RR(NT:42)
6451114A01
€ 100.00

14
0912008010
ref: 14
BOLT(8X30.5)
0912008010
€ 2.50

15-1
0832211088
ref: 15-1

MODEL M/N/P
WASHER
0832211088
€ 2.50

15-2
0832201083
ref: 15-2

MODEL R/S/T
WASHER
0832201083
€ 2.00

16
0831931087
ref: 16
NUT
0831931087
€ 3.00

17-1
6141112D00
ref: 17-1

MODEL M/N-61411-31D0
ADJUSTER,CHAIN
6141112D00
€ 15.00

17-2
6141131D00
ref: 17-2

MODEL P/R/S/T
ADJUSTER,CHAIN,R
6141131D00
€ 15.00

18-1
6142112D00
ref: 18-1

MODEL M/N-61421-31D0
PLATE,CHAIN ADJUSTER
€ 13.50

18-2
6142131D00
ref: 18-2

MODEL P/R/S/T
ADJUSTER,CHAIN,L
6142131D00
€ 13.50

19
6461144B10
ref: 19
DRUM,REAR SPROCKET
€ 127.50

20
6465144B01
ref: 20
ABSORBER,RR HUB SHOCK
6465144B01
€ 11.50

21
6473331300
ref: 21
RETAINER,RR SPROCKET DRUM
6473331300
€ 17.50

22
0926225073
ref: 22
BEARING(25X62X17)
0926225073
€ 21.50

23
0928533001
ref: 23
SEAL,OIL(33X62X7)
0928533001
€ 26.00

24
6531144B10
ref: 24
RIM,REAR WHEEL (17XMT2)
€ 377.50

25
6532044B10
ref: 25
SPOKE SET,RR
6532044B10
€ 79.00

26-1
6511012D00
ref: 26-1
TIRE,REAR (120/90-17 64S) (DUNLOP)
€ 220.50

26-2
6510012E00
ref: 26-2

MODEL S
TIRE,REAR 120/90-17 64
€ 0.00

27
6520049030
ref: 27
TUBE ASSY,WHEEL INNER
6520049030
€ 43.50

28
6526144B10
ref: 28
PROTECTOR,WHL INR TUBE
6526144B10
€ 4.50