×
Buy Suzuki GN Parts Online
home
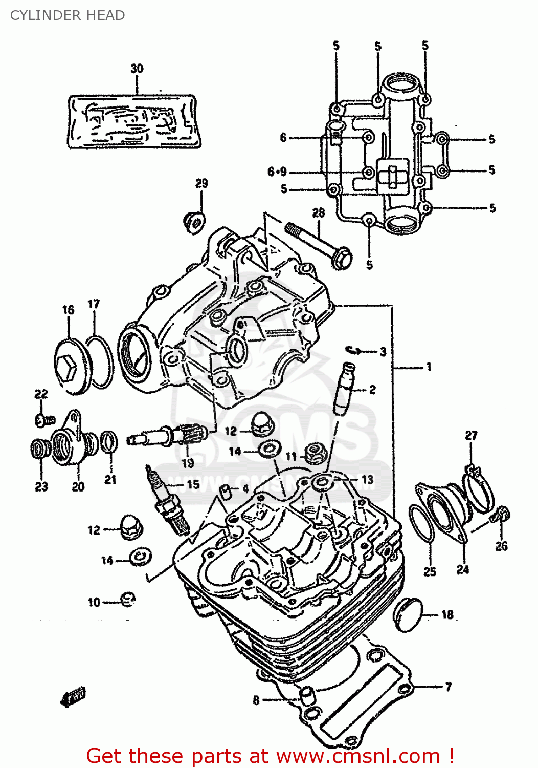
CYLINDER HEAD
GN125 1991 (M) (E01 E02 E04 E21 E34)
Cylinder head diagram GN125 1991 (M) (E01 E02 E04 E21 E34)
CYLINDER HEAD GN125 1991 (M) (E01 E02 E04 E21 E34)
×
prices are in EUR
ref
part #
description
quantity
1-1
1110005200
ref: 1-1
E.NO.100050~100583 E
HEAD ASSEMBLY,CYLINDER
€ 532.50
1-2
1110005201
ref: 1-2
~E.NO.100049 E.NO.10
HEAD ASSEMBLY,CYLINDER
€ 532.50
1-3
1110005261
ref: 1-3
E.NO.107567~109585-1
HEAD ASSEMBLY,CYLINDER
€ 761.00
1-4
1110005263
ref: 1-4
E.NO.109586~MODEL K/
HEAD ASSY,CYLINDER
€ 761.00
2
1111505270
ref: 2
GUIDE,VALVE
€ 20.00
3
0938110004
ref: 3
RING,SNAP
€ 1.50
4
0920608001
ref: 4
PIN(6.2X8X11)
€ 2.00
5
0155006357
ref: 5
BOLT
€ 3.00
6
0155006607
ref: 6
BOLT
€ 3.00
7
1114105201
ref: 7
GASKET,CYLINDER HEAD (NAS)
€ 8.00
8
0421111169
ref: 8
PIN
€ 2.00
9
0916806023
ref: 9
GASKET(5.8X13X1.2) (NAS)
€ 2.00
10
1115145000
ref: 10
PAD,CYLINDER HEAD
€ 3.50
11-1
0915908031
ref: 11-1
~E.NO.114463
NUT
€ 2.00
11-2
0831610087
ref: 11-2
E.NO.114464~
NUT
€ 2.50
12-1
0915908029
ref: 12-1
~E.NO.114463
NUT
€ 6.50
12-2
0915908074
ref: 12-2
E.NO.114464~
NUT
€ 7.50
13
0916008039
ref: 13
WASHER(8.5X19X2.3)
€ 2.50
14-1
0916808012
ref: 14-1
~E.NO.137509
GASKET (NAS)
€ 5.00
14-2
0916808021
ref: 14-2
E.NO.137510~
GASKET(8.5X17X2.3) (NAS)
€ 3.00
15-1
0948200144
ref: 15-1
SPARK PLUG D8EA
€ 3.50
15-2
0948200145
ref: 15-2
SPARK PLUG X24ES-U
€ 3.50
15-3
0948200275
ref: 15-3
SPARK PLUG A6YC
€ 3.50
15-4
0948200149
ref: 15-4
MODEL Z/D/K/M E4,E18
SPARK PLUG DR8ES-L
€ 3.50
15-5
0948200399
ref: 15-5
MODEL R E2,E4,E21,E2
PLUG,SPARK(DR8EA)
€ 3.50
15-6
0948200223
ref: 15-6
E4,E18,E21,E22,E34 M
PLUG,SPARK(X24ESR-U)
€ 3.50
15-7
0948200276
ref: 15-7
E4,E18,E21,E34 MODEL
SPARK PLUG
€ 0.00
16
1117537111
ref: 16
CAP,INSPECTION HOLE
€ 15.50
17
0928030001
ref: 17
O RING(D:3,ID:29.5)
€ 2.00
18
0924122002
ref: 18
PLUG(OD:22.5)
€ 6.00
19
2643105201
ref: 19
GEAR,TACHOMETER DRIVEN
€ 21.50
20
2644149000
ref: 20
SLEEVE,TACHOMETER DRIVE GEAR
€ 19.50
21
2645145000A
ref: 21
SEAL,TACHOMETER DRIVEN
€ 4.50
22
0912605101
ref: 22
SCREW
€ 0.00
23
0928905002
ref: 23
SEAL,OIL(5X12X8)
€ 11.00
24
1311005300
ref: 24
PIPE,INTAKE
€ 37.00
25
0928032006
ref: 25
O RING(D:2.4,ID:31.7)
€ 2.50
26-1
0211236165
ref: 26-1
MODEL Z/D/K/M/N
SCREW
€ 2.50
26-2
0211236163
ref: 26-2
MODEL R
SCREW
€ 2.50
27
0940244208
ref: 27
CLAMP
€ 6.50
28
0910308081
ref: 28
BOLT(8X50)
€ 4.00
29
0831931087
ref: 29
NUT
€ 3.00
30
1140105862
ref: 30
-11401-05861
GASKET SET (NAS)
€ 86.50
up
all assemblies
* COLOR CHART *
* CATALOG PREFACE *
* CONVERSION CHART *
CYLINDER HEAD
CYLINDER
CRANKCASE
CRANKCASE COVER
CRANKSHAFT
STARTER CLUTCH
CAM SHAFT-VALVE
CAM CHAIN
CARBURETOR
AIR CLEANER
MUFFLER
OIL PUMP
CLUTCH
TRANSMISSION
GEAR SHIFTING
STARTING MOTOR (MODEL M/N/R)
MAGNETO
BATTERY
ELECTRICAL (MODEL N/R)
SPEEDOMETER-TACHOMETER
SPEEDOMETER-TACHOMETER (E30)
HEADLAMP
HEADLAMP (E4 F.NO.140198~)
HEADLAMP (MODEL N/R E30)
TURN SIGNAL LAMP (MODEL Z/D/K/M)
TURN SIGNAL LAMP (MODEL Z E2)
TURN SIGNAL LAMP (MODEL Z/D/K E4)
TURN SIGNAL LAMP (MODEL N/R E30)
REAR COMBINATION LAMP
REAR COMBINATION LAMP (E2,E4,E21,E34)
REAR COMBINATION (MODEL N/R E30)
WIRING HARNESS (MODEL N/R E30)
FRAME
STAND
REAR BRAKE
FOOTREST
FUEL TANK (MODEL Z)
FUEL TANK (MODEL D/K/M/N/R)
FUEL COCK
SEAT
FRAME COVER (MODEL Z)
FRAME COVER (MODEL D/K/M/N/R)
FRONT FORK
FRONT FENDER-HEADLAMP HOUSING
FRONT WHEEL (GN125Z/D/K/M/R)
FRONT WHEEL (GN125EZ/ED/EK/EM/EN/ER E30)
HANDLEBAR-FRONT CABLE (MODEL N,GN125ER)
HANDLE SWITCH (MODEL N,GN125ER)
CALIPER (MODEL Z)
FRONT CALIPERS (MODEL M E34,MODEL N/R)
BRAKE HOSE
FRONT MASTER CYLINDER (MODEL M/N/R)
REAR SWINGING ARM
CHAIN CASE-REAR SHOCK ABSOBER
REAR FENDER
REAR WHEEL (GN125Z/D/K/M/R)
REAR WHEEL (GN125EZ/ED/EK/EM/EN/ER E30)
OPTIONAL
up