×
Buy Suzuki GS Parts Online
home
ELECTRICAL
GS1000 1978 (C) GENERAL EXPORT (E01)
Electrical diagram GS1000 1978 (C) GENERAL EXPORT (E01)
ELECTRICAL GS1000 1978 (C) GENERAL EXPORT (E01)
×
prices are in EUR
ref
part #
description
quantity
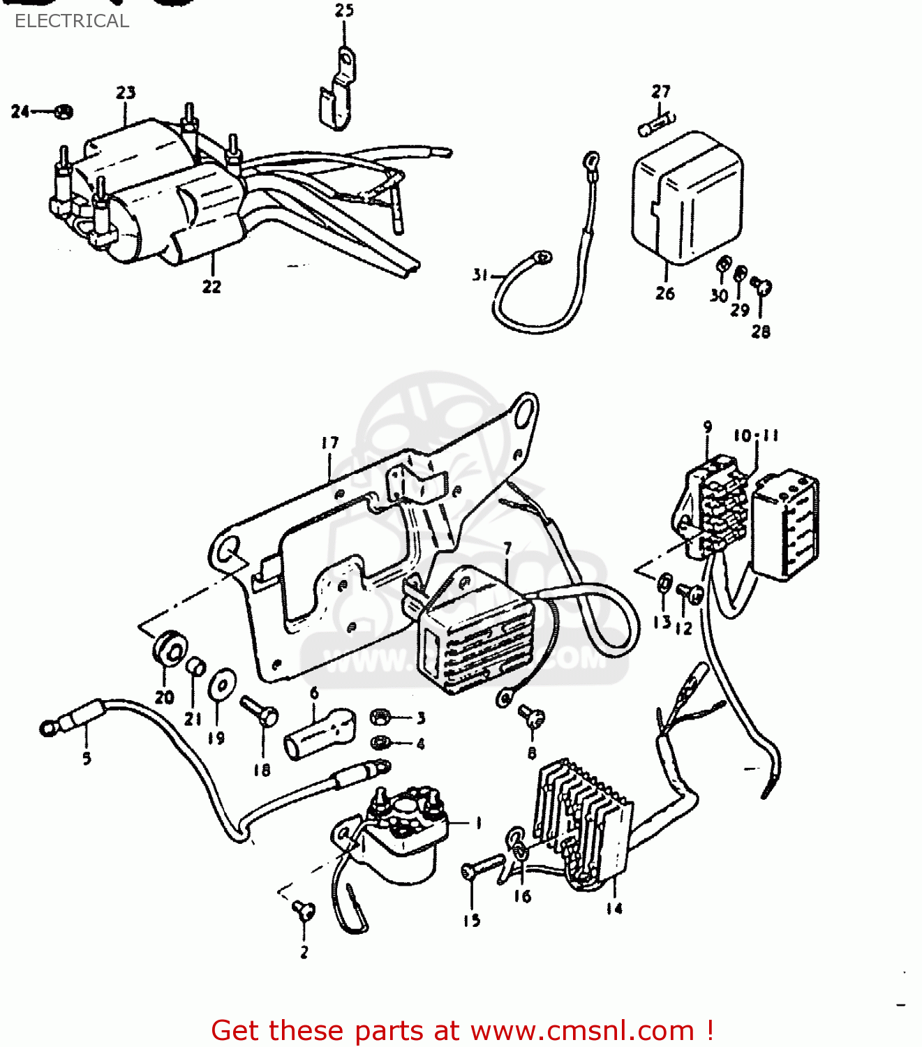
1
3180037020
ref: 1
RELAY ASSY,STARTING MOTOR
€ 114.00
2
0211206108
ref: 2
SCREW
€ 1.50
3
0831022068
ref: 3
NUT 6MM
€ 2.50
4
0832121068
ref: 4
LOCK WASHER
€ 2.50
5
3385049000
ref: 5
WIRE,STARTER MOTOR LEAD
€ 9.50
6
3186135100
ref: 6
CAP,STARTER RELAY
€ 5.00
7
3250049010
ref: 7
ND
REGULATOR ASSY,VOLTAGE
€ 136.00
8
0211206108
ref: 8
SCREW
€ 1.50
9
3674049000
ref: 9
BOX ASSEMBLY,FUSE
€ 81.50
10
0948110001
ref: 10
10A
FUSE(10A)
€ 2.00
11
0948115001
ref: 11
15A
FUSE(15A)
€ 3.00
12
0211206128
ref: 12
SCREW 6X12
€ 2.50
13
0832211068
ref: 13
WASHER 6MM
€ 2.50
14
3280049030
ref: 14
RECTIFIER ASSEMBLY
€ 269.00
15
0211206258
ref: 15
SCREW
€ 2.50
16
0832121068
ref: 16
LOCK WASHER
€ 2.50
17-1
4741049000
ref: 17-1
TO 47410-49002
HOLDER COMP,ELECTRONIC PARTS
€ 0.00
18
0110706168
ref: 18
BOLT, UPPER
€ 3.00
19
0916006012
ref: 19
6.5*22*1.6
WASHER(6,5X22X1.6)
€ 2.00
20
0932008013
ref: 20
CUSHION
€ 4.50
21
0918006001
ref: 21
6.2*8.3*5.7
SPACER(6.2X8.3X5.7)
€ 2.50
22
3341045010
ref: 22
ND
COIL ASSEMBLY,IGNITION
€ 152.50
23
3342045010
ref: 23
ND
COIL ASSEMBLY,IGNITION
€ 152.50
24
0831011068
ref: 24
NUT
€ 2.50
25
0940306307
ref: 25
CLAMP
€ 5.00
up
all assemblies
* COLOR CHART *
* CATALOG PREFACE *
* CONVERSION CHART *
CYLINDER HEAD COVER
CYLINDER HEAD
CYLINDER
CRANKCASE
CRANKCASE RH COVER
CRANKCASE LH COVER
OIL PAN
CRANKSHAFT
STARTER CLUTCH
CAM SHAFT - VALVE
CAM CHAIN
CARBURETOR (GS1000C, HC, EC)
AIR CLEANER
MUFFLER
OIL PUMP
CLUTCH
TRANSMISSION
GEAR SHIFTING
STARTING MOTOR
GENERATOR
CONTACT BREAKER
BATTERY
SPEEDOMETER - TACHOMETER
HEADLAMP (GS1000C, HC)
TURN SIGNAL LAMP
REAR COMBINATION LAMP
ELECTRICAL
WIRING HARNESS
FRAME
STAND
FOOTREST
FUEL TANK
FUEL COCK - FUEL GAUGE
SEAT
FRAME COVER
FRONT FORK
STEERING STEM (GS1000C, HC, EC)
FRONT WHEEL (GS1000C, N)
HANDLEBAR - FRONT FENDER
RH HANDLE SWITCH
LH HANDLE SWITCH
FRONT CARIPERS
FRONT MASTER CYLINDER
FRONT BRAKE HOSE
REAR SWINGING ARM
CHAIN CASE - SHOCK ABSORBER
REAR FENDER
REAR WHEEL (GS1000C, N)
REAR CARIPERS
REAR BRAKE HOSE
REAR MASTER CYLINDER
OPTIONAL
OPTIONAL
FOR SPECIAL MARKET (E2)
FOR SPECIAL MARKET (E2)
FOR SPECIAL MARKET (E2)
up