×
Buy Suzuki GS Parts Online
home
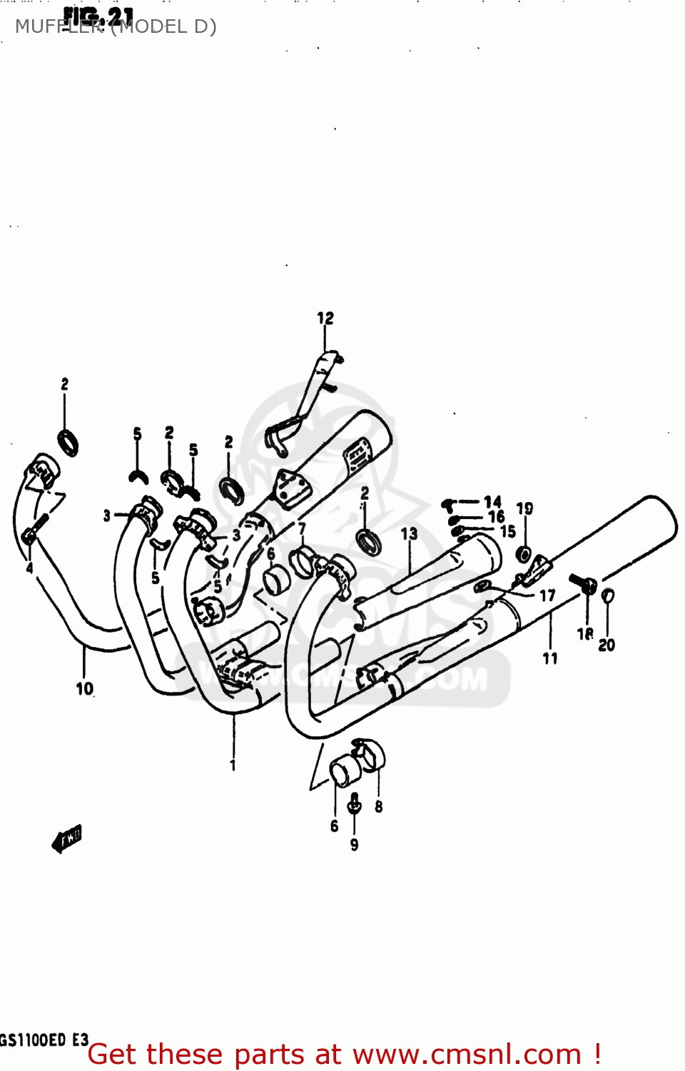
MUFFLER (MODEL D)
GS1100E 1983 (D) USA (E03)
Muffler (model d) diagram GS1100E 1983 (D) USA (E03)
MUFFLER (MODEL D) GS1100E 1983 (D) USA (E03)
×
prices are in EUR
ref
part #
description
quantity
1
1410049301H01
ref: 1
14100-49303-H01
PIPE,EXHAUST
€ 341.00
2
1418111020
ref: 2
14181-01D00
GASKET,EXHAUST PIPE (NAS)
€ 8.00
3
1418249020
ref: 3
14182-49022
CLAMP,EXHAUST PIPE
€ 34.00
4
0910608024
ref: 4
07130-0840B
BOLT
€ 3.00
5
1415549000
ref: 5
PLATE,EXHAUST
€ 9.50
6
1477149001
ref: 6
14771-49010
CONNECTOR,MUFFLER
€ 26.00
7
1445945420
ref: 7
CLAMP,MUFFLER CONNECTOR,R
€ 12.00
8
1446945420
ref: 8
CLAMP,MUFFLER CONNECTOR,L
€ 14.50
9
0151708255
ref: 9
01550-0825A
BOLT
€ 2.50
10
1430149590H01
ref: 10
MUFFLER ASSEMBLY,RIGHT
€ 187.50
11
1430249590H01
ref: 11
MUFFLER ASSEMBLY
€ 156.00
12
1478049510
ref: 12
14780-49511
COVER,MUFFLER
€ 43.00
13
1479049210
ref: 13
14790-49211
COVER,MUFFLER
€ 32.50
14
0211205105
ref: 14
02112-0510A
SCREW
€ 2.00
15
0832221055
ref: 15
08322-0105A
WASHER,5MM
€ 2.50
16
0832121058
ref: 16
08321-0105A
LOCK WASHER
€ 2.00
17
0916806005
ref: 17
09168-06105
GASKET 6.2X12X1.5 (MCA)
€ 2.00
18
0910610006
ref: 18
07130-10307
BOLT
€ 4.50
19
0831616105
ref: 19
08316-1010B
NUT
€ 2.00
20
4357534500
ref: 20
CAP
€ 1.50
up
all assemblies
AIR CLEANER (MODEL D)
AIR CLEANER (MODEL Z)
BATTERY
CAM CHAIN (MODEL D)
CAM CHAIN (MODEL Z)
CAM SHAFT - VALVE (MODEL D)
CAM SHAFT - VALVE (MODEL Z)
CARBURETOR (MODEL D)
CARBURETOR (MODEL Z)
CHAIN CASE - REAR SHOCK ABSORBER
CLUTCH
COWLING (GS1100ESD)
CRANKCASE (MODEL D)
CRANKCASE (MODEL Z)
CRANKCASE COVER (MODEL D)
CRANKCASE COVER (MODEL Z)
CRANKSHAFT
CYLINDER
CYLINDER HEAD
CYLINDER HEAD COVER (MODEL D)
CYLINDER HEAD COVER (MODEL Z)
ELECTRICAL
FOOTREST (MODEL D)
FOOTREST (MODEL Z)
FRAME
FRAME COVER (GS1100ED)
FRAME COVER (GS1100ESD)
FRAME COVER (MODEL Z)
FRONT BRAKE HOSE
FRONT CALIPERS
FRONT DAMPER (GS1100ED)
FRONT DAMPER (GS1100ESD)
FRONT DAMPER (GS1100EZ)
FRONT MASTER CYLINDER
FRONT WHEEL (GS1100ED/ESD)
FRONT WHEEL (GS1100EZ)
FUEL COCK
FUEL TANK (GS1100ED)
FUEL TANK (GS1100ESD)
FUEL TANK (MODEL Z)
GEAR SHIFTING
GENERATOR (GS1100ESD)
GENERATOR (GS1100EZ/ED)
HANDLEBAR (GS1100ED)
HANDLEBAR (GS1100ESD)
HANDLEBAR (GS1100EZ)
HEADLAMP (GS1100ESD)
HEADLAMP (GS1100EZ/ED)
HOUSING HEADLAMP - FRONT FENDER
LEFT HANDLE SWITCH
MUFFLER (MODEL D)
MUFFLER (MODEL Z)
OIL PUMP - OIL FILTER
REAR BREAK HOSE
REAR CALIPERS
REAR COMBINATION LAMP
REAR FENDER
REAR MASTER CYLINDER
REAR SWINGING ARM
REAR WHEEL (MODEL D)
REAR WHEEL (MODEL Z)
RIGHT HANDLE SWITCH
SEAT
SEAT TAIL COVER (GS1100ED)
SEAT TAIL COVER (GS1100ESD)
SEAT TAIL COVER (MODEL Z)
SIGNAL GENERATOR
SPEEDOMETER - TACHOMETER (GS1100ESD)
SPEEDOMETER - TACHOMETER (GS1100EZ/ED)
STAND
STARTER CLUTCH
STARTING MOTOR (GS1100 ESD)
STARTING MOTOR (GS1100E7./ED)
STEERING STEM (GS1100ED)
STEERING STEM (GS1100ESD)
STEERING STEM (GS1100EZ)
TRANSMISSION
TURN SIGNAL LAMP (GS1100ESD)
TURN SIGNAL LAMP (GS1100EZ/ED)
WIRING HARNESS
up