prices are in EUR
ref
part #
description
quantity
 
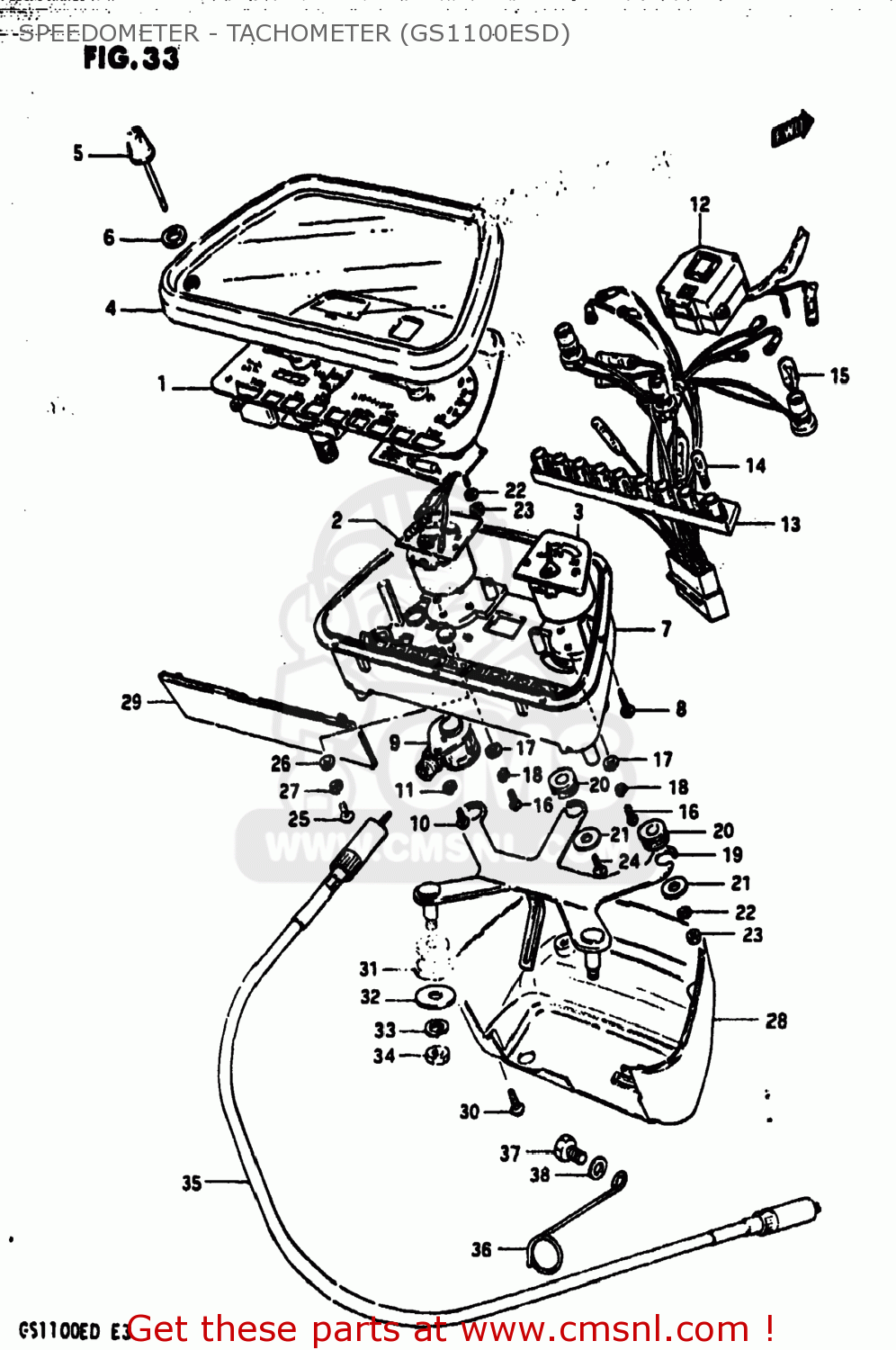
1
METER,SPEEDOMETER/TACHOMETER (KM/
 
1
METER,SPEEDOMETER/TACHOMETER (KM/
 
2
METER,FUEL
 
 
 
4
HOOD,METER
 
 
 
5
KNOB,TRIP METER
 
 
 
6
SEAL,TRIP KNOB
 
 
 
7
CASE,METER,INNER
 
 
 
8
SCREW
 
 
 
9
GEAR BOX,SPEEDOMETER
 
 
 
11
LOCK WASHER
 
 
 
12
INDICATOR ASSEMBLY,GEAR POSITION
 
14
BULB(12V3W,WB371,T7)
 
 
 
15
BULB(12V3.4W,T10,BF175-01450A)
 
 
 
17
WASHER
 
 
 
19
BRACKET,METER
 
 
 
20
CUSHION
 
 
 
21
WASHER,COMBINATION METER
 
25
SCREW
 
 
 
26
WASHER
 
 
 
28
COVER,METER LWR
 
 
 
29
PLATE,COVER
 
 
 
30
SCREW
 
 
 
31
CUSHION,METER BRACKET
 
 
 
32
WASHER (8.5X20X1.6)
 
 
 
35
CABLE ASSEMBLY,SPEEDOMETER
 
 
 
36
CLAMP,SPEEDOMETER CABLE
 
 
 
38
WASHER
