Buy Suzuki GS Parts Online

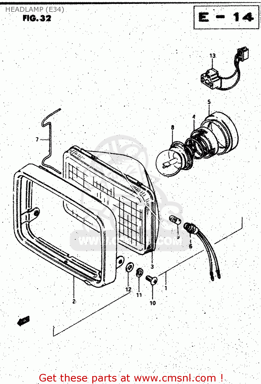
HEADLAMP (E34)

GS125ES 1982 (Z) (E01 E02 E04 E18 E24 E39)

Headlamp (e34) diagram GS125ES 1982 (Z) (E01 E02 E04 E18 E24 E39)

HEADLAMP (E34) GS125ES 1982 (Z) (E01 E02 E04 E18 E24 E39)
HEADLAMP (E34) GS125ES 1982 (Z) (E01 E02 E04 E18 E24 E39)
HEADLAMP (E34) GS125ES 1982 (Z) (E01 E02 E04 E18 E24 E39)
prices are in EUR
ref
part #
description
quantity
1
3510005300999
ref: 1
HEADLAMP ASSY
€ 0.00

2
3511136510
ref: 2
RIM
3511136510
€ 47.50

3
3512105300
ref: 3
UNIT
€ 0.00

4
3513605300
ref: 4
HOLDER,BULB
3513605300
€ 9.50

5
3517505300
ref: 5
COVER, SOCKET
€ 0.00

6
3611845900
ref: 6
SOCKET,PARKING
3611845900
€ 13.00

7
3512805300
ref: 7
SPRING
€ 0.00

8
0947112048
ref: 8

EXECUTED LOCALLY
BULB(12V45/40W)
0947112048
€ 7.50

9
0947112063
ref: 9

EXECUTED LOCALLY
BULB(12V4W)
0947112063
€ 5.00

10
0211205128
ref: 10
SCREW
€ 2.50

11
0832121057
ref: 11
LOCK WASHER
0832121057
€ 2.00

12
0832221057
ref: 12
WASHER
0832221057
€ 2.50

13
3685234D00
ref: 13

ARROW RIGHT36853-305
LEAD WIRE, HEAD LAMP
€ 0.00

all assemblies