prices are in EUR
ref
part #
description
quantity
 
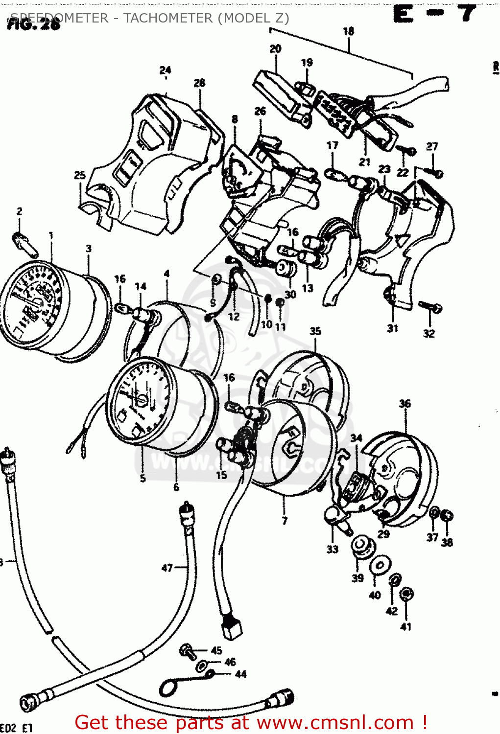
1-1
SPEEDOMETER (MILER/KILO)
 
 
 
2
KNOB
 
 
 
3
CUSHION,SPEEDOMETER
 
 
 
4
COVER,SPEEDOMETER
 
 
 
6
CUSHION,SPEEDOMETER
 
 
 
7
COVER,TACHOMETER
 
 
 
8
METER,FUEL
 
 
 
9
WASHER,FUEL METER
 
 
 
11
NUT 3MM
 
 
 
13
SOCKET,PILOT CASE
 
 
 
14
SOCKET,METER
 
 
 
15
SOCKET,TACHOMETER
 
 
 
16
BULB(12V3.4W,T10)
 
 
 
17
BULB(12V1.7W,T10,WB121)
 
 
 
18
INDICATOR ASSEMBLY,GEAR POSITION
 
19
BULB(14V1.12W)
 
 
 
20
CASE,GEAR INDICATOR
 
 
 
21
COVER,LWR
 
 
 
24
CASE,PILOT BOX
 
 
 
25
SEAL,IGNITION SWITCH
 
 
 
26
CASE,PILOT BOX,INNER
 
 
 
28
PLATE,PILOT BOX
 
 
 
30
CUSHION,PILOT BOX
 
 
 
31
COVER,PILOT BOX,UNDER
 
 
 
32
SCREW
 
 
 
33
BRACKET,COMBINATION METER
 
34
CUSHION,METER
 
 
 
35
COVER,METER,UNDER
 
 
 
36
COVER,TACHOMETER
 
 
 
38
NUT
 
 
 
39
CUSHION,METER BRACKET
 
 
 
40
WASHER (8.5X29X1.6)
 
 
 
41
NUT
 
 
 
42
LOCK WASHER
 
 
 
43
CABLE ASSY,SPEEDOMETER
 
 
 
44
CLAMP,SPEEDOMETER CABLE
 
 
 
46
WASHER
 
 
 
47-1
CABLE ASSEMBLY,TACHOMETER
 
47-2
CABLE ASSEMBLY,TACHOMETER
