×
Buy Suzuki GS Parts Online
home
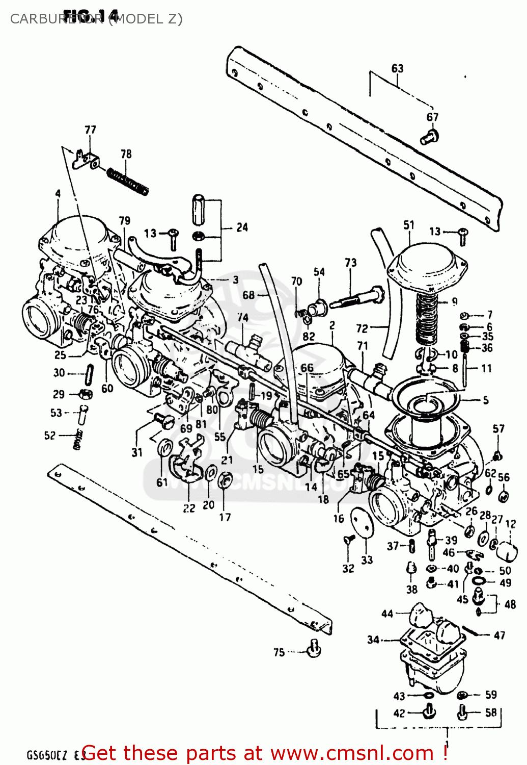
CARBURETOR (MODEL Z)
GS650E 1982 (Z) USA (E03)
Carburetor (model z) diagram GS650E 1982 (Z) USA (E03)
CARBURETOR (MODEL Z) GS650E 1982 (Z) USA (E03)
×
prices are in EUR
ref
part #
description
quantity
1
1320134260
ref: 1
CARBURETOR ASSEMBLY
€ 129.50
2
1320234260
ref: 2
CARBURETOR ASSEMBLY
€ 138.00
3
1320334260
ref: 3
CARBURETOR ASSEMBLY
€ 148.00
4
1320434260
ref: 4
CARBURETOR ASSEMBLY
€ 142.00
5
1350045110
ref: 5
DIAPHRAGM
€ 170.50
6
1339431210
ref: 6
CLIP,NEEDLE
€ 4.00
7
1338744030
ref: 7
RING
€ 5.50
8
1338944030
ref: 8
HOLDER,GUIDE
€ 10.50
9
1350344080
ref: 9
SPRING
€ 11.50
10
1358144030
ref: 10
E RING
€ 6.50
11
1338334200
ref: 11
NEEDLE JET
€ 0.00
12
1357847070
ref: 12
CAP
€ 4.50
13
0211205168
ref: 13
02112-05167
SCREW
€ 2.50
14
1355747070
ref: 14
GASKET,THROTTLE SHAFT (NAS)
€ 5.00
15
1357347070
ref: 15
SPRING,THROTTLE SHAFT
€ 6.00
16
1355047070
ref: 16
SHAFT,THROTTLE
€ 44.50
17
0831022088
ref: 17
08310-00087
NUT 8MM
€ 2.50
18
1355047080
ref: 18
SHAFT,THROTTLE
€ 42.50
19
1356347070
ref: 19
PIN,THROTTLE SHAFT
€ 0.00
20
1360647070
ref: 20
WASHER
€ 3.00
21
1355347070
ref: 21
LEVER,THROTTLE SHAFT
€ 0.00
22
1355547070
ref: 22
LEVER ASSEMBLY,THROTTLE
€ 0.00
23
1357347080
ref: 23
SPRING,THROTTLE SHAFT
€ 0.00
24
1362147180
ref: 24
BRACKET,THROTTLE CABLE
€ 10.00
25
1355047090
ref: 25
SHAFT,THROTTLE
€ 0.00
26
1355631210
ref: 26
13651-51010
SEAL
€ 4.50
27
1361744080
ref: 27
E RING
€ 4.00
28
1355747070
ref: 28
GASKET,THROTTLE SHAFT (NAS)
€ 5.00
29
1360747070
ref: 29
NUT
€ 4.50
30
1360547080
ref: 30
SCREW
€ 8.00
31
1360545410
ref: 31
13605-73000
SCREW
€ 8.00
32
1360444080
ref: 32
SCREW
€ 4.00
33
1355134220
ref: 33
VALVE,THROTTLE
€ 21.00
34
1325144080
ref: 34
13251-44080-H17
GASKET,FLOAT CHAMBER (NAS)
€ 10.50
35
1338244030
ref: 35
WASHER
€ 4.00
36
1338844030
ref: 36
SPRING
€ 6.50
37
0949242007
ref: 37
JET,PILOT(42.5)
€ 8.50
38
1335744080
ref: 38
PLUG,NEEDLE JET
€ 5.00
39
0949400319
ref: 39
JET,NEEDLE
€ 18.50
40
1333244080
ref: 40
13382-03110
WASHER,NEEDLE NOZZLE
€ 3.00
41
0949197003
ref: 41
JET,MAIN(97.5)
€ 9.00
42
1324744080
ref: 42
PLUG,DRAIN
€ 9.50
43
1324644080
ref: 43
GASKET (NAS)
€ 4.00
44
1325044080
ref: 44
FLOAT
€ 34.00
45
0211204068
ref: 45
02112-0406B
SCREW 4X6
€ 2.00
46
1337311400
ref: 46
PLATE,NEEDLE VALVE FITING
€ 7.50
47
1325492311
ref: 47
PIN,FLOAT
€ 2.00
48
1337011400
ref: 48
13370-44500
VALVE ASSEMBLY,NEEDLE
€ 44.00
49
1337444080
ref: 49
13374-35C00
O-RING,NEEDLE VALVE
€ 6.00
50
1337665010
ref: 50
13376-19F00
FILTER
€ 7.00
51
1350245110
ref: 51
COVER,DIAPHRAGM
€ 42.00
52
1326844010
ref: 52
SPRING,THROTTLE SCREW
€ 3.00
53
1357347070
ref: 53
SPRING,THROTTLE SHAFT
€ 6.00
54
1327631210
ref: 54
BUSH
€ 6.50
55
1362744090
ref: 55
BRACKET,THROTTLE ADJUST
€ 0.00
56
1368231210
ref: 56
CAP,STARTER VALVE
€ 5.50
57
0949335001
ref: 57
JET,AIR (175)
€ 0.00
58
0211205168
ref: 58
02112-05167
SCREW
€ 2.50
59
0832121058
ref: 59
08321-0105A
LOCK WASHER
€ 2.00
60
1355047100
ref: 60
SHAFT,THROTTLE
€ 0.00
61
1358947070
ref: 61
WASHER
€ 3.00
62
1327847090
ref: 62
O RING
€ 2.50
63
1321047180
ref: 63
CARBURETOR ASSEMBLY
€ 0.00
64
1342244080
ref: 64
LEVER
€ 10.00
65
1360547070
ref: 65
SCREW
€ 5.50
66
1341047070
ref: 66
SHAFT,STARTER
€ 29.00
67
0215205128
ref: 67
02142-05127
SCREW
€ 1.50
68
1368331610
ref: 68
09355-45855-600
HOSE
€ 15.50
69
1362747070
ref: 69
BRACKET,THROTTLE ADJUST
€ 4.00
70
1327193011
ref: 70
SPRING
€ 4.50
71
1368547070
ref: 71
NIPPLE
€ 27.50
72
1368347070
ref: 72
09352-60103-600
HOSE
€ 19.50
73
1326747070
ref: 73
SCREW
€ 21.00
74
1368547080
ref: 74
NIPPLE,CARBURETOR
€ 25.50
75
0211206128
ref: 75
02112-06127
SCREW 6X12
€ 2.50
76
1341349220
ref: 76
LEVER,CHOKE CABLE
€ 4.00
77
1342149220
ref: 77
PLATE,CHOKE CABLE
€ 3.00
78
1343749220
ref: 78
SPRING,CHOKE CABLE
€ 0.00
79
1368547090
ref: 79
NIPPLE
€ 16.50
80
0211205108
ref: 80
02112-05107
SCREW
€ 2.50
81
0832121058
ref: 81
08321-0105A
LOCK WASHER
€ 2.00
82
1343247090
ref: 82
WASHER
€ 2.50
up
all assemblies
AIR CLEANER
BATTERY
CAM CHAIN
CAM SHAFT - VALVE
CARBURETOR (MODEL X)
CARBURETOR (MODEL Z)
CHAIN CASE - SHOCK ABSORBER
CLUTCH
CRANKCASE
CRANKCASE COVER (E.NO.103837~)
CRANKCASE COVER (~E.NO.103836)
CRANKSHAFT
CYLINDER
CYLINDER HEAD
CYLINDER HEAD COVER (-E.NO.106932)
CYLINDER HEAD COVER (E.NO.106933~)
ELECTRICAL
FOOTREST (MODEL X)
FOOTREST (MODEL Z)
FRAME
FRAME COVER (MODEL X)
FRAME COVER (MODEL Z)
FRONT BRAKE HOSE
FRONT CALIPERS
FRONT FORK (MODEL X)
FRONT FORK (MODEL Z)
FRONT WHEEL
FUEL COCK (MODEL X)
FUEL COCK (MODEL Z)
FUEL TANK (MODEL X)
FUEL TANK (MODEL Z)
GEAR SHIFTING
GENERATOR
HANDLEBAR
HEADLAMP
HEADLAMP HOUSING - FRONT FENDER
LEFT HANDLE SWITCH (MODEL X)
LEFT HANDLE SWITCH (MODEL Z)
MASTER CYLINDER
MUFFLER
OIL PUMP - OIL FILTER
REAR BRAKE
REAR CALIPERS
REAR COMBINATION LAMP
REAR FENDER
REAR MASTER CYLINDER
REAR SWINGING ARM
REAR WHEEL
RIGHT HANDLE SWITCH (MODEL X)
RIGHT HANDLE SWITCH (MODEL Z)
SEAT
SEAT TAIL COVER (MODEL X)
SEAT TAIL COVER (MODEL Z)
SIGNAL GENERATOR
SPEEDOMETER - TACHOMETER (MODEL X)
SPEEDOMETER - TACHOMETER (MODEL Z)
STAND
STARTER CLUTCH
STARTING MOTOR
STEERING STEM (MODEL X)
STEERING STEM (MODEL Z)
TRANSMISSION
TURN SIGNAL LAMP
WIRING HARNESS
up