×
Buy Suzuki GSX Parts Online
home
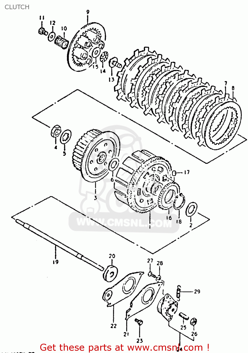
CLUTCH
GSX400E 1981 (X) (E02 E04 E16 E22 E24 E26)
Clutch diagram GSX400E 1981 (X) (E02 E04 E16 E22 E24 E26)
CLUTCH GSX400E 1981 (X) (E02 E04 E16 E22 E24 E26)
×
prices are in EUR
ref
part #
description
quantity
1
2120044100
ref: 1
GEAR ASSEMBLY,PRIMARY DRIVE
€ 353.50
2
0821125381
ref: 2
WASHER
€ 3.00
3
2141144100
ref: 3
HUB,CLUTCH SLEEVE
€ 61.50
4
0914020002
ref: 4
NUT (20MM)
€ 4.00
5
0916720006
ref: 5
WASHER,LOCK
€ 3.50
6
0916020015
ref: 6
WASHER(20X44X3)
€ 5.50
7
2144140402
ref: 7
PLATE,CLUTCH DRIVE (MCA)
€ 20.50
8
2145145000
ref: 8
PLATE,CLUTCH DRIVEN (NAS)
€ 10.50
9
2146216500
ref: 9
TO 21462-16501
DISC,CLUTCH PRESSURE
€ 54.50
10
0944019003
ref: 10
TO 09440-19013
SPRING
€ 6.00
11
0110706168
ref: 11
BOLT, UPPER
€ 3.00
12
0916006020
ref: 12
WASHER
€ 2.00
13
2312144100
ref: 13
PIECE,CLUTCH PUSH
€ 23.50
14
0926315003
ref: 14
BEARING(15X28X2)
€ 7.50
15
0916015015
ref: 15
WASHER
€ 4.50
16
1632144001
ref: 16
GEAR,OIL PUMP DRIVE
€ 26.00
17
0926106002
ref: 17
PIN(6X6)
€ 1.50
18
0833131389
ref: 18
CIRCLIP
€ 2.50
19
2310044101
ref: 19
ROD,CLUTCH PUSH
€ 18.50
20-1
0928306002
ref: 20-1
FLANGED TYPE
SEAL,OIL(6X34X8)
€ 7.00
20-2
0928506011
ref: 20-2
WITH HOLDER (23117-4
SEAL,OIL(6X34X10)
€ 9.50
21
2311744100
ref: 21
PLATE,CLUTCH PUSH ROD
€ 8.50
22
2311744101
ref: 22
PLATE,CLUTCH PUSH ROD
€ 7.00
23
0110706128
ref: 23
BOLT
€ 2.50
24
2320044100
ref: 24
SCREW ASSEMBLY,CLUTCH RELEASE
€ 66.00
25
0913406001
ref: 25
SCREW
€ 3.50
26
0831022068
ref: 26
NUT 6MM
€ 2.50
27
0311106128
ref: 27
SCREW
€ 1.50
28
0832221068
ref: 28
WASHER
€ 2.50
29
0944308001
ref: 29
SPRING
€ 4.50
up
all assemblies
* COLOR CHART *
* COLOR CHART *
* CATALOG PREFACE *
* CONVERSION CHART *
CYLINDER HEAD COVER
CYLINDER HEAD
CYLINDER
CRANKCASE
CRANKCASE COVER
OIL FILTER - OIL PUMP
CRANKSHAFT
CRANKSHAFT BALANCER
STARTER CLUTCH
CAM SHAFT - VALVE
CAM CHAIN
CARBURETOR
AIR CLEANER
MUFFLER
CLUTCH
TRANSMISSION
GEAR SHIFTING
STARTING MOTOR
GENERATOR
SIGNAL GENERATOR
BATTERY
SPEEDOMETER - TACHOMETER
HEADLAMP
TURN SIGNAL LAMP
REAR COMBINATION LAMP
ELECTRICAL
WIRING HARNESS
FRAME
STAND - REAR BRAKE
FOOTREST
FUEL TANK (GSX400ET/ST)
FUEL TANK (GSX400EX)
FUEL TANK (GSX400SX)
FUEL COCK
SEAT (GSX400ET)
SEAT (GSX400ST)
SEAT (GSX400EX)
SEAT (GSX400SX)
SEAT TAIL COVER (GSX400ET/ST)
SEAT TAIL COVER (GSX400EX)
SEAT TAIL COVER (GSX400SX)
FRAME COVER (GSX400ET/EX)
FRAME COVER (GSX400ST)
FRAME COVER (GSX400SX)
FRONT FORK (GSX400ST:~F.NO. 500305/ET, EX)
FRONT FORK (GSX400ST F.NO. 500306~ GSX400SX)
STEERING STEM (GSX400ST ~F.NO. 500305/ET, EX)
STEERING STEM (GSX400ST F.NO. 500306~/GSX400SX)
HEADLAMP HOUSING - FRONT FENDER (GSX400ET, EX)
HEADLAMP HOUSING - FRONT FENDER (GSX400ST, SX)
FRONT WHEEL
HANDLEBAR (GSX400ET, GSX400EX)
HANDLEBAR (GSX400ST, GSX400SX)
RIGHT HANDLE SWITCH
LEFT HANDLE SWITCH
FRONT CALIPERS
FRONT MASTER CYLINDER
FRONT BRAKE HOSE
REAR SWINGING ARM
CHAIN CASE - SHOCK ABSORBER
REAR FENDER
REAR WHEEL
COWLING (GSX400ST / GSX400SX E22)
COWLING (GSX400SX E2, E4)
COWLING (OPTIONAL)
OPTIONAL
up