×
Buy Suzuki XF Parts Online
home
STARTING MOTOR
XF650U 1998 (W) (E22)
Starting motor diagram XF650U 1998 (W) (E22)
STARTING MOTOR XF650U 1998 (W) (E22)
×
prices are in EUR
ref
part #
description
quantity
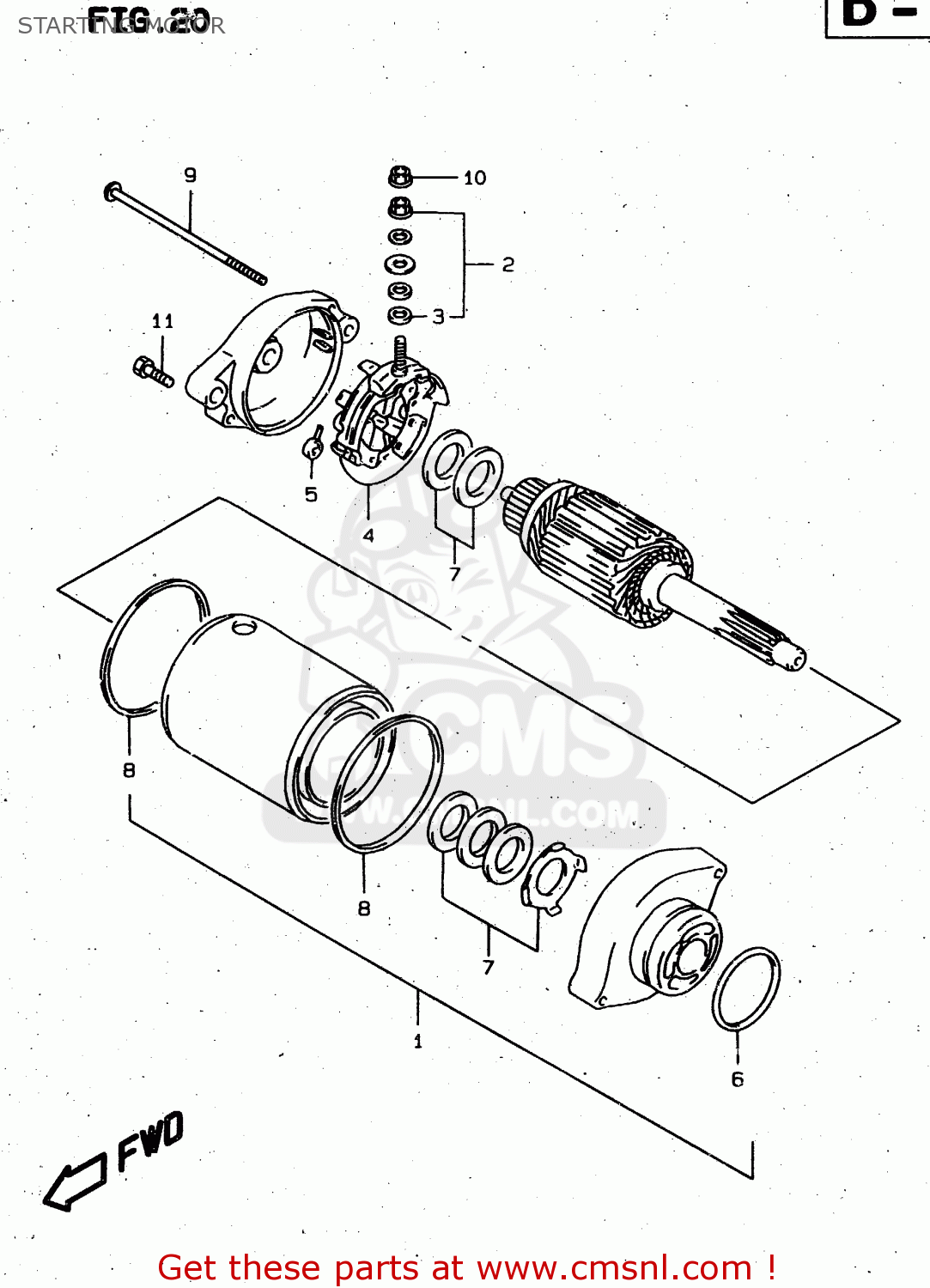
1
3110032E01
ref: 1
<-31100-32E00
MOTOR ASSY,STARTING
€ 634.00
2
3113038B00
ref: 2
TERMINAL SET,BRUSH
€ 48.50
3
3114349040
ref: 3
O RING
€ 3.50
4
3113238B00
ref: 4
HOLDER SET,BRUSH
€ 48.50
5
3113538B00
ref: 5
SPRING,BRUSH
€ 4.00
6
3115648B00
ref: 6
O RING
€ 9.00
7
3117032E00
ref: 7
WASHER SET
€ 8.00
8
3126432E00
ref: 8
<-31264-31300
SQUARE RING
€ 8.50
9
3128026D00
ref: 9
BOLT
€ 14.00
10
0836135068
ref: 10
NUT
€ 2.00
11
0154706303
ref: 11
BOLT,G/S SWITC
€ 3.50
up
all assemblies
* COLOR CHART *
* CATALOG PREFACE *
CYLINDER HEAD
CARBURETOR
CARBURETOR FITTINGS
AIR CLEANER
MUFFLER
OIL PUMP
OIL COOLER
OIL PIPE
2ND AIR (E18)
CLUTCH
TRANSMISSION
GEAR SHIFTING
CYLINDER
STARTING MOTOR
MAGNETO
BATTERY
ELECTRICAL
SPEEDOMETER
HEADLAMP (E2, E24)
HEADLAMP (E4, E17, E18, E22, E25, E34, P9)
TURNSIGNAL LAMP
REAR COMBINATION LAMP
WIRING HARNESS
HANDLE SWITCH
CRANKCASE
FRAME
CARRIER
STAND
FOOTREST
FUEL TANK
FUEL TANK COVER (MODEL V)
FUEL TANK COVER (MODEL W)
FUEL TANK COVER (MODEL X)
FUEL COCK
FRAME COVER (MODEL V)
FRAME COVER (MODEL W)
FRAME COVER (MODEL X)
FRONT FENDER (MODEL V)
FRONT FENDER (MODEL W)
FRONT FENDER (MODEL X)
HANDLEBAR
CRANKCASE COVER
HANDLE LEVER
REAR FENDER
COWLING (MODEL V)
COWLING (MODEL W)
COWLING (MODEL X)
COWLING INSTALLATION PARTS
LABEL
KNUCKLE COVER (OPTION)
SEAT
FRONT DAMPER
STEERING STEM
FRONT WHEEL
CRANKSHAFT
FRONT CALIPER
FRONT MASTER CYLINDER
REAR SWINGING ARM
REAR CUSHION LEVER
REAR WHEEL
REAR CALIPER (MODEL V/W)
REAR CALIPER (MODEL X)
REAR MASTER CYLINDER
OPTIONAL
STARTER CLUTCH
CRANK BALANCER
CAM SHAFT - VALVE
CAM CHAIN
up