×
Buy Suzuki GN Parts Online
home
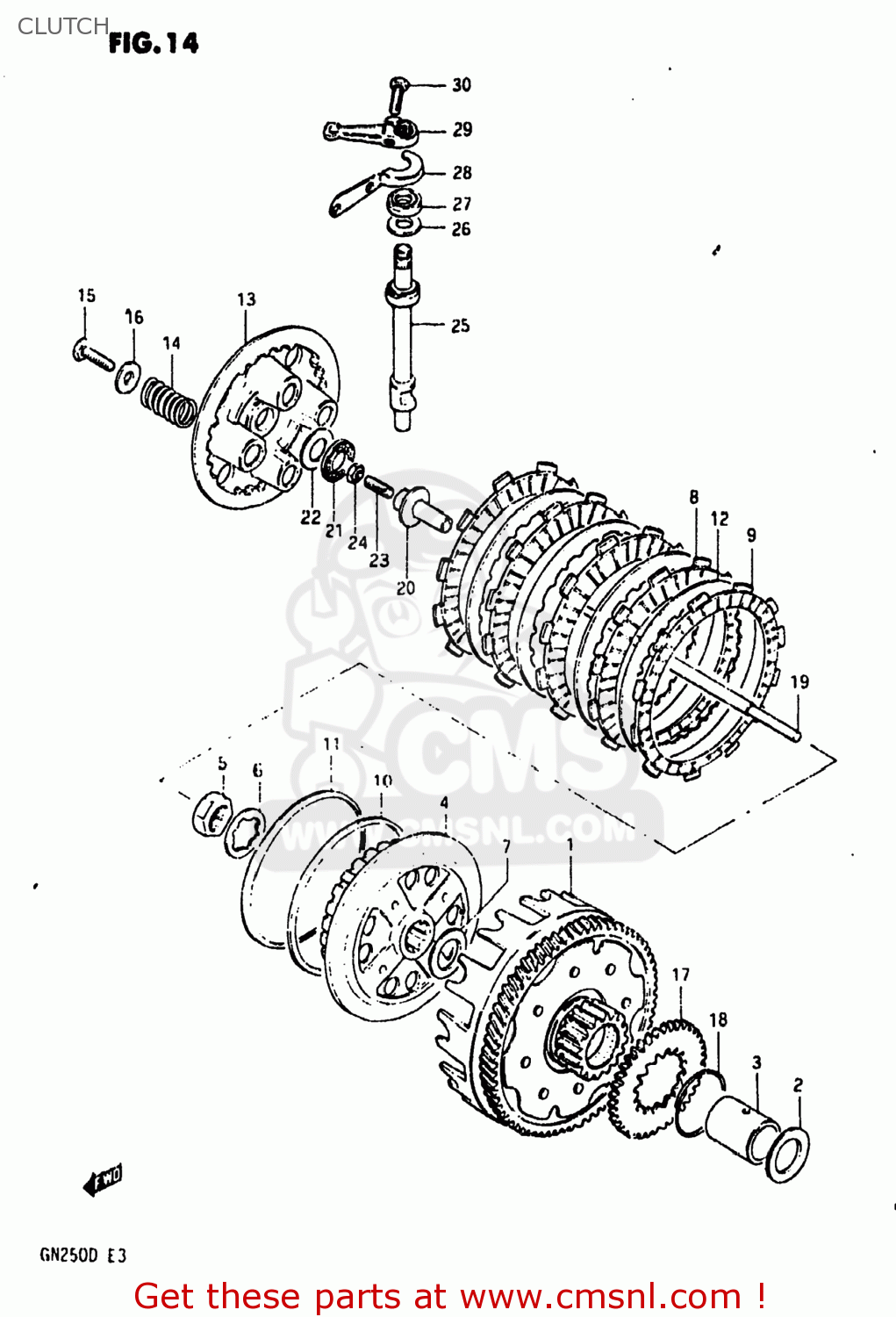
CLUTCH
GN250 1982 (Z) USA (E03)
Clutch diagram GN250 1982 (Z) USA (E03)
CLUTCH GN250 1982 (Z) USA (E03)
×
prices are in EUR
ref
part #
description
quantity
1
2120038200
ref: 1
21200-38201
GEAR ASSEMBLY,PRIMARY DRIVE
€ 278.50
2
0821122363
ref: 2
WASHER
€ 3.00
3
0918022024
ref: 3
SPACER(22X28X37.5)
€ 18.00
4
2141138200
ref: 4
21411-38201
HUB,CLUTCH SLEEVE
€ 103.00
5
0914022005
ref: 5
NUT
€ 4.50
6
0916722010
ref: 6
WASHER,LOCK
€ 4.50
7
0821122363
ref: 7
WASHER
€ 3.00
8
2144140402
ref: 8
21441-37400
PLATE,CLUTCH DRIVE (MCA)
€ 20.50
9
2144237400
ref: 9
21442-37401
PLATE,CLUTCH DRIVE
€ 11.50
10
2147137400
ref: 10
SEAT,WAVE WASHER(T:1.4)
€ 9.00
11
0916400004
ref: 11
WASHER
€ 10.00
12
2145137400
ref: 12
21451-14A00
PLATE,CLUTCH DRIVEN
€ 6.50
13
2146238200
ref: 13
21462-27A00
DISC,CLUTCH PRESSURE
€ 40.50
14
0944019007
ref: 14
SPRING
€ 3.50
15
0110706168
ref: 15
01500-06167
BOLT, UPPER
€ 3.00
16
0916006020
ref: 16
09160-06066
WASHER
€ 2.00
17
1632138200
ref: 17
16321-38210
GEAR,OIL PUMP DRIVE
€ 16.00
18
0938050001
ref: 18
CIRCLIP
€ 3.00
19
2311038200
ref: 19
23110-38201
ROD,CLUTCH PUSH
€ 15.50
20
2312138200
ref: 20
23121-38201
PIECE,CLUTCH PUSH
€ 17.00
21
0926315003
ref: 21
BEARING(15X28X2)
€ 7.50
22
0916015015
ref: 22
09160-15045
WASHER
€ 4.50
23
0913406001
ref: 23
09134-06010
SCREW
€ 3.50
24
0831022068
ref: 24
08310-00067
NUT 6MM
€ 2.50
25
2312238200
ref: 25
CAMSHAFT,CLUTCH RELEASE
€ 66.00
26
0916014003
ref: 26
09160-14054
WASHER (14.2X22X1)
€ 1.50
27
0928512002
ref: 27
09285-12006
OIL SEAL
€ 7.00
28
2311738200
ref: 28
PLATE,CLUTCH RRS CAMSHAFT SEAL
€ 5.50
29
2327149001
ref: 29
23271-45400
ARM,CLUTCH RELEASE
€ 31.50
30
0110706208
ref: 30
01500-06207
BOLT
€ 2.50
up
all assemblies
AIR CLEANER
BATTERY
CAM CHAIN
CAM SHAFT - VALVE
CARBURETOR
CHAIN CASE - SHOCK ABSORBER
CLUTCH
CRANK BALANCER
CRANKCASE
CRANKCASE COVER
CRANKSHAFT
CYLINDER
CYLINDER HEAD
ELECTRICAL
FOOTREST
FRAME
FRAME COVER (MODEL D)
FRAME COVER (MODEL Z)
FRONT FORK
FRONT WHEEL
FUEL COCK
FUEL TANK (MODEL D)
FUEL TANK (MODEL Z)
GEAR SHIFTING
HANDLEBAR
HEADLAMP
HEADLAMP HOUSING - FRONT FENDER
LEFT HANDLE SWITCH
MAGNETO
MUFFLER
OIL PUMP
REAR BRAKE
REAR COMBINATION
REAR FENDER
REAR SWINGING ARM
REAR WHEEL
RIGHT HANDLE SWITCH
SEAT
SPEEDOMETER
STAND
STARTER CLUTCH
STARTING MOTOR
STEERING STEM
TRANSMISSION
TURN SIGNAL LAMP
WIRING HARNESS
up