×
Buy Suzuki GP Parts Online
home
GP125 1979 (N) (E01 E02 E04 E06 E13 E17 E18 E21 E22 E24 30 35 41
* COLOR CHART *
0 products
* CATALOG PREFACE *
0 products
* CONVERSION CHART *
0 products
CYLINDER (GP125C, GP125UC)
13 products
CRANKCASE
16 products
CRANKCASE COVER
23 products
CRANKSHAFT
34 products
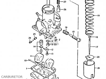
CARBURETOR
40 products
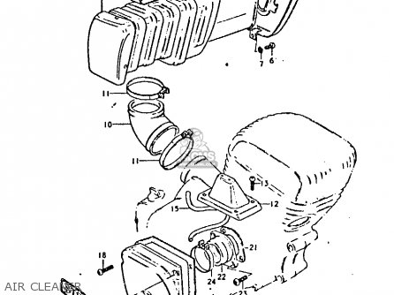
AIR CLEANER
16 products
AIR CLEANER (E2, E4, E17, E18, E21, E22, E24)
7 products
MUFFLER
8 products
OIL PUMP
26 products
CLUTCH
25 products
TRANSMISSION
32 products
GEAR SHIFTING
33 products
KICK STARTER
18 products
MAGNETO
7 products
MAGNETO (E2, E4, E17, E18, E21, E22)
14 products
MAGNETO (E24, E35)
15 products
MAGNETO (E13)
10 products
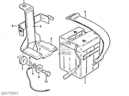
BATTERY
11 products
SPEEDOMETER (GP125UC, GP125UN)
24 products
SPEEDOMETER - TACHOMETER (E2)
17 products
SPEEDOMETER - TACHOMETER (E4)
17 products
SPEEDOMETER (E13)
19 products
HEADLAMP (GP125C, GP125UC)
10 products
HEADLAMP (E2)
13 products
HEADLAMP (E4)
9 products
HEADLAMP (E17, E18, E21, E22)
9 products
TURN SIGNAL LAMP (GP125UC, GP125UN)
9 products
TURN SIGNAL LAMP (E2)
7 products
TURN SIGNAL LAMP (E4)
8 products
TURN SIGNAL LAMP (E17, E21)
12 products
TURN SIGNAL LAMP (E18)
13 products
TURN SIGNAL LAMP (E22)
12 products
REAR COMBINATION LAMP (GP125C, GP125UC)
14 products
REAR COMBINATION LAMP (E2, E4, E18, E21)
6 products
REAR COMBINATION LAMP (E17, E22)
16 products
ELECTRICAL (1)
7 products
ELECTRICAL (2)
13 products
FRAME - OIL TANK
9 products
STAND - FOOTREST
21 products
STAND - FOOTREST (E18)
22 products
STAND - FOOTREST (E22)
22 products
REAR BRAKE
11 products
FUEL TANK (GP125C, GP125UC)
27 products
FUEL COCK
11 products
SEAT (GP125C, GP125UC)
8 products
FRAME COVER
13 products
FRAME COVER (GP125UCE14, GP125UNE14)
13 products
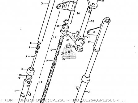
FRONT FORK(SHOWA)(GP125C ~F.NO.101264,GP125UC~F.NO.101622
33 products
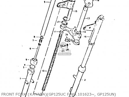
FRONT FORK(KAYABA)(GP125C F.NO.101265~,GP125UC F.NO.101623~
30 products
FRONT FORK (KAYABA)(GP125UC F.NO.101623~, GP125UN)
31 products
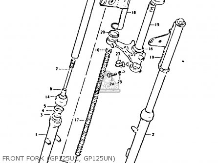
FRONT FORK (GP125UC, GP125UN)
32 products
FRONT FORK(SHOWA)(GP125C~F.NO.101264,GP125UC~F.NO.101622)
35 products
FRONT FORK (KAYABA)(GP125UC F.NO.101623~, GP125UN)
29 products
FRONT FORK(KAYABA)(GP125C F.NO.101265~,GP125UC F.NO.101623~)
29 products
FRONT FENDER (GP125UC, GP125UN)
9 products
FRONT WHEEL (GP125UC, GP125UN)
37 products
HANDLEBAR (GP125C, GP125UC)
24 products
RIGHT HANDLE SWITCH (GP125UC, GP125UN)
15 products
LEFT HANDLE SWITCH
19 products
LEFT HANDLE SWITCH
17 products
REAR SWINGING ARM
21 products
CHAIN CASE
8 products
REAR FENDER (GP125UC, GP125UN)
16 products
REAR WHEEL
39 products
OPTIONAL
22 products
up
popular products
3212048620
COIL, LIGHTING
Suzuki
2751148000
SPROCKET,ENGINE
Suzuki
1247139101
GASKET, INNER VALVE SEAT (NAS)
Suzuki
3512425324
LENS
Suzuki