×
Buy Suzuki GSF Parts Online
home
BATTERY
GSF400 BANDIT 1991 (M) USA (E03)
Battery diagram GSF400 BANDIT 1991 (M) USA (E03)
BATTERY GSF400 BANDIT 1991 (M) USA (E03)
×
prices are in EUR
ref
part #
description
quantity
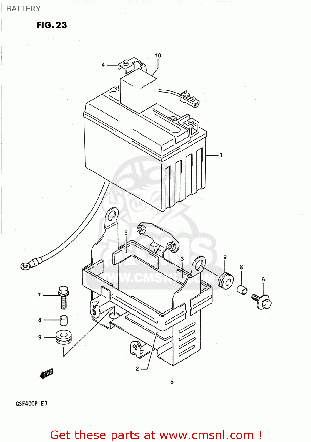
1
3361010D00
ref: 1
33610-33E20
BATTERY ASSEMBLY (12V) YTX
€ 136.50
2
3365219B00
ref: 2
CUSHION,BATTERY(80X27X3)
€ 5.00
3-1
3365229100
ref: 3-1
33651-37000
PROTECTOR,20X9
€ 5.50
3-2
3365137000
ref: 3-2
PROTECTOR(170X95X3.0)
€ 5.50
4
3386010D00
ref: 4
WIRE,BATTERY MINUS LEAD
€ 16.50
5-1
4154010D00
ref: 5-1
HOLDER COMP,BATTERY
€ 38.50
5-2
4154010D02
ref: 5-2
HOLDER,BATTERY
€ 38.50
6
0911606083
ref: 6
09116-06167
BOLT
€ 2.50
7
0151706204
ref: 7
01550-0620A
BOLT 6X20
€ 2.50
8
0918006103
ref: 8
SPACER(6.2X9X7.5)
€ 1.50
9
0932008007
ref: 9
09320-08021
CUSHION
€ 4.50
10
4457610D00
ref: 10
33652-01D20
CUSHION,BATTERY 35X35X
€ 4.00
up
all assemblies
AIR CLEANER
BATTERY
CAM CHAIN
CAM SHAFT-VALVE
CANISTER (CALIFORNIA ONLY)
CARBURETOR
CLUTCH
COWLING (OPTIONAL)
CRANKCASE
CRANKCASE COVER
CRANKSHAFT
CYLINDER
CYLINDER HEAD
CYLINDER HEAD COVER
ELECTRICAL
FOOTREST
FRAME
FRAME COVER
FRONT BRAKE HOSE
FRONT CALIPER
FRONT DAMPER
FRONT FENDER
FRONT MASTER CYLINDER (MODEL M/N)
FRONT MASTER CYLINDER (MODEL P)
FRONT WHEEL
FUEL COCK
FUEL TANK
GEAR SHIFTING
GENERATOR
HANDLE SWITCH
HANDLEBAR
HEADLAMP (MODEL M/N)
HEADLAMP (MODEL P)
HEADLAMP HOUSING
MUFFLER
OIL PAN-OIL PUMP
RADIATOR
RADIATOR HOSE
REAR CALIPER (MODEL M/N)
REAR CALIPER (MODEL P)
REAR COMBINATION LAMP
REAR CUSHION LEVER
REAR FENDER
REAR MASTER CYLINDER (MODEL M/N)
REAR MASTER CYLINDER (MODEL P)
REAR SWINGING ARM
REAR WHEEL
SEAT
SIGNAL GENERATOR
SPEEDOMETER
STAND
STARTER CLUTCH
STARTING MOTOR
STEERING STEM
TRANSMISSION
TURN SIGNAL LAMP
WATER PUMP
WIRING HARNESS
up