×
Buy Suzuki GSX Parts Online
home
GSX400FE 1981 (X) (E01 02 04 06 15 16 17 18 21 22 24 25 26 34 39
* COLOR CHART *
0 products
* CATALOG PREFACE *
0 products
* CONVERSION CHART *
0 products
CYLINDER HEAD COVER
15 products
CYLINDER HEAD
22 products
CYLINDER
4 products
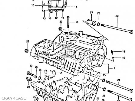
CRANKCASE
28 products
CRANKCASE COVER
27 products
OIL PUMP - OIL FILTER
23 products
CRANKSHAFT
33 products
STARTER CLUTCH
8 products
CAM SHAFT - VALVE
19 products
CAM CHAIN
16 products
CARBURETOR
54 products
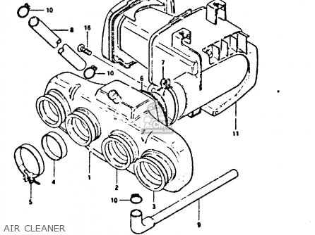
AIR CLEANER
16 products
MUFFLER
34 products
CLUTCH
27 products
TRANSMISSION
41 products
GEAR SHIFTING
45 products
STARTING MOTOR
17 products
GENERATOR
11 products
SIGNAL GENERATOR
11 products
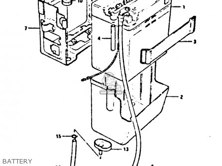
BATTERY
15 products
SPEEDOMETER - TACHOMETER
48 products
HEADLAMP (E2)
12 products
TURN SIGNAL LAMP (E2, E4, E17, E34)
27 products
REAR COMBINATIOM LAMP (E2, E4, E18, E21)
25 products
ELECTRICAL
23 products
WIRING HARNESS
26 products
FRAME
24 products
STAND
20 products
REAR BRAKE
22 products
FOOTREST
23 products
FUEL TANK
18 products
FUEL COCK
17 products
SEAT
10 products
SEAT TAIL COVER
24 products
FRAME COVER
22 products
FRONT FORK
29 products
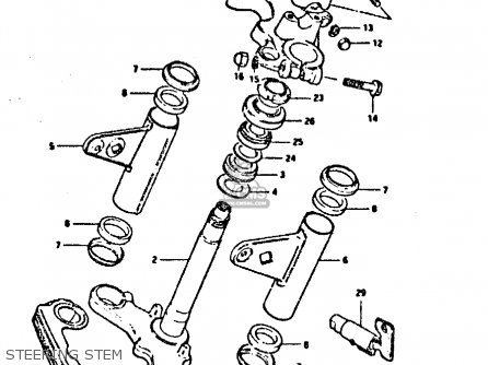
STEERING STEM
30 products
MEADLAMP HOUSING - FRONT FENDER
11 products
FRONT WHEEL
20 products
HANDLEBAR
19 products
RIGHT HANDLE SWITCH
16 products
LEFT HANDLE SWITCH
11 products
FRONT CALIPERS
19 products
MASTER CYLINDER
12 products
FRONT BRAKE HOSE
15 products
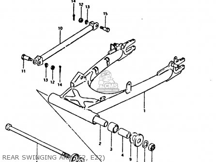
REAR SWINGING ARM (E2, E22)
15 products
CHAIN CASE - SHOCK ABSORBER
11 products
REAR FENDER
27 products
REAR WHEEL (E2)
32 products
REAR CARIPERS (E2, E22)
15 products
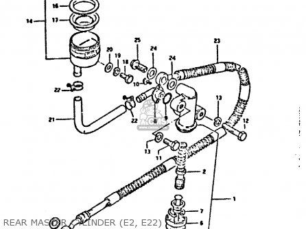
REAR MASTER CYLINDER (E2, E22)
25 products
OPTIONAL
21 products
up
popular products
0947112056
BULB 12V 21W
Suzuki
1149133201
GASKET,CONTACT BREAKER COVER (MCA)
Suzuki
1350333200
SPRING
Suzuki
1222911410020
METAL CRANKSHAFT (BROWN)
Suzuki