×
Buy Suzuki RF Parts Online
home
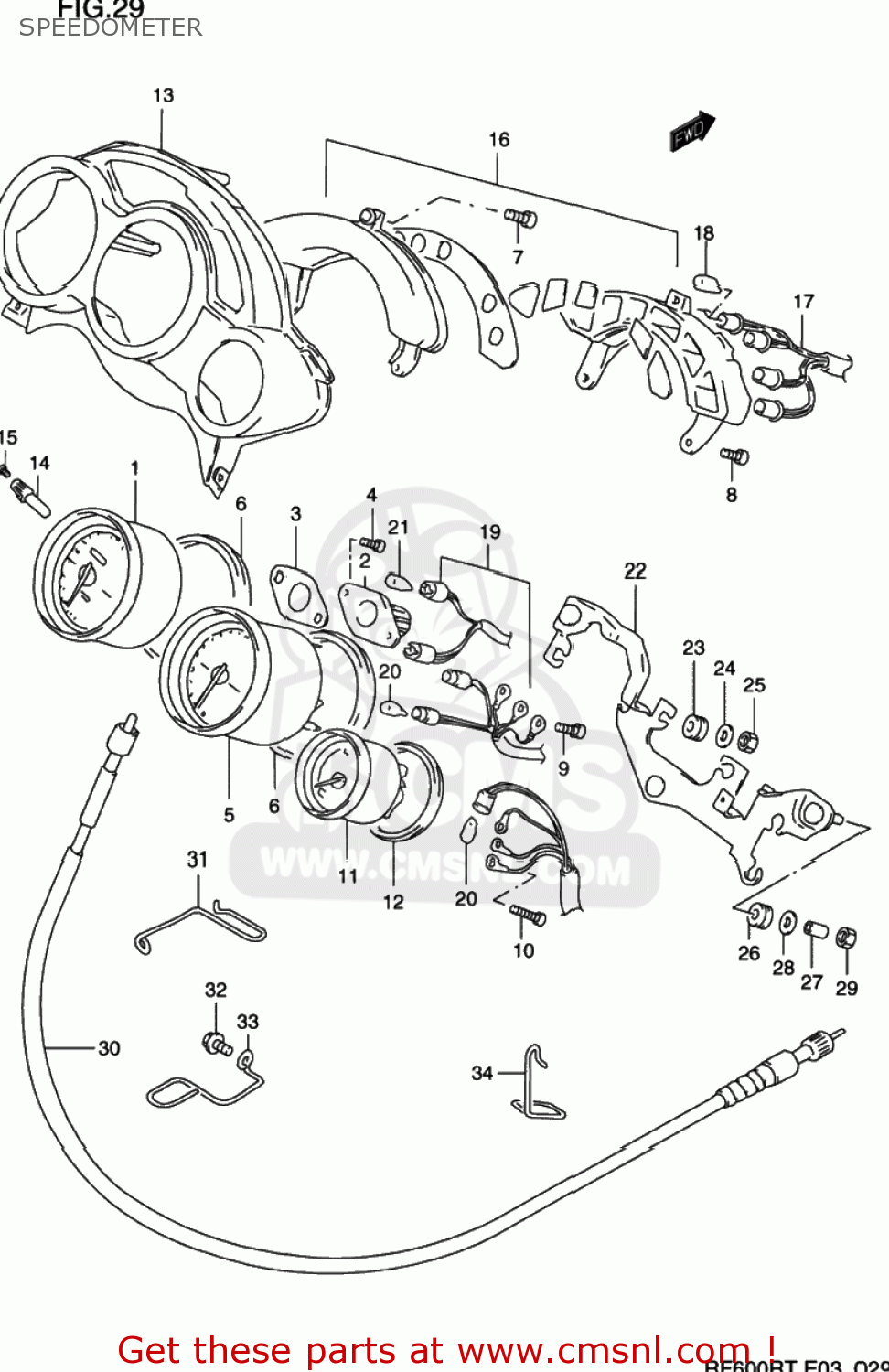
SPEEDOMETER
RF600R 1994 (R) USA (E03)
Speedometer diagram RF600R 1994 (R) USA (E03)
SPEEDOMETER RF600R 1994 (R) USA (E03)
×
prices are in EUR
ref
part #
description
quantity
1
3412021E20
ref: 1
SPEEDOMETER(MILE/KILO)
€ 372.50
2
3413148B10
ref: 2
GEAR BOX
€ 150.00
3
3413217C00
ref: 3
GASKET,METER GEAR BOX (NAS)
€ 5.50
4
0211274103
ref: 4
02112-7410B
SCREW
€ 2.50
5
3421021E10
ref: 5
TACHOMETER
€ 369.00
6
3419121E10
ref: 6
CUSHION,METER
€ 11.50
7-1
3418314A00
ref: 7-1
34184-12B00
SCREW
€ 2.00
7-2
3418412B00
ref: 7-2
SCREW
€ 2.00
8-1
3418321E00
ref: 8-1
03511-0416A
SCREW
€ 1.50
8-2
3418321E01
ref: 8-2
03511-0416A
SCREW
€ 1.50
9-1
3424917E10
ref: 9-1
SCREW (3X10)
€ 2.50
9-2
3414919D00
ref: 9-2
SCREW
€ 2.50
10
3438309400
ref: 10
SCREW(3X22)
€ 2.50
11-1
3442021E10
ref: 11-1
34420-21E20
METER,WATER TEMPERATURE
€ 144.00
11-2
3442021E20
ref: 11-2
METER,WATER TEMPERATURE
€ 144.00
12
3419121E20
ref: 12
CUSHION,TEMP METER
€ 12.50
13
3419021E10
ref: 13
VISOR
€ 77.00
14
3412421E10
ref: 14
KNOB,TRIP METER
€ 8.50
15-1
3498113A00
ref: 15-1
09139-02003
ROTOR,SPEED
€ 2.50
15-2
0913902003
ref: 15-2
SCREW(2X6)
€ 2.50
16
3638021E20
ref: 16
BOX ASSY,PILOT
€ 109.00
17-1
3639421E10
ref: 17-1
36394-21E11
CORD ASSEMBLY,PILOT BOX
€ 60.50
17-2
3639421E11
ref: 17-2
CORD ASSY,PILOT BOX
€ 60.50
18
0947112082
ref: 18
BULB(12V3.4W,T10,BF175-01450A)
€ 3.50
19
3417021E10
ref: 19
CORD ASSEMBLY
€ 107.00
20
0947112100
ref: 20
BULB(12V1.7W,WB372,T7)
€ 2.00
21
0947112108
ref: 21
BULB(12V1.7W,T6.5)
€ 2.00
22
3495021E12
ref: 22
BRACKET,METER
€ 122.50
23
3418921E10
ref: 23
CUSHION,METER
€ 3.50
24-1
3472741410
ref: 24-1
09160-04022
WASHER,METER
€ 2.00
24-2
0916004017
ref: 24-2
09160-04022
WASHER (4.3X13X0.80)
€ 2.00
25
0831000047
ref: 25
NUT
€ 2.00
26
0932008048
ref: 26
09320-08501
CUSHION
€ 3.00
27
0918006044
ref: 27
09180-06248
SPACER (6.1X8X9.5)
€ 2.50
28-1
0916006006
ref: 28-1
09160-06084
WASHER
€ 2.00
28-2
0916006028
ref: 28-2
WASHER(6.5X18X1)
€ 1.50
29-1
0831610063
ref: 29-1
08316-1006B
NUT
€ 2.50
29-2
0914006027
ref: 29-2
NUT
€ 1.50
30
3491047D21
ref: 30
CABLE ASSY,SPEEDOMETER
€ 63.50
31
3493821E00
ref: 31
GUIDE,SPEEDOMETER CABLE
€ 6.00
32
0155006123
ref: 32
01550-0612A
BOLT
€ 3.00
33
3493821E11
ref: 33
GUIDE,METER CABLE NO.2
€ 6.50
34
3493821E20
ref: 34
GUIDE,SPEEDOMETER CABLE
€ 7.50
up
all assemblies
AIR CLEANER
ALTERNATOR (MODEL R)
ALTERNATOR (MODEL S/T)
BATTERY
CAM CHAIN
CAM SHAFT - VALVE
CANISTER (CALIFORNIA ONLY)
CARBURETOR
CARBURETOR FITTINGS
CLUTCH
COWLING BODY
CRANKCASE
CRANKCASE COVER
CRANKSHAFT
CYLINDER
CYLINDER HEAD
CYLINDER HEAD COVER
ELECTRICAL
FOOTREST
FRAME
FRAME COVER
FRONT BRAKE HOSE
FRONT CALIPERS
FRONT DAMPER
FRONT FENDER
FRONT MASTER CYLINDER
FRONT WHEEL
FUEL COCK
FUEL PUMP
FUEL TANK
GEAR SHIFTING
HANDLE BAR
HANDLE LEVER
HANDLE SWITCH
HEADLAMP
INSTALLATION PARTS
LABEL
MUFFLER (MODEL R)
MUFFLER (MODEL S/T)
OIL COOLER - OIL FILTER
OIL PAN - OIL PUMP
RADIATOR
RADIATOR HOSE
REAR CALIPER (MODEL R)
REAR CALIPER (MODEL S)
REAR CALIPER (MODEL T)
REAR CUSHION LEVER
REAR FENDER
REAR MASTER CYLINDER
REAR SWINGING ARM (MODEL R/S)
REAR SWINGING ARM (MODEL T)
REAR WHEEL
SEAT
SECOND AIR (CALIFORNIA ONLY)
SIGNAL GENERATOR
SPEEDOMETER
STAND
STARTER CLUTCH
STARTING MOTOR
STEERING STEM
TAIL LAMP
TRANSMISSION
TURNSIGNAL LAMP
UNDER COWLING BODY (MODEL R)
UNDER COWLING BODY (MODEL S/T)
WATER PUMP
WIRING HARNESS
up