prices are in EUR
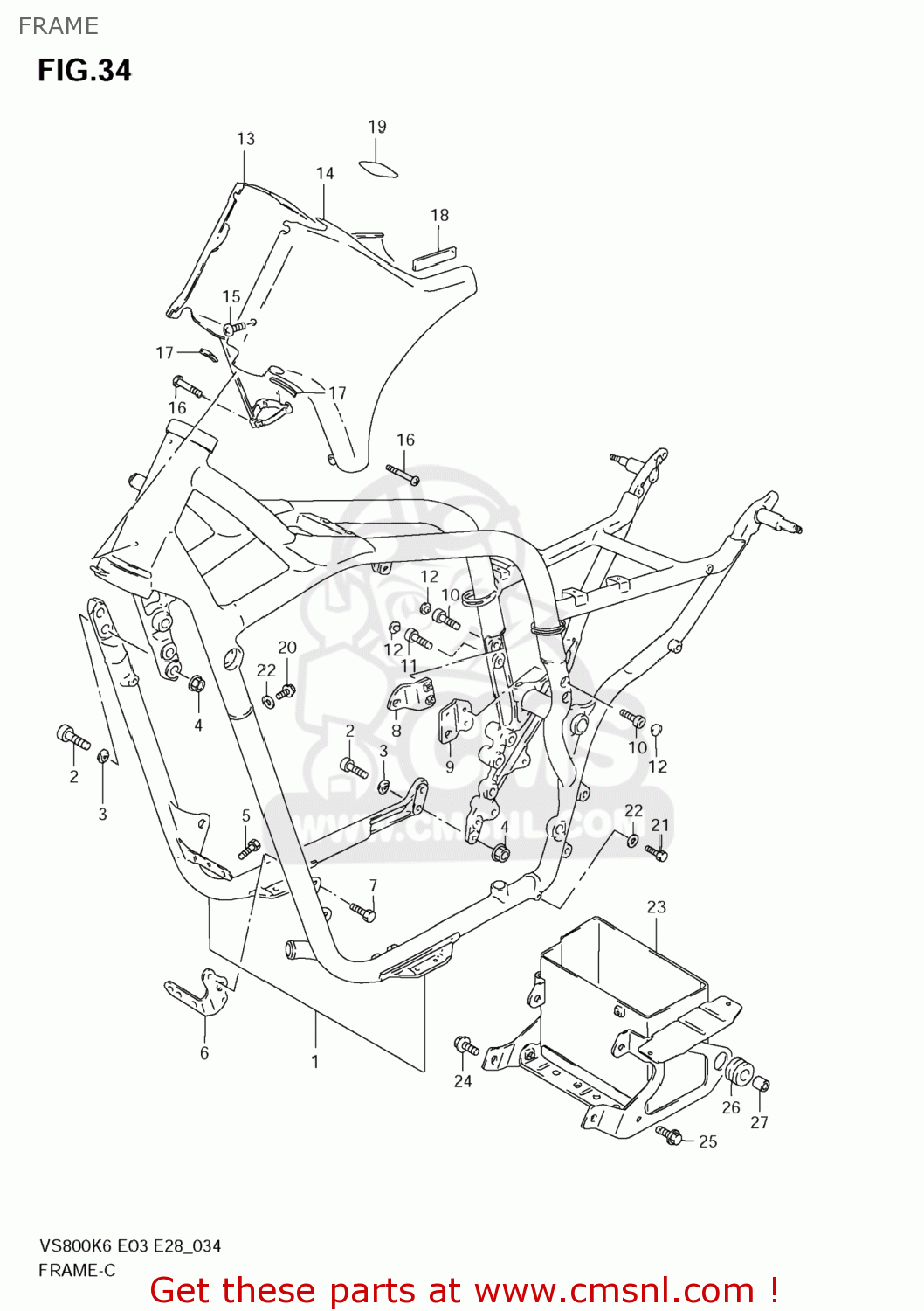
ref
part #
description
quantity
 
2
BOLT(10X33)
 
 
 
3
WASHER
 
 
 
4
NUT
 
 
 
6
PLATE,ENGINE MOUNT NO.1,L
 
 
 
7
BOLT
 
 
 
8
PLATE,ENGINE MOUNT NO.3,R
 
 
 
9
PLATE,ENGINE MOUNT NO.3,L
 
 
 
10
BOLT(8X30)
 
 
 
12
CAP(OD:14.5)
 
 
 
13-1
COVER,FRAME HEAD,R(BLACK)
 
13-2
COVER,FRAME HEAD,R(SILVER)
 
13-3
COVER,FRAME HEAD,R(RED)
 
13-4
COVER,FRAME HEAD,R(WHITE)
 
13-5
COVER,FRAME HEAD,R(SILVER)
 
13-6
COVER,FRAME HEAD,R(BLUE)
 
14-1
COVER,FRAME HEAD,L(BLACK)
 
14-2
COVER,FRAME HEAD,L(SILVER)
 
14-3
COVER,FRAME HEAD,L(RED)
 
14-4
COVER,FRAME HEAD,L(WHITE)
 
14-5
COVER,FRAME HEAD,L(SILVER)
 
14-6
COVER,FRAME HEAD,L(BLUE)
 
16
SCREW
 
 
 
17
MOLDING
 
 
 
19
TAPE,FRAME HEAD COVER
 
 
 
20
UNION BOLT,AIR VENT
 
 
 
21
BOLT
 
 
 
22
GASKET(6.4X11.5X0.8) (NAS)
 
 
 
23
HOLDER,BATTERY
 
 
 
25
BOLT
 
 
 
26
CUSHION
 
 
 
27
BUSH
