prices are in EUR
ref
part #
description
quantity
 
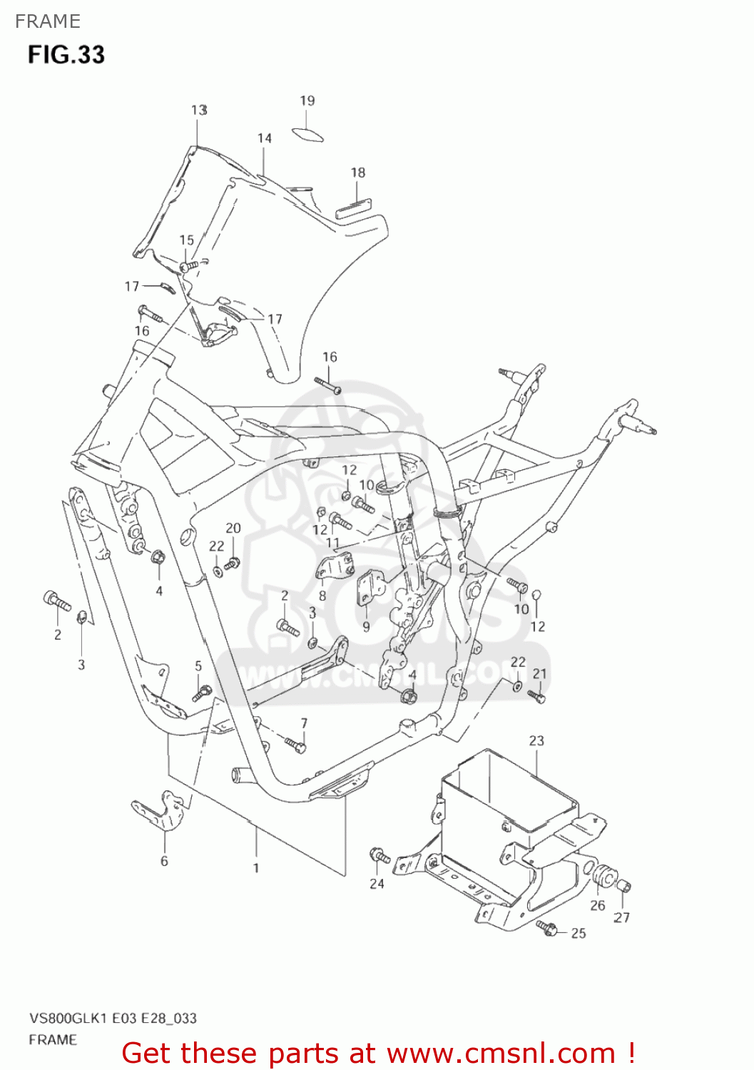
2
BOLT(10X33)
 
 
 
3
WASHER
 
 
 
4
NUT
 
 
 
6
PLATE,ENGINE MOUNT NO.1,L
 
 
 
7
BOLT
 
 
 
8
PLATE,ENGINE MOUNT NO.3,R
 
 
 
9
PLATE,ENGINE MOUNT NO.3,L
 
 
 
10
BOLT(8X30)
 
 
 
11
BOLT
 
 
 
12
CAP(OD:14.5)
 
 
 
13-1
COVER,FRAME HEAD,R(BLACK)
 
13-2
COVER,FRAME HEAD,R(RED)
 
13-3
COVER,FRAME HEAD,RIGHT
 
13-4
COVER,FRAME HEAD,R(SILVER)
 
13-5
COVER,FRAME HEAD,R(BLACK)
 
13-6
COVER,FRAME HEAD,R(GRAY)
 
14-1
COVER,FRAME HEAD,LEFT
 
 
 
14-2
COVER,FRAME HEAD,L(RED)
 
14-3
COVER,FRAME HEAD,LEFT
 
14-4
COVER,FRAME HEAD,L(SILVER)
 
14-5
COVER,FRAME HEAD,L(BLACK)
 
14-6
COVER,FRAME HEAD,L(GRAY)
 
15
SCREW 6X10
 
 
 
16
SCREW
 
 
 
17
MOLDING
 
 
 
18
PROTECTOR(80X80X2)
 
 
 
19
TAPE,FRAME HEAD COVER
 
 
 
20
UNION BOLT,AIR VENT
 
 
 
21
BOLT
 
 
 
22
GASKET(6.4X11.5X0.8) (NAS)
 
 
 
23
HOLDER,BATTERY
 
 
 
25
BOLT
 
 
 
26
CUSHION
 
 
 
27
BUSH
