×
Buy Suzuki GS Parts Online
home
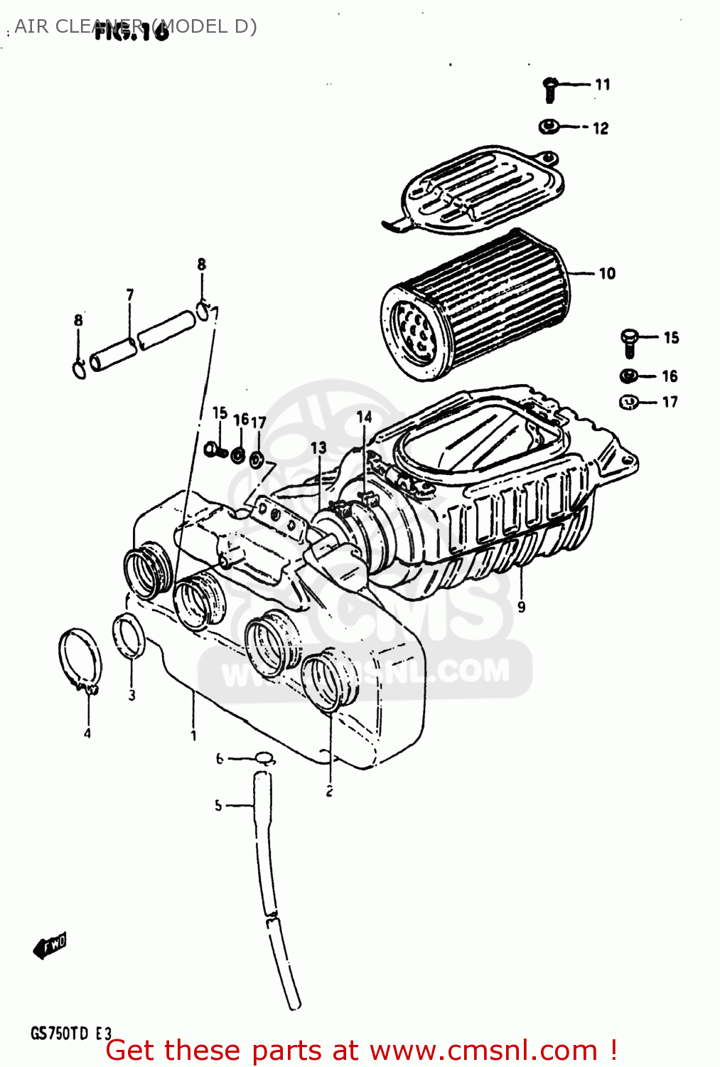
AIR CLEANER (MODEL D)
GS750T 1982 (Z) USA (E03)
Air cleaner (model d) diagram GS750T 1982 (Z) USA (E03)
AIR CLEANER (MODEL D) GS750T 1982 (Z) USA (E03)
×
prices are in EUR
ref
part #
description
quantity
1
1371045910
ref: 1
13710-45900
CASE COMP,AIR CLEANER
€ 71.50
2
1388145450
ref: 2
TUBE,OUTLET
€ 25.50
3
1388545450
ref: 3
RING
€ 8.00
4
0940260306
ref: 4
09402-60208
CLAMP
€ 5.00
5
1387000010
ref: 5
13870-11458
DRAIN TUBE
€ 15.00
6
0940114301
ref: 6
CLIP
€ 2.00
7
1385100240
ref: 7
09352-11153-00B
TUBE,BREATHER
€ 37.00
8
0940114301
ref: 8
CLIP
€ 2.00
9
1370045810
ref: 9
CLEANER SET,AIR,REAR
€ 176.50
10
1378045500
ref: 10
FILTER,AIR CLEANER
€ 41.00
11
0211205128
ref: 11
02112-05127
SCREW
€ 2.50
12
0832221058
ref: 12
08322-01057
WASHER
€ 2.50
13
1379549000
ref: 13
HOSE,AIR CLEANER
€ 42.00
14
1379649000
ref: 14
BAND
€ 7.00
15
0110706208
ref: 15
01500-06207
BOLT
€ 2.50
16
0832121068
ref: 16
08321-01067
LOCK WASHER
€ 2.50
17
0832221068
ref: 17
08322-01067
WASHER
€ 2.50
up
all assemblies
AIR CLEANER (MODEL D)
AIR CLEANER (MODEL Z)
BATTERY
CALIPERS (MODEL D)
CALIPERS (MODEL Z)
CAM CHAIN (MODEL D)
CAM CHAIN (MODEL Z)
CAM SHAFT - VALVE
CARBURETOR
CHAIN CASE
CLUTCH
CRANKCASE (MODEL D)
CRANKCASE (MODEL Z)
CRANKCASE COVER
CRANKSHAFT
CYLINDER
CYLINDER HEAD
CYLINDER HEAD COVER (MODEL D)
CYLINDER HEAD COVER (MODEL Z)
ELECTRICAL
FOOTREST
FRAME
FRAME COVER (MODEL D)
FRAME COVER (MODEL Z)
FRONT BRAKE HOSE
FRONT FORK
FRONT MASTER CYLINDER
FRONT WHEEL (MODEL D)
FRONT WHEEL (MODEL Z)
FUEL COCK
FUEL TANK (MODEL D)
FUEL TANK (MODEL Z)
GEAR SHIFTING
GENERATOR
HANDLEBAR
HEADLAMP
HEADLAMP HOUSING - FRONT FENDER
LEFT HANDLE SWITCH (MODEL D)
LEFT HANDLE SWITCH (MODEL Z)
MUFFLER
OIL PUMP - OIL FILTER
REAR COMBINATION LAMP
REAR FENDER
REAR SWINGING ARM
REAR WHEEL (MODEL D)
REAR WHEEL (MODEL Z)
RIGHT HANDLE SWITCH (MODEL D)
RIGHT HANDLE SWITCH (MODEL Z)
SEAT
SIGNAL GENERATOR
SPEEDOMETER - TACHOMETER
STAND
STARTER CLUTCH
STARTING MOTOR
STEERING STEM
TRANSMISSION
TURN SIGNAL LAMP (MODEL D)
TURN SIGNAL LAMP (MODEL Z)
WIRING HARNESS
up