×
Buy Suzuki GS Parts Online
home
ELECTRICAL
GS750T 1982 (Z) USA (E03)
Electrical diagram GS750T 1982 (Z) USA (E03)
ELECTRICAL GS750T 1982 (Z) USA (E03)
×
prices are in EUR
ref
part #
description
quantity
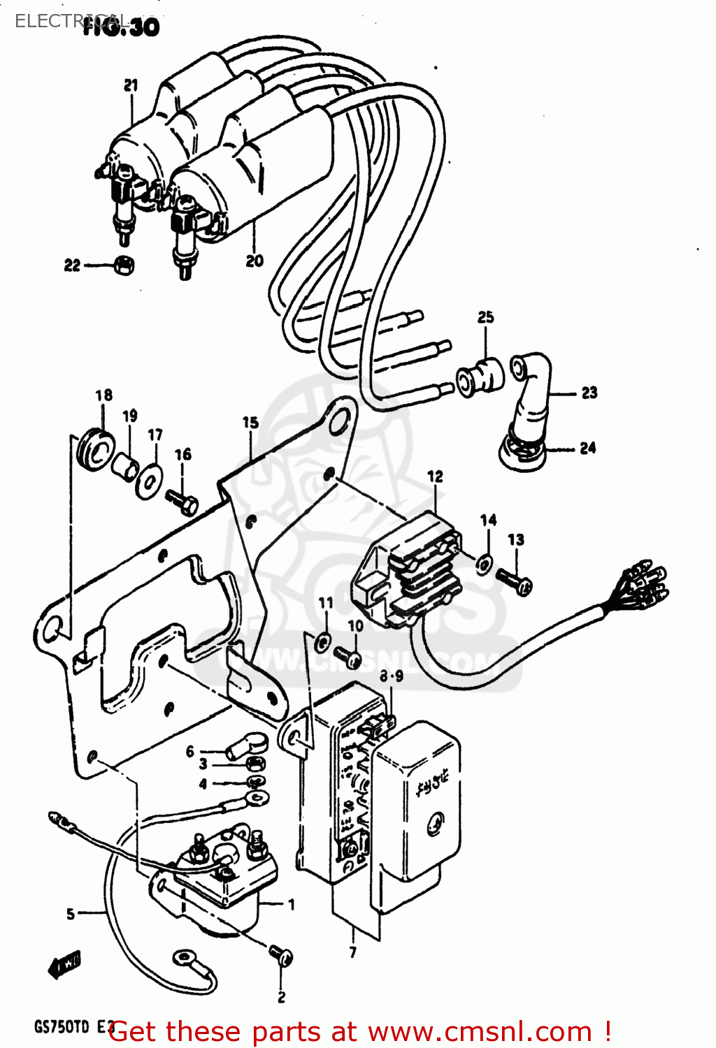
1
3180037020
ref: 1
RELAY ASSY,STARTING MOTOR
€ 114.00
2
0211206108
ref: 2
02112-06107
SCREW
€ 1.50
3
0831022068
ref: 3
08310-00067
NUT 6MM
€ 2.50
4
0832121068
ref: 4
08321-01067
LOCK WASHER
€ 2.50
5-1
3385044110
ref: 5-1
33850-03201
CORD,BATTERY MINUS
€ 9.50
5-2
3385049002
ref: 5-2
33850-03201
WIRE,STARTER MOTOR LEAD
€ 9.50
6
3186135100
ref: 6
31861-48B10
CAP,STARTER RELAY
€ 5.00
7
3674049400
ref: 7
36740-45D00
BOX ASSEMBLY,FUSE
€ 69.50
8
0948110101
ref: 8
FUSE(10A)
€ 2.50
9
0948115101
ref: 9
FUSE(15A)
€ 1.50
10
0211206128
ref: 10
02112-06127
SCREW 6X12
€ 2.50
11
0832221068
ref: 11
08322-01067
WASHER
€ 2.50
12
3280047120
ref: 12
32800-47121
RECTIFIER ASSEMBLY
€ 248.00
13
0211206208
ref: 13
02112-06207
SCREW
€ 2.00
14
0832221068
ref: 14
08322-01067
WASHER
€ 2.50
15
4741045900
ref: 15
HOLDER COMP,ELECTRONIC PARTS
€ 9.00
16
0110706168
ref: 16
01500-06167
BOLT, UPPER
€ 3.00
17
0916006063
ref: 17
09160-06054
WASHER (6.5X22X1.6)
€ 2.00
18
0932008013
ref: 18
CUSHION
€ 4.50
19
0918007005
ref: 19
09180-06259
SPACER (7X9X7)
€ 3.00
20
3341049210
ref: 20
33410-31311
COIL ASSEMBLY,IGNITION
€ 192.50
21
3342049210
ref: 21
33410-31311
COIL ASSEMBLY,IGNITION
€ 192.50
22
0831011068
ref: 22
08310-00067
NUT
€ 2.50
23
3351045010
ref: 23
CAP ASSY,SPARK PLUG
€ 25.00
24
3354132410
ref: 24
33541-38210
SEAL,SPARK PLUG
€ 8.00
25
3354298000
ref: 25
33542-38B00
SEAL,SPARK PLU
€ 5.00
up
all assemblies
AIR CLEANER (MODEL D)
AIR CLEANER (MODEL Z)
BATTERY
CALIPERS (MODEL D)
CALIPERS (MODEL Z)
CAM CHAIN (MODEL D)
CAM CHAIN (MODEL Z)
CAM SHAFT - VALVE
CARBURETOR
CHAIN CASE
CLUTCH
CRANKCASE (MODEL D)
CRANKCASE (MODEL Z)
CRANKCASE COVER
CRANKSHAFT
CYLINDER
CYLINDER HEAD
CYLINDER HEAD COVER (MODEL D)
CYLINDER HEAD COVER (MODEL Z)
ELECTRICAL
FOOTREST
FRAME
FRAME COVER (MODEL D)
FRAME COVER (MODEL Z)
FRONT BRAKE HOSE
FRONT FORK
FRONT MASTER CYLINDER
FRONT WHEEL (MODEL D)
FRONT WHEEL (MODEL Z)
FUEL COCK
FUEL TANK (MODEL D)
FUEL TANK (MODEL Z)
GEAR SHIFTING
GENERATOR
HANDLEBAR
HEADLAMP
HEADLAMP HOUSING - FRONT FENDER
LEFT HANDLE SWITCH (MODEL D)
LEFT HANDLE SWITCH (MODEL Z)
MUFFLER
OIL PUMP - OIL FILTER
REAR COMBINATION LAMP
REAR FENDER
REAR SWINGING ARM
REAR WHEEL (MODEL D)
REAR WHEEL (MODEL Z)
RIGHT HANDLE SWITCH (MODEL D)
RIGHT HANDLE SWITCH (MODEL Z)
SEAT
SIGNAL GENERATOR
SPEEDOMETER - TACHOMETER
STAND
STARTER CLUTCH
STARTING MOTOR
STEERING STEM
TRANSMISSION
TURN SIGNAL LAMP (MODEL D)
TURN SIGNAL LAMP (MODEL Z)
WIRING HARNESS
up