×
Buy Suzuki GS Parts Online
home
ELECTRICAL
GS850GL 1980 (T) USA (E03)
Electrical diagram GS850GL 1980 (T) USA (E03)
ELECTRICAL GS850GL 1980 (T) USA (E03)
×
prices are in EUR
ref
part #
description
quantity
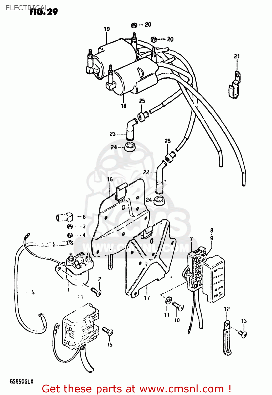
1
3180037020
ref: 1
RELAY ASSY,STARTING MOTOR
€ 114.00
2
0211206108
ref: 2
02112-06107
SCREW
€ 1.50
3
0831022068
ref: 3
08310-00067
NUT 6MM
€ 2.50
4
0832121068
ref: 4
08321-01067
LOCK WASHER
€ 2.50
5
3385010300
ref: 5
33850-00A01
WIRE,STARTER MOTOR LEAD
€ 28.00
6
3186135100
ref: 6
31861-48B10
CAP,STARTER RELAY
€ 5.00
7-1
3674049200
ref: 7-1
36740-49X02
BOX ASSEMBLY,FUSE
€ 94.00
7-2
3674049100
ref: 7-2
36740-49X01
BOX ASSEMBLY,FUSE
€ 39.00
8
0948110001
ref: 8
FUSE(10A)
€ 2.00
9
0948115001
ref: 9
FUSE(15A)
€ 3.00
10-1
0211206168
ref: 10-1
02112-06167
SCREW
€ 2.50
10-2
0211206128
ref: 10-2
02112-06127
SCREW 6X12
€ 2.50
11
0832221068
ref: 11
08322-01067
WASHER
€ 2.50
12
0940406401
ref: 12
09404-06432
CLAMP L:35
€ 3.00
13
0211206088
ref: 13
02112-06087
SCREW
€ 2.00
14
3280045210
ref: 14
32800-49X50
RECTIFIER ASSEMBLY
€ 397.00
15
0211206128
ref: 15
02112-06127
SCREW 6X12
€ 2.50
16
4741045101
ref: 16
HOLDER COMP,ELECTRONIC PARTS
€ 39.50
17
4741045300
ref: 17
HOLDER COMP,ELECTRONIC PARTS
€ 7.00
18
3341045110
ref: 18
33410-45112
COIL ASSEMBLY,IGNITION
€ 133.50
19
3342045110
ref: 19
33410-45112
COIL ASSEMBLY,IGNITION
€ 133.50
20
0831011068
ref: 20
08310-00067
NUT
€ 2.50
21
0940306307
ref: 21
CLAMP
€ 5.00
22
3351045010
ref: 22
CAP ASSY,SPARK PLUG
€ 25.00
23
3351043010
ref: 23
CAP,SPARK PLUG
€ 12.50
24
3354169010
ref: 24
SEAL,SPARK PLUG
€ 5.50
25
3354298000
ref: 25
33542-38B00
SEAL,SPARK PLU
€ 5.00
up
all assemblies
AIR CLEANER (MODEL T)
AIR CLEANER (MODEL X)
BATTERY
CAM CHAIN
CAM SHAFT - VALVE
CARBURETOR
CLUTCH
CRANKCASE
CRANKCASE COVER
CRANKSHAFT
CYLINDER
CYLINDER HEAD
CYLINDER HEAD COVER
ELECTRICAL
FOOTREST (MODEL T)
FOOTREST (MODEL X)
FRAME (MODEL T)
FRAME (MODEL X)
FRAME COVER (MODEL T)
FRAME COVER (MODEL X)
FRONT BRAKE HOSE
FRONT CALIPERS
FRONT FORK (MODEL T)
FRONT FORK (MODEL X)
FRONT MASTER CYLINDER
FRONT WHEEL (MODEL T)
FRONT WHEEL (MODEL X)
FUEL TANK (MODEL T)
FUEL TANK (MODEL X)
GEAR SHIFTING
GENERATOR
HANDLEBAR - FRONT FLNDER
HEADLAMP
HEADLAMP HOUSING - FRONT FENDER (MODEL T)
HEADLAMP HOUSING - FRONT FENDER (MODEL X)
LEFT HANDLE SWITCH
MUFFLER (MODEL T)
MUFFLER (MODEL X)
OIL PUMP - OIL FILTER
PROPELLER SHAFT - FINAL DRIVE GEAR
REAR CALIPERS
REAR COMBINATION
REAR FENDER
REAR MASTER CYLINDER (MODEL T)
REAR MASTER CYLINDER (MODEL X)
REAR SWINGING ARM (MODEL T)
REAR SWINGING ARM (MODEL X)
REAR WHEEL (MODEL T)
REAR WHEEL (MODEL X)
RIGHT HANDLE SWITCH
SEAT (MODEL T)
SEAT (MODEL X)
SECONDARY DRIVE GEAR
SIGNAL GENERATOR
SPEEDOMETER - TACHOMETER
STAND (MODEL T)
STAND (MODEL X)
STARTER CLUTCH
STARTING MOTOR
STEERING STEM (MODEL T)
STEERING STEM (MODEL X)
TRANSMISSION
TURN SIGNAL LAMP
WIRING HARNESS
up