Buy Suzuki GSX Parts Online

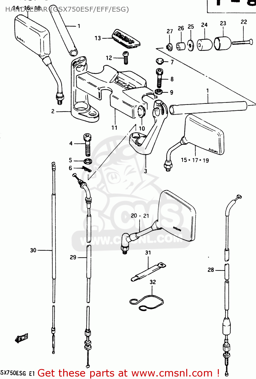
HANDLEBAR (GSX750ESF/EFF/ESG)

GSX750EF 1985 (F) (E01 E02 E04 06 15 16 17 18 21 22 24 25 34 39)

Handlebar (gsx750esf/eff/esg) diagram GSX750EF 1985 (F) (E01 E02 E04 06 15 16 17 18 21 22 24 25 34 39)

HANDLEBAR (GSX750ESF/EFF/ESG) GSX750EF 1985 (F) (E01 E02 E04 06 15 16 17 18 21 22 24 25 34 39)
HANDLEBAR (GSX750ESF/EFF/ESG) GSX750EF 1985 (F) (E01 E02 E04 06 15 16 17 18 21 22 24 25 34 39)
HANDLEBAR (GSX750ESF/EFF/ESG) GSX750EF 1985 (F) (E01 E02 E04 06 15 16 17 18 21 22 24 25 34 39)
prices are in EUR
ref
part #
description
quantity
1
5611131330
ref: 1
HANDLEBAR
5611131330
€ 20.00

2
5621131301
ref: 2

FLAT TYPE
HOLDER,HANDLEBAR,RIGHT
5621131301
€ 163.50

3
5622131301
ref: 3

FLAT TYPE
HOLDER,HANDLEBAR,LEFT
5622131301
€ 163.50

4
0910610024
ref: 4
BOLT 10X50
€ 3.00

5
0916410005
ref: 5
WASHER
0916410005
€ 7.50

6
0938510005
ref: 6
CLIP
0938510005
€ 2.00

7
0925006004
ref: 7
CAP(OD:14.5)
0925006004
€ 2.00

8
0711008355
ref: 8
BOLT 8X35
0711008355
€ 4.50

9
0916408015
ref: 9
WASHER
0916408015
€ 3.50

10
5721543401
ref: 10
CAP,GRIP END
5721543401
€ 5.00

11
5617031310
ref: 11
PAD,HANDLE
5617031310
€ 27.50

12
0211206167
ref: 12
SCREW
0211206167
€ 2.50

13
5617400A00
ref: 13
CAP,HANDLE PAD
5617400A00
€ 8.00

14
5650031301
ref: 14
MIRROR ASSEMBLY,RIGHT
€ 48.50

15
5660031301
ref: 15
MIRROR ASSEMBLY,REAR VIEW
€ 47.00

16
5650031311
ref: 16

E22,E25
MIRROR, REAR VIEW RH
€ 48.50

17
5660031311
ref: 17

E22,E25
MIRROR, REAR VIEW LH
€ 47.00

18
5650031321
ref: 18

E16,E18,E24
MIRROR, REAR VIEW RH
€ 173.50

19
5660031321
ref: 19

E16,E18,E24
MIRROR, REAR VIEW LH
5660031321
€ 43.50

20
5650010020
ref: 20

E2,E4,E21
MIRROR ASSEMBLY,REAR VIEW
5650010020
€ 90.00

21
5660010020
ref: 21

E2,E4,E21
MIRROR ASSEMBLY,REAR VIEW
5660010020
€ 92.00

22
0213206655
ref: 22
SCREW 6X65
0213206655
€ 3.00

23
5627431300
ref: 23
CAP,BALANCER
5627431300
€ 223.50

24
5627149400
ref: 24
BALANCER,HANDLE
5627149400
€ 21.50

25
5627534400
ref: 25
SPACER,BALANCER
5627534400
€ 3.00

26
5627204700
ref: 26
EXPANDER,BALANCER
5627204700
€ 5.50

27
0915906024
ref: 27
NUT
0915906024
€ 2.50

28
5820031300
ref: 28

FLAT TYPE
CABLE ASSY,CLUTCH
5820031300
€ 22.50

29
5830031301
ref: 29

FLAT TYPE
CABLE ASSY,THROTTLE
5830031301
€ 26.50

30
5841031300
ref: 30

FLAT TYPE
CABLE COMP,STARTER
5841031300
€ 14.00

31
0940718301
ref: 31
CLAMP
0940718301
€ 7.00

32
5862131310
ref: 32
GUIDE,CABLE/HARNESS
€ 0.00