×
Buy Suzuki GSXR Parts Online
home
ELECTRICAL
GSXR750 1992 (N) USA (E03)
Electrical diagram GSXR750 1992 (N) USA (E03)
ELECTRICAL GSXR750 1992 (N) USA (E03)
×
prices are in EUR
ref
part #
description
quantity
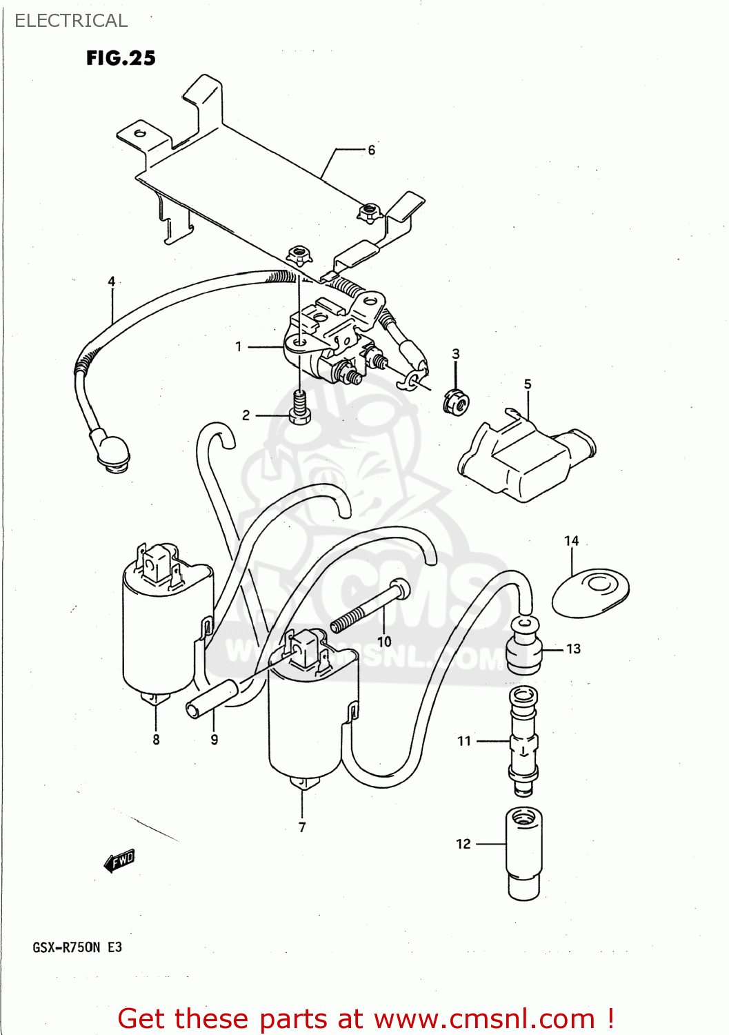
1
3180049100
ref: 1
RELAY ASSY,STARTING MOTOR
€ 89.00
2
0912806013
ref: 2
SCREW(6X8)
€ 1.50
3
0836135066
ref: 3
08361-3506A
NUT
€ 2.00
4
3381018D00
ref: 4
33810-41C00
WIRE,STARTER MOTOR
€ 29.00
5
3186110D10
ref: 5
CAP,STARTER RELAY
€ 6.50
6
4741018D00
ref: 6
HOLDER COMP,ELECTRONIC PARTS
€ 13.00
7
3341017C00
ref: 7
33410-17C01
COIL ASSEMBLY,IGNITION (1-4)
€ 199.00
8-1
3342017C00
ref: 8-1
33410-17C01
COIL ASSEMBLY,IGNITION (2-3)
€ 199.00
8-2
3342017C10
ref: 8-2
33410-17C01
COIL ASSEMBLY,IGNITION
€ 199.00
9
0918006146
ref: 9
09180-06146-XC0
SPACER (6.5X10.5X31.7)
€ 3.50
10
0211206556
ref: 10
02112-0655B
SCREW
€ 2.00
11
3351007D00
ref: 11
CAP,SPARK PLUG
€ 42.00
12
3354120C00
ref: 12
SEAL,SPARK PLUG
€ 19.50
13
3354238B00
ref: 13
SEAL,HIGH TENSION CORD
€ 4.50
14
3354348B00
ref: 14
COVER,SPARK PLUG CAP
€ 12.50
up
all assemblies
AIR CLEANER
ALTERNATOR
BATTERY
CAM CHAIN
CAM SHAFT / VALVE
CANISTER (CALIFORNIA ONLY)
CARBURETOR (CALIFORNIA ONLY)
CARBURETOR (OTHER THAN CALIFORINA)
CARBURETOR FITTINGS (CALIFORNIA ONLY)
CARBURETOR FITTINGS (OTHER THAN CALIFORNIA)
CLUTCH
COWLING BODY (MODEL M 05X)
COWLING BODY (MODEL M 3SL)
COWLING BODY (MODEL N 3WC)
COWLING BODY (MODEL N L97)
COWLING FITTING SET
CRANKCASE
CRANKCASE COVER
CRANKSHAFT
CYLINDER
CYLINDER HEAD
CYLINDER HEAD COVER
ELECTRICAL
FOOTREST
FRAME
FRAME COVER (MODEL M)
FRAME COVER (MODEL N)
FRONT BRAKE HOSE
FRONT CALIPERS
FRONT DAMPER
FRONT FENDER
FRONT MASTER CYLINDER
FRONT WHEEL
FUEL COCK
FUEL TANK (MODEL M)
FUEL TANK (MODEL N)
GEAR SHIFTING
HANDLE SWITCH
HANDLEBAR
HEADLAMP
MUFFLER
OIL COOLER
OIL PAN
OIL PUMP
REAR CALIPER
REAR CUSHION LEVER
REAR FENDER
REAR MASTER CYLINDER
REAR SWINGING ARM
REAR WHEEL
SEAT
SECOND AIR (CALIFORNIA ONLY)
SIGNAL GENERATOR
SPEEDOMETER
STAND
STARTER CLUTCH
STARTING MOTOR
STEERING DAMPER
STEERING STEM
TAIL LAMP
TRANSMISSION
TURNSIGNAL LAMP
WIRING HARNESS
up