Buy Suzuki LS Parts Online

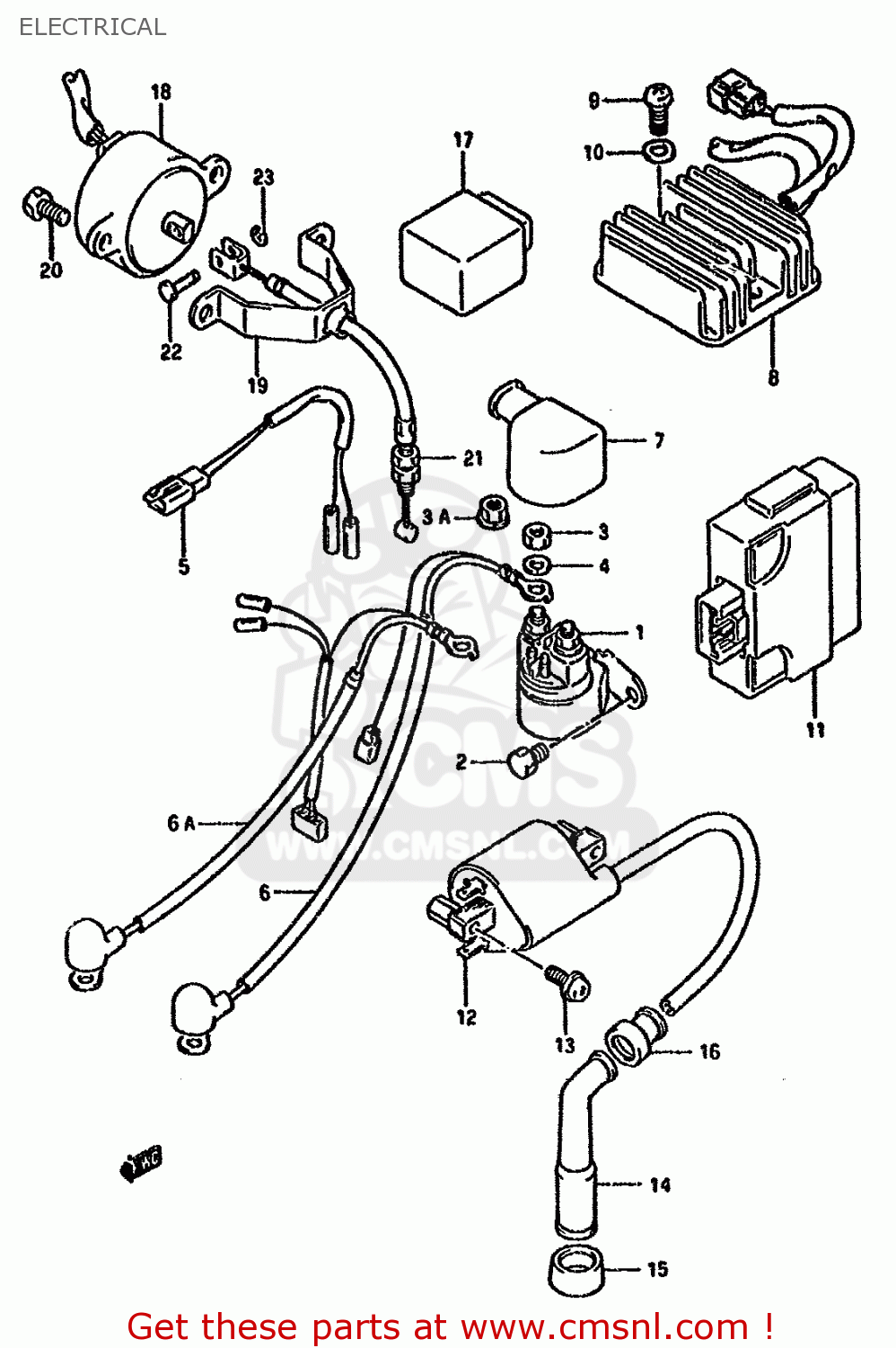
ELECTRICAL

LS650P 1986 (G) (E02 E04 E15 E16 E17 E18 E21 E22 E24 E25 E34 39)

Electrical diagram LS650P 1986 (G) (E02 E04 E15 E16 E17 E18 E21 E22 E24 E25 E34 39)

ELECTRICAL LS650P 1986 (G) (E02 E04 E15 E16 E17 E18 E21 E22 E24 E25 E34 39)
ELECTRICAL LS650P 1986 (G) (E02 E04 E15 E16 E17 E18 E21 E22 E24 E25 E34 39)
ELECTRICAL LS650P 1986 (G) (E02 E04 E15 E16 E17 E18 E21 E22 E24 E25 E34 39)
prices are in EUR
ref
part #
description
quantity
1
3180049100
ref: 1
RELAY ASSY,STARTING MOTOR
3180049100
€ 97.00

2-1
0110706106
ref: 2-1

MODEL G/J/K/L/M
BOLT
0110706106
€ 2.00

2-2
0155006103
ref: 2-2

MODEL R
BOLT
0155006103
€ 3.00

3
0831012066
ref: 3
NUT
0831012066
€ 2.50

3A
0836135066
ref: 3A
NUT
€ 2.00

4
0832121066
ref: 4
WASHER,LOCK
0832121066
€ 2.50

5
3685224B00
ref: 5

MODEL G
WIRE,STARTER RELAY LEAD
€ 0.00

6
3385024B00
ref: 6

MODEL G
WIRE,STARTER MOTOR
€ 0.00

6A
3385024B10
ref: 6A

MODEL J/K/L/M/R
WIRE,STARTER MOTOR
3385024B10
€ 27.00

7
3362449420
ref: 7
CAP,STARTER RELAY TERMINAL
€ 6.00

8
3280024B00
ref: 8
RECTIFIER ASSY
€ 243.50

9
0211206166
ref: 9
SCREW
€ 2.00

10
0832221066
ref: 10
WASHER, LOWER
0832221066
€ 2.50

11
3290024B00
ref: 11
IGNITOR ASSY
3290024B00
€ 359.00

12
3341024B00
ref: 12
COIL ASSY,IGNITION
3341024B00
€ 132.00

13-1
0215205125
ref: 13-1

MODEL G/J/K/L/M
SCREW
€ 1.50

13-2
0214205123
ref: 13-2

MODEL R
SCREW 5X12
0214205123
€ 1.50

14
3351045010
ref: 14
CAP ASSY,SPARK PLUG
3351045010
€ 25.00

15
3354124510
ref: 15
SEAL,SPARK PLUG CAP
3354124510
€ 8.00

16-1
3354298000
ref: 16-1

MODEL G
SEAL,SPARK PLU
3354298000
€ 5.00

16-2
3354238B00
ref: 16-2

MODEL J/K/L/M/R
SEAL,HIGH TENSION CORD
3354238B00
€ 5.00

17
3291024B00
ref: 17
CONTROL UNIT,DECOMP
3291024B00
€ 92.50

18
3397024B00
ref: 18
SOLENOID ASSY,DECOMP
3397024B00
€ 184.00

19
3397124B00
ref: 19
BRACKET,DECOMP SOLENOID
€ 10.00

20-1
0110706165
ref: 20-1

MODEL G/J/K/L/M
BOLT 6X16
0110706165
€ 2.00

20-2
0155006163
ref: 20-2

MODEL R
BOLT
0155006163
€ 2.50

21
5890024B00
ref: 21
CABLE ASSEMBLY,DECOMPRESSION
5890024B00
€ 23.00

22
0920904020
ref: 22
PIN(4X12.5)
0920904020
€ 6.50

23
0833211036
ref: 23
E RING
€ 1.50