Buy Suzuki TS Parts Online

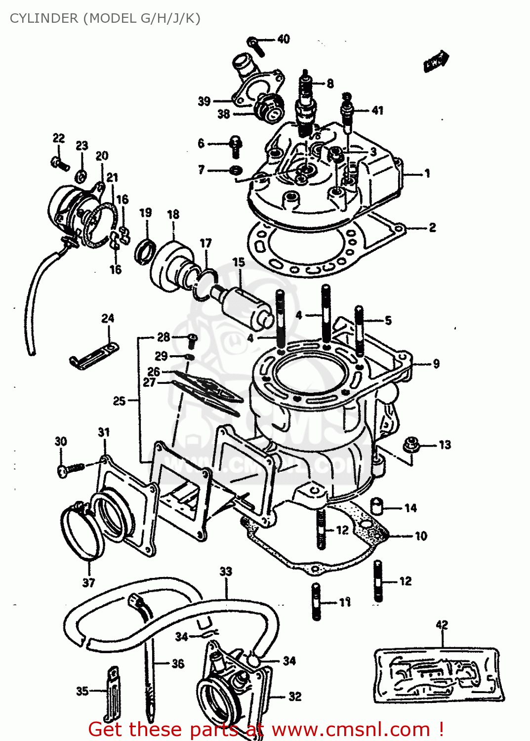
CYLINDER (MODEL G/H/J/K)

TS250X 1986 (G) (E01 E02 E04 E17 E18 E21 E22 E24)

Cylinder (model g/h/j/k) diagram TS250X 1986 (G) (E01 E02 E04 E17 E18 E21 E22 E24)

CYLINDER (MODEL G/H/J/K) TS250X 1986 (G) (E01 E02 E04 E17 E18 E21 E22 E24)
CYLINDER (MODEL G/H/J/K) TS250X 1986 (G) (E01 E02 E04 E17 E18 E21 E22 E24)
CYLINDER (MODEL G/H/J/K) TS250X 1986 (G) (E01 E02 E04 E17 E18 E21 E22 E24)
prices are in EUR
ref
part #
description
quantity
1
1111113A11
ref: 1
CYLINDER HEAD
€ 114.50

2-1
1114113A11
ref: 2-1
GASKET,CYLINDER HEAD (NAS)
1114113A11
€ 33.50

2-2
1114113A11H17
ref: 2-2

E17
GASKET,CYLINDER HEAD (NA)
€ 33.50

3
0831616085
ref: 3
NUT 8MM
0831616085
€ 3.00

4
0910808185
ref: 4
STUD BOLT (8X50)
0910808185
€ 2.50

5
0910808105
ref: 5
STUD
0910808105
€ 4.00

6
0936006015
ref: 6
UNION
0936006015
€ 3.50

7
0916806004
ref: 7
GASKET(6.2X11X1).2 (NAS)
0916806004
€ 2.00

8-1
0948200091
ref: 8-1

E1,E24,E25
PLUG,SPARK
0948200091
€ 3.00

8-2
0948200092
ref: 8-2

E1,E24,E25
PLUG,SPARK(W24ES)
€ 3.50

8-3
0948200348
ref: 8-3

E2,E4,E15,E16,E17,E1
PLUG,SPARK(BR8ES)
0948200348
€ 12.50

8-4
0948200247111
ref: 8-4

E2,E4,E15,E16,E17,E1
PLUG,SPARK(W24ESR)
€ 3.50

9
1121013A11
ref: 9
CYLINDER
1121013A11
€ 528.50

10-1
1124113A10
ref: 10-1
GASKET,CYLINDER
€ 14.50

10-2
1124113A10H17
ref: 10-2

E17
GASKET,CYLINDER (NA)
€ 14.50

11
0142108255
ref: 11
STUD BOLT (8X25)
€ 2.50

12
0910808161
ref: 12
STUD
€ 4.00

13
0831616085
ref: 13
NUT 8MM
0831616085
€ 3.00

14
0421111169
ref: 14
PIN
0421111169
€ 2.00

15
1125636A01
ref: 15
VALVE, EXHAUST
€ 95.50

16
1124536A01
ref: 16
SPRING,EXHAUST VALVE
1124536A01
€ 5.50

17
0928029003
ref: 17
O RING(D:2.4,ID:28.8)
0928029003
€ 2.00

18
1126313A10
ref: 18
HOLDER,EXHAUST VALVE
€ 90.50

19
0928215005
ref: 19
SEAL,OIL(15X24X5)
0928215005
€ 5.50

20
3397013A00
ref: 20
SOLENOID ASSY
€ 228.50

21-1
3771213A00
ref: 21-1
GASKET,SOLENOID
€ 3.50

21-2
3771213A00H17
ref: 21-2

E17
GASKET,SOLENOID (NAS)
3771213A00H17
€ 3.50

22
0211206164
ref: 22
SCREW
€ 2.00

23
0832221064
ref: 23
WASHER
0832221064
€ 2.50

24
0940406422
ref: 24
CLAMP
0940406422
€ 3.00

25
1315013A10
ref: 25
VALVE ASSY,REED
1315013A10
€ 94.00

26
1315213A10
ref: 26
STOPPER
€ 0.00

27
1315314110
ref: 27
VALVE,REED
1315314110
€ 11.50

28
0211203087
ref: 28
SCREW
€ 2.00

29
0832121038
ref: 29
LOCK WASHER
€ 1.50

30
0211206205
ref: 30
SCREW
€ 2.50

31
1311014100
ref: 31

MODEL G/H/J
PIPE,INTAKE
1311014100
€ 33.00

32
1311013A20
ref: 32

MODEL K
PIPIE,INTAKE
€ 71.50

33
1311513A20
ref: 33

MODEL K
HOSE 8X12.5
€ 28.00

34
0940113301
ref: 34

MODEL K
CLIP
0940113301
€ 2.00

35
0940406403
ref: 35

MODEL K
CLAMP
€ 3.00

36
0940714403
ref: 36

MODEL K
CLAMP(L:125)
0940714403
€ 2.50

37
0940250306
ref: 37
CLAMP
0940250306
€ 6.50

38
1767001A00
ref: 38
THERMOSTAT,WATER 65 DEG
1767001A00
€ 35.00

39
1766113A10
ref: 39
COVER, THERMOSTAT
1766113A10
€ 38.50

40
0211206205
ref: 40
SCREW
€ 2.50

41
3485003A10
ref: 41
GAUGE,WATER TEMP
€ 0.00

42-1
1140013870
ref: 42-1

OPT
GASKET SET (MCA)
1140013870
€ 77.00

42-2
1140013871H17
ref: 42-2

E17 OPT
GASKET SET (NA)
€ 77.00