×
Buy Suzuki DR Parts Online
home
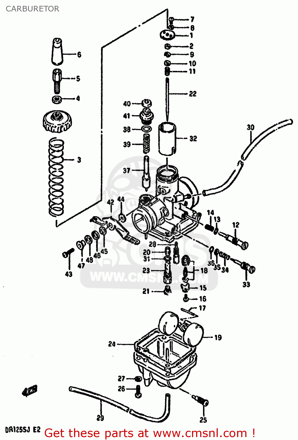
CARBURETOR
DR125S 1985 (F) (E01 E02 E04 E18 E24)
Carburetor diagram DR125S 1985 (F) (E01 E02 E04 E18 E24)
CARBURETOR DR125S 1985 (F) (E01 E02 E04 E18 E24)
×
prices are in EUR
ref
part #
description
quantity
0
1320044A20
ref: 0
E1
CARBURETOR ASSY (VM24)
€ 215.50
0
1320044A00
ref: 0
E2,E4,E15,E18,E21,E2
CARBURETOR ASSY (VM24)
€ 218.50
1
1337344A00
ref: 1
PLATE
€ 7.50
2
1338747010
ref: 2
RING
€ 8.00
3
1357305320
ref: 3
SPRING
€ 3.50
4
1366116600
ref: 4
NUT
€ 5.50
5
1357748110
ref: 5
ADJUSTER,CABLE
€ 8.50
6
1368116600
ref: 6
CAP,RUBBER
€ 8.00
7
0211203086
ref: 7
SCREW
€ 2.00
8
0832121036
ref: 8
LOCK WASHER
€ 1.50
9
1339410010
ref: 9
CLIP
€ 5.00
10
1338247010
ref: 10
WASHER,JET NEEDLE
€ 4.00
11
1338847010
ref: 11
SPRING
€ 7.50
12
1326736600
ref: 12
SCREW,THROTTLE STOP
€ 10.00
13
1329533010
ref: 13
O RING
€ 5.00
14
1326835010
ref: 14
SPRING
€ 3.00
15
1337346710
ref: 15
PLATE,NEEDLE VALVE FITING
€ 5.00
16
0211203066
ref: 16
SCREW
€ 2.00
17
1325401010
ref: 17
PIN,FLOAT
€ 3.50
18
1337005320
ref: 18
VALVE ASSY,NEEDLE
€ 59.50
19
1325005230
ref: 19
FROM 13252-05320
FLOAT
€ 26.00
20
0949400490
ref: 20
JET,NEEDLE(N-8)
€ 13.50
21
0949120017
ref: 21
JET,MAIN
€ 11.00
22
1338344A00
ref: 22
NEEDLE,JET
€ 13.50
23
1338544A00
ref: 23
PIPE
€ 19.00
24
1325105320
ref: 24
GASKET (NAS)
€ 10.00
25
1324702340
ref: 25
PLUG,DRAIN
€ 6.00
26
0211204167
ref: 26
SCREW
€ 1.00
27
0832121047
ref: 27
WASHER,LOCK 4M
€ 2.50
28
0949230007
ref: 28
JET,PILOT(30)
€ 8.50
29
1368444A00
ref: 29
HOSE
€ 7.00
30
1368422A00
ref: 30
L:550-275
HOSE
€ 14.00
31
1324643010
ref: 31
O RING
€ 4.00
32-1
1355144A20
ref: 32-1
E1
VALVE,PISTON
€ 47.50
32-2
1355144A00
ref: 32-2
E2,E4,E15,E18,E21,E2
VALVE,PISTON
€ 0.00
33
1327947080
ref: 33
5/8
SCREW,PILOT AIR
€ 12.50
34
1326847070
ref: 34
SPRING
€ 5.50
35
1327744080
ref: 35
GASKET
€ 2.00
36
1329529900
ref: 36
FROM 13278-44080
O RING,PILOT AIR SCREW
€ 4.00
37
1341105320
ref: 37
PLUNGER ASSY
€ 19.50
38
1327802330
ref: 38
O RING
€ 2.00
39
1341747070
ref: 39
SPRING
€ 4.00
40
1368231210
ref: 40
CAP,STARTER VALVE
€ 5.50
41
1341805320
ref: 41
HOLDER
€ 7.00
42
1341305320
ref: 42
LEVER
€ 16.00
43
1360122A00
ref: 43
SCREW
€ 3.00
44
1342105320
ref: 44
PLATE
€ 4.50
45
1343205320
ref: 45
RING
€ 6.00
46
1358947070
ref: 46
WASHER
€ 3.00
47
1342405320
ref: 47
RING
€ 8.00
48
0832121086
ref: 48
WASHER,LOCK,8.
€ 2.50
up
all assemblies
* COLOR CHART *
* CATALOG PREFACE *
* CONVERSION CHART *
CYLINDER HEAD
CYLINDER
CRANKCASE
CRANKCASE COVER
CRANKSHAFT
CAM SHAFT-VALVE
CAM CHAIN
CARBURETOR
AIR CLEANER
MUFFLER
OIL PUMP
CLUTCH
TRANSMISSION
GEAR SHIFTING
KICK STARTER
MAGNETO
BATTERY
ELECTRICAL
SPEEDOMETER
HEADLAMP (E1)
HEADLAMP (E2,E4,E15,E18,E21)
HEADLAMP (E24)
TURN SIGNAL LAMP (E1,E4,E24)
TURN SIGNAL LAMP (E2,E15,E18,E21)
REAR COMBINATION LAMP
WIRING HARNESS
FRAME
STAND-REAR BRAKE
FOOTREST
FUEL TANK (MODEL J)
FUEL COCK
SEAT
FRAME COVER
FRONT FORK
STEERING STEM
HEADLAMP COVER-FRONT FENDER (MODEL F)
HEADLAMP COVER-FRONT FENDER (MODEL F E18,E24)
HEADLAMP COVER-FRONT FENDER (MODEL H/J)
HEADLAMP COVER-FRONT FENDER (MODEL H E15,E18,E24,MODEL J E15
FRONT WHEEL
HANDLEBAR
RIGHT HANDLE SWITCH
LEFT HANDLE SWITCH
FRONT CALIPERS
FRONT BRAKE HOSE
FRONT MASTER CYLINDER
REAR SWINGING ARM
REAR CUSHION
REAR FENDER
REAR WHEEL
OPTIONAL
up