×
Buy Suzuki DR Parts Online
home
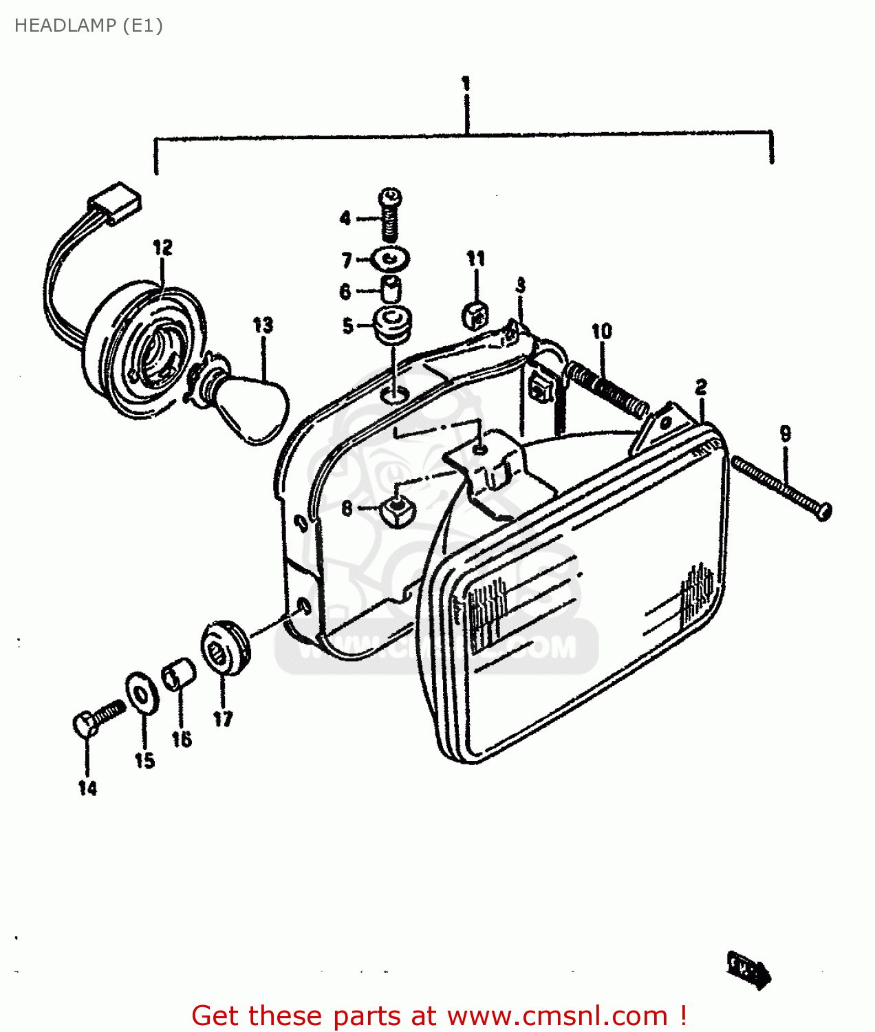
HEADLAMP (E1)
DR125S 1985 (F) (E01 E02 E04 E18 E24)
Headlamp (e1) diagram DR125S 1985 (F) (E01 E02 E04 E18 E24)
HEADLAMP (E1) DR125S 1985 (F) (E01 E02 E04 E18 E24)
×
prices are in EUR
ref
part #
description
quantity
1
3510044A00
ref: 1
HEADLAMP ASSY
€ 0.00
2
3512144A00
ref: 2
UNIT
€ 0.00
3
3514114A00
ref: 3
HOUSING
€ 31.00
4
0211205208
ref: 4
SCREW 5X20
€ 3.00
5
3513945230
ref: 5
CUSHION
€ 1.50
6
3513314A00
ref: 6
SPACER
€ 3.50
7
3513845230
ref: 7
WASHER
€ 2.00
8
3513545900
ref: 8
NUT
€ 2.50
9
3515149200
ref: 9
SCREW,HEADLAMP ADJUST
€ 4.00
10
3515449200
ref: 10
SPRING
€ 3.50
11
3513545600
ref: 11
NUT
€ 3.00
12
3517101A10
ref: 12
SOCKET,HEAD LAMP
€ 12.50
13
0947106050
ref: 13
BULB (6V,35/35W)_
€ 0.00
14
0110706207
ref: 14
BOLT
€ 2.00
15
0916006027
ref: 15
WASHER (6.5X20X1.2)
€ 2.00
16
0918006011
ref: 16
SPACER (6.1X9X9)
€ 2.00
17
0932009018
ref: 17
CUSHION
€ 2.00
up
all assemblies
* COLOR CHART *
* CATALOG PREFACE *
* CONVERSION CHART *
CYLINDER HEAD
CYLINDER
CRANKCASE
CRANKCASE COVER
CRANKSHAFT
CAM SHAFT-VALVE
CAM CHAIN
CARBURETOR
AIR CLEANER
MUFFLER
OIL PUMP
CLUTCH
TRANSMISSION
GEAR SHIFTING
KICK STARTER
MAGNETO
BATTERY
ELECTRICAL
SPEEDOMETER
HEADLAMP (E1)
HEADLAMP (E2,E4,E15,E18,E21)
HEADLAMP (E24)
TURN SIGNAL LAMP (E1,E4,E24)
TURN SIGNAL LAMP (E2,E15,E18,E21)
REAR COMBINATION LAMP
WIRING HARNESS
FRAME
STAND-REAR BRAKE
FOOTREST
FUEL TANK (MODEL J)
FUEL COCK
SEAT
FRAME COVER
FRONT FORK
STEERING STEM
HEADLAMP COVER-FRONT FENDER (MODEL F)
HEADLAMP COVER-FRONT FENDER (MODEL F E18,E24)
HEADLAMP COVER-FRONT FENDER (MODEL H/J)
HEADLAMP COVER-FRONT FENDER (MODEL H E15,E18,E24,MODEL J E15
FRONT WHEEL
HANDLEBAR
RIGHT HANDLE SWITCH
LEFT HANDLE SWITCH
FRONT CALIPERS
FRONT BRAKE HOSE
FRONT MASTER CYLINDER
REAR SWINGING ARM
REAR CUSHION
REAR FENDER
REAR WHEEL
OPTIONAL
up