×
Buy Suzuki GR Parts Online
home
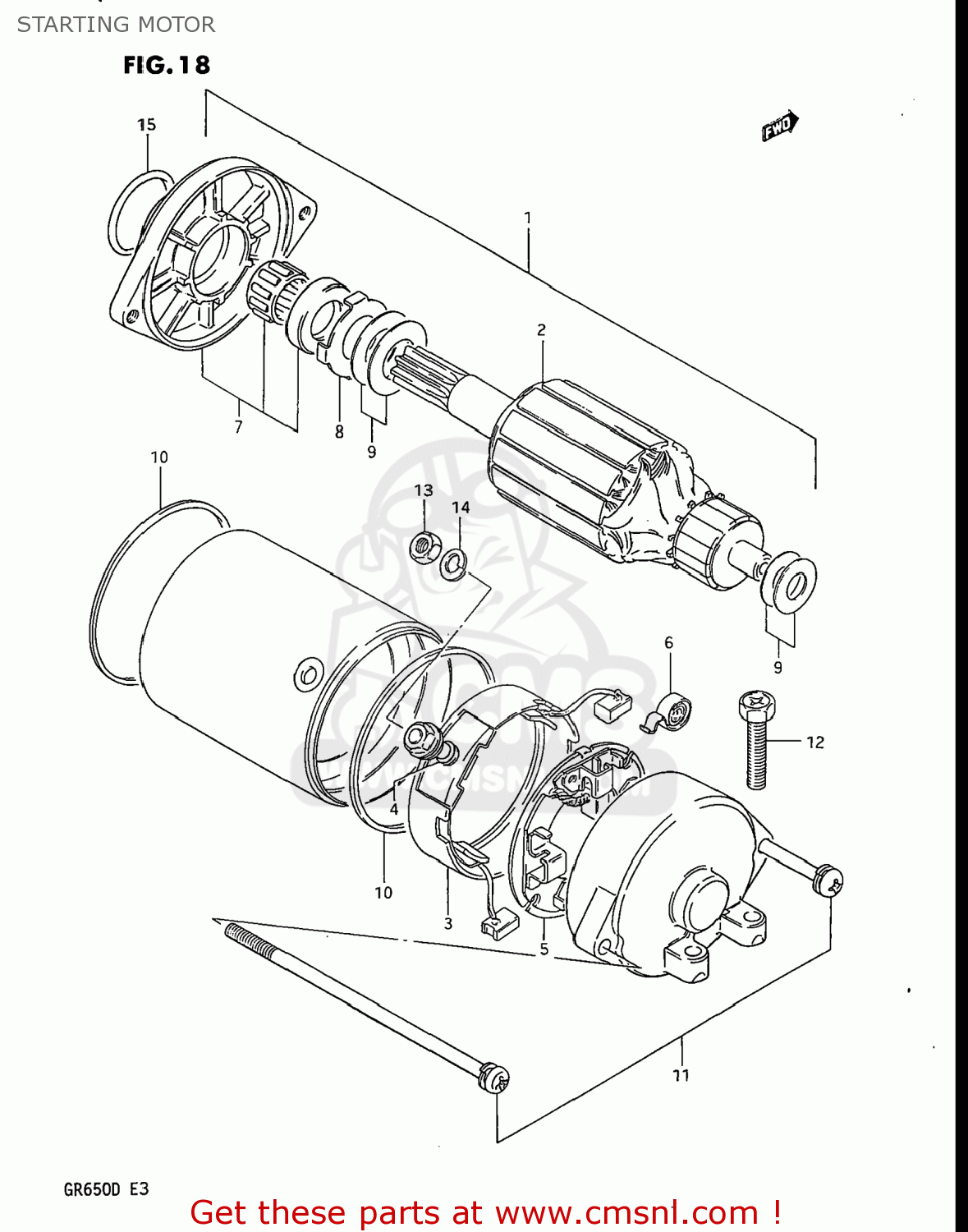
STARTING MOTOR
GR650 TEMPTER 1983 (D) USA (E03)
Starting motor diagram GR650 TEMPTER 1983 (D) USA (E03)
STARTING MOTOR GR650 TEMPTER 1983 (D) USA (E03)
×
prices are in EUR
ref
part #
description
quantity
1
3110015510
ref: 1
MOTOR ASSEMBLY,STARTING
€ 766.50
2
3131115510
ref: 2
ARMATURE
€ 164.00
3
3113049040
ref: 3
31130-06B00
BRUSH TERMINAL SET (+)
€ 54.00
4
3114349040
ref: 4
O RING
€ 3.50
5
3113249040
ref: 5
31132-06B00
HOLDER,BRUSH
€ 35.50
6
3113549040
ref: 6
SPRING,BRUSH
€ 5.00
7
3115015510
ref: 7
BRACKET SET,STARTING MOTOR
€ 89.50
8
3136049240
ref: 8
31170-31300
SHIM SET
€ 10.50
9
3136049040
ref: 9
31170-31300
SHIM SET
€ 10.50
10
3126449040
ref: 10
SEAL,RING
€ 7.50
11
3128015510
ref: 11
31280-06B00
BOLT
€ 10.50
12
0912806024
ref: 12
09103-06212
SCREW (6X25)
€ 3.00
13
0831022068
ref: 13
08310-00067
NUT 6MM
€ 2.50
14
0832121068
ref: 14
08321-01067
LOCK WASHER
€ 2.50
15
0928024003
ref: 15
O RING(D:3,ID:24.5)
€ 2.00
up
all assemblies
AIR CLEANER
BATTERY
CAM CHAIN
CAM SHAFT - VALVE
CARBURETOR
CHAIN LOCK
CLUTCH
CRANKCASE
CRANKCASE COVER
CRANKSHAFT
CRANKSHAFT BALANCER
CUSHION LEVER
CYLINDER
CYLINDER HEAD
CYLINDER HEAD COVER
ELECTRICAL
FOOTREST
FRAME
FRAME COVER
FRAME COVER (GR650XD)
FRONT BRAKE HOSE
FRONT CALIPERS
FRONT DAMPER (GR650D)
FRONT DAMPER (GR650XD)
FRONT MASTER CYLINDER
FRONT WHEEL (GR650D)
FRONT WHEEL (GR650XD)
FUEL COCK
FUEL TANK
FUEL TANK (GR650XD)
GEAR SHIFTING
GENERATOR
HANDLEBAR
HEADLAMP
HEADLAMP HOUSING - FRONT FENDER
LEFT HANDLE SWITCH
MUFFLER
OIL FILTER - OIL PUMP
REAR BRAKE
REAR COMBINATION LAMP
REAR FENDER
REAR SWINGING ARM
REAR WHEEL (GR650D)
REAR WHEEL (GR650XD)
RIGHT HANDLE SWITCH
SEAT
SHOCK ABSORBER
SIGNAL GENERATOR
SPEEDOMETER - TACHOMETER
STAND
STARTER CLUTCH
STARTING MOTOR
STEERING STEM (GR650D)
STEERING STEM (GR650XD)
TRANSMISSION
TURN SIGNAL LAMP
WIRING HARNESS
up