×
Buy Suzuki GSX Parts Online
home
GSX750S 1984 (E) UNITED KINGDOM (E02)
* COLOR CHART *
0 products
* CATALOG PREFACE *
0 products
* CONVERSION CHART *
0 products
CYLINDER HEAD COVER
11 products
CYLINDER HEAD
29 products
CYLINDER
14 products
CRANKCASE
44 products
CRANKCASE COVER
26 products
OIL PUMP - OIL FILTER
36 products
CRANKSHAFT
33 products
STARTER CLUTCH
8 products
CAM SHAFT - VALVE
20 products
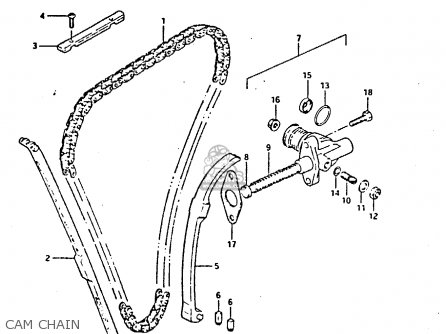
CAM CHAIN
18 products
CARBURETOR
87 products
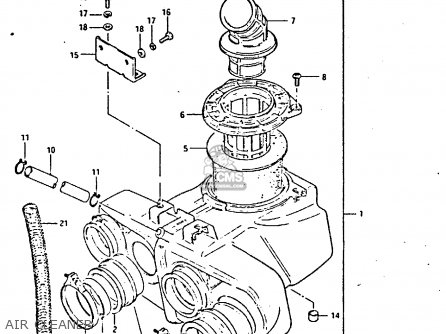
AIR CLEANER
21 products
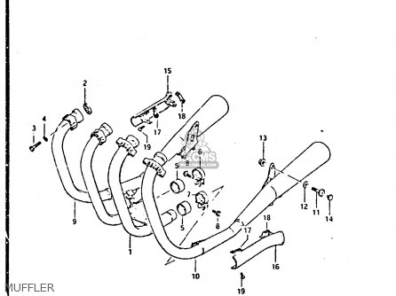
MUFFLER
19 products
OIL COOLER
17 products
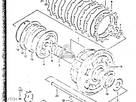
CLUTCH
34 products
TRANSMISSION
48 products
GEAR SHIFTING
52 products
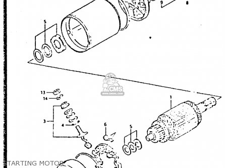
STARTING MOTOR
15 products
GENERATOR
9 products
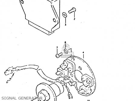
SIGNAL GENERATOR
11 products
BATTERY
12 products
ELECTRICAL
21 products
SPEEDOMETER - TACHOMETER
37 products
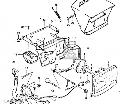
HEADLAMP
27 products
TURN SIGNAL LAMP
8 products
TAIL LAMP - LICENSE LAMP
23 products
WIRING HARNESS
25 products
FRAME
16 products
STAND
20 products
FOOTREST
37 products
FUEL TANK
11 products
FUEL COCK
7 products
SEAT
19 products
SEAT TAIL COVER
18 products
FRAME COVER
13 products
FRONT DAMPER
36 products
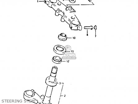
STEERING STEM
12 products
FRONT FENDER
9 products
FRONT WHEEL
18 products
HANDLEBAR
23 products
RIGHT HANDLE SWITCH
13 products
LEFT HANDLE SWITCH
7 products
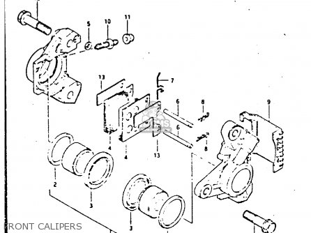
FRONT CALIPERS
16 products
FRONT BRAKE HOSE
11 products
FRONT MASTER CYLINDER
8 products
CLUTCH MASTER CYLINDER
11 products
CLUTCH HOSE
7 products
REAR SWINGING ARM
32 products
SHOCK ABSORBER
17 products
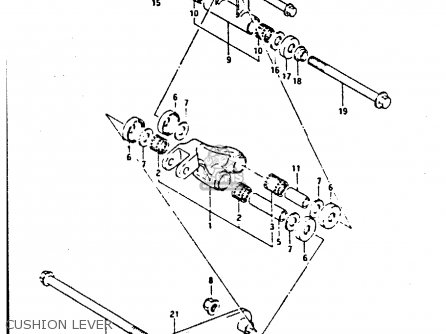
CUSHION LEVER
23 products
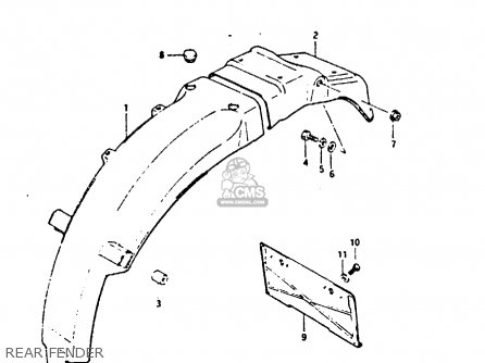
REAR FENDER
11 products
REAR WHEEL
30 products
REAR CALIPERS
15 products
REAR BRAKE HOSE
3 products
REAR MASTER CYLINDER
21 products
COWLING
28 products
OPTIONAL
20 products
up
popular products
5541200A0019T
BALANCER,WHEEL
Suzuki
0822110185
SHIM
Suzuki
0944814028
SPRING
Suzuki
2311031300
ROD,CLUTCH PUSH
Suzuki