prices are in EUR
ref
part #
description
quantity
 
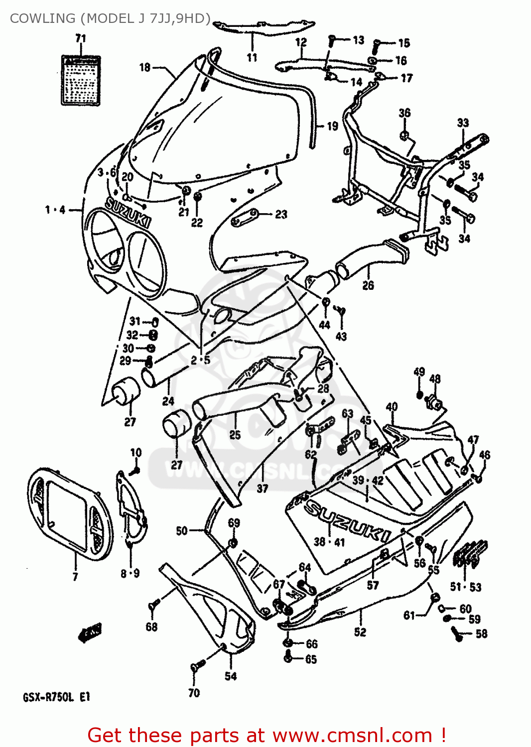
1-1
BODY ASSEMBLY,COWLING
 
1-2
BODY ASSY,COWLING (BLACK/RED)
 
2-1
TAPE SET,COWLING,UPPER
 
 
 
3-1
EMBLEM,COWLING,UPPER (W)
 
 
 
3-2
EMBLEM,LEG SHIELD
 
 
 
4-1
BODY ASSY,COWLING (WHITE/RED)
 
 
 
4-2
BODY ASSY,COWLING (BLACK/RED)
 
5-1
TAPE SET,COWLING,UPPER
 
 
 
6-1
EMBLEM,COWLING,UPPER (W)
 
 
 
6-2
EMBLEM,LEG SHIELD
 
 
 
7-2
COVER,FRONT (RED)
 
 
 
8
PLATE,COVER RH
 
 
 
9
PLATE,COVER LH
 
 
 
10
TAPPING SCREW 4X10/A
 
 
 
11
PANEL,COWLING UPPER,RIGHT
 
 
 
13
SCREW(5X10)
 
 
 
14
NUT
 
 
 
15
SCREW(5X14)
 
 
 
16
WASHER(5.2X11X1)
 
 
 
17
NUT
 
 
 
18-2
CLEAR WINDSCREEN,SMALL
 
19-1
MOLDING,WINDSCREEN
 
 
 
20
PIN,WINDSCREEN
 
 
 
21
CUSHION
 
 
 
22
NUT
 
 
 
23
CUSHION,RR VIEW MIRRORR
 
 
 
24
PIPE,AIR INTAKE,FRONT
 
 
 
26
PIPE,AIR INTAKE RR,R
 
 
 
28
SCREW
 
 
 
29
SCREW(6X20)
 
 
 
30
WASHER(6.5X18X1)
 
 
 
31
SPACER
 
 
 
32
CUSHION
 
 
 
35
WASHER,LOCK,8.
 
 
 
36
NUT ,8MM
 
 
 
37-1
COVER COMP,COWLING SIDE,RIGHT
 
 
 
37-2
COVER,SIDE RH (BLACK/RED)
 
38-1
EMBLEM,COWLING SIDE (RED)
 
39-1
TAPE,COWLING SIDE STRIPE
 
40-1
COVER COMP,COWLING SIDE,LEFT
 
40-2
COVER,SIDE LH (BLACK/RED)
 
41-1
EMBLEM,COWLING SIDE (RED)
 
42-1
TAPE,COWLING SIDE STRIPE
 
 
 
43
SCREW(5X18)
 
 
 
44
WASHER(5.2X14X1.5)
 
 
 
45
NUT,HEADLAMP HOUSING,UPPER
 
 
 
46
SCREW(6X12)
 
 
 
47
WASHER(6.3X16X1.5)
 
 
 
48
CUSHION,COWLING
 
 
 
49
WASHER,LOCK
 
 
 
50-2
COWLING,UNDER RH (BLACK/RED)
 
51-1
EMBLEM,COWLING UNDER
 
 
 
52-1
COWLING,UNDER LH (WHITE/RED)
 
52-2
COWLING,UNDER LH (BLACK/RED)
 
53-1
EMBLEM,COWLING UNDER
 
 
 
54-1
COWLING,UNDER,CENTER
 
 
 
54-2
COWLING,UNDER FRONT (BLACK)
 
55
SCREW(5X18)
 
 
 
56
WASHER(5.2X14X1.5)
 
 
 
57
NUT,HEADLAMP HOUSING,UPPER
 
 
 
58
SCREW(6X20)
 
 
 
59
WASHER(6.5X18X1)
 
 
 
60
SPACER
 
 
 
61
CUSHION
 
 
 
63
BRACE,COWLING UNDER,LH
 
64
BRACE,COWLING LWR COVER RR
 
 
 
65
SCREW(6X16)
 
 
 
66
WASHER(6.3X16X1.5)
 
 
 
67
BRACE,COWLING LWR COVER
 
 
 
68
SCREW(5X14)
 
 
 
69
NUT
 
 
 
70
SCREW(6X16)
 
 
 
71-1
LABEL (WARNING SCREEN)
 
 
 
71-2
LABEL (WARNING SCREEN)
