Buy Suzuki VS Parts Online

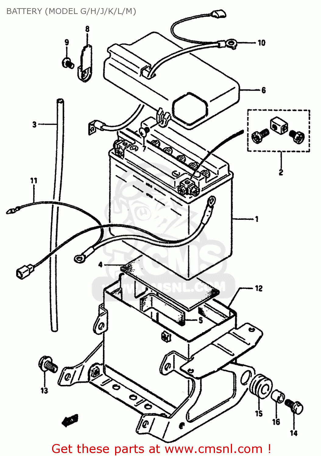
BATTERY (MODEL G/H/J/K/L/M)

VS750GLF 1990 (L) GENERAL EXPORT (E01)

Battery (model g/h/j/k/l/m) diagram VS750GLF 1990 (L) GENERAL EXPORT (E01)

BATTERY (MODEL G/H/J/K/L/M) VS750GLF 1990 (L) GENERAL EXPORT (E01)
BATTERY (MODEL G/H/J/K/L/M) VS750GLF 1990 (L) GENERAL EXPORT (E01)
BATTERY (MODEL G/H/J/K/L/M) VS750GLF 1990 (L) GENERAL EXPORT (E01)
prices are in EUR
ref
part #
description
quantity
1
3361038A01
ref: 1
BATTERY ASSY (12V)
3361038A01
€ 119.50

2
3362638A01
ref: 2
BOLT SET,BATTERY TERMINAL
3362638A01
€ 24.00

3
3368017300
ref: 3

L:400-200
HOSE,BATTERY EXHAUST
€ 5.00

4
3365137000
ref: 4

CUT AS REQUIRED PROF
PROTECTOR(170X95X3.0)
3365137000
€ 5.50

5
3365238A10
ref: 5
PROTECTOR(20X90)X2
3365238A10
€ 5.00

6
3365838A30
ref: 6
COVER,BATTERY UPR
3365838A30
€ 9.00

7
0214205084
ref: 7
SCREW
€ 2.00

8
3365838A40
ref: 8
COVER,BATTERY TERMINAL
3365838A40
€ 2.00

9
0214205084
ref: 9
SCREW
€ 2.00

10
3382039A00
ref: 10
WIRE,BATTERY PLUS LEAD
3382039A00
€ 24.00

11
3386038A00
ref: 11
WIRE,BATTERY MINUS LEAD
3386038A00
€ 19.00

12
4154038A11
ref: 12
HOLDER,BATTERY
€ 107.00

13
0151710165
ref: 13
BOLT
0151710165
€ 2.50

14
0151706164
ref: 14
BOLT
€ 2.50

15
0932012031
ref: 15
CUSHION
0932012031
€ 3.50

16
0918008001
ref: 16
SPACER (8.8X12X11)
0918008001
€ 2.50

all assemblies