×
Buy Suzuki DR Parts Online
home
DR250S 1985 (F) (E01 E04 E15 E18 E21 E22 E24 E25 E39 E41)
* COLOR CHART *
0 products
* COLOR CHART *
0 products
* CATALOG PREFACE *
0 products
* CONVERSION CHART *
0 products
CYLINDER HEAD
39 products
CYLINDER
9 products
CRANKCASE
11 products
CRANKCASE COVER
31 products
CRANKSHAFT
35 products
CRANK BALANCER
11 products
CAM SHAFT-VALVE
31 products
CAM CHAIN
10 products
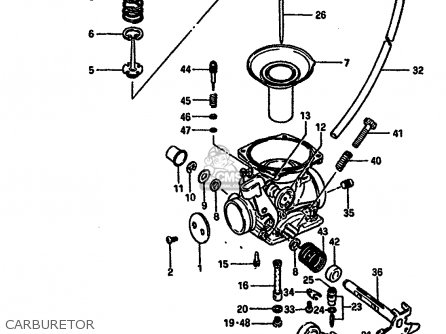
CARBURETOR
53 products
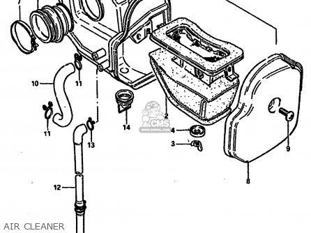
AIR CLEANER
17 products
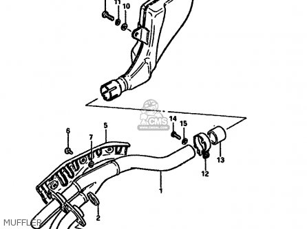
MUFFLER
19 products
OIL PUMP
23 products
CLUTCH
30 products
TRANSMISSION
44 products
GEAR SHIFTING
36 products
KICK STARTER
16 products
MAGNETO
12 products
MAGNETO (E2,E4,E15,E18,E21,E22,E25,E39)
12 products
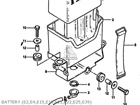
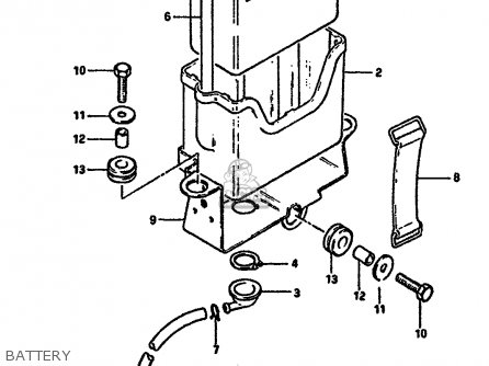
BATTERY
14 products
BATTERY (E2,E4,E15,E18,E21,E22,E25,E39)
13 products
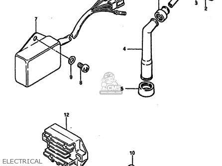
ELECTRICAL
15 products
SPEEDOMETER-TACHOMETER
32 products
HEADLAMP (E1,E2,E6,E24,E41)
17 products
HEADLAMP (E4,E15,E18,E21,E22,E25,E39)
24 products
TURN SIGNAL LAMP (E1,E4,E6,E15,E21,E24,E25,E41)
27 products
TURN SIGNAL LAMP (E2)
20 products
TURN SIGNAL LAMP (E18,E39)
25 products
TURN SIGNAL LAMP (E22)
27 products
REAR COMBINATION LAMP (E1,E4,E6,E15,E21,E24,E25,E41)
29 products
REAR COMBINATION LAMP (E2,E18)
30 products
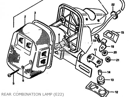
REAR COMBINATION LAMP (E22)
24 products
REAR COMBINATION LAMP (E39)
35 products
WIRING HARNESS
25 products
FRAME
36 products
STAND-REAR BRAKE
36 products
FOOTREST
29 products
FUEL TANK (MODEL E)
20 products
FUEL TANK (MODEL E E2,E4,E15,E18,E21,E22,E25,E39)
28 products
FUEL TANK (MODEL F/G/H)
36 products
FUEL TANK (MODEL F/G/H E4,E15,E18,E21,E22,E25,E39)
51 products
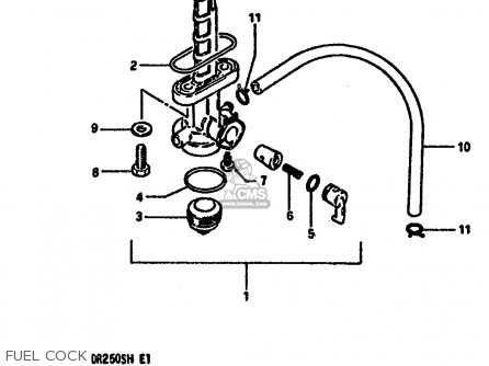
FUEL COCK
11 products
SEAT
26 products
FRAME COVER (MODEL E)
38 products
FRAME COVER (MODEL F/G/H)
31 products
FRONT FORK (MODEL E)
29 products
FRONT FORK (MODEL F/G/H)
32 products
STEERING STEM (MODEL E)
31 products
STEERING STEM (MODEL F/G/H)
31 products
HEADLAMP HOUSING
22 products
FRONT FENDER
48 products
FRONT WHEEL (MODEL E)
38 products
FRONT WHEEL (MODEL F/G/H)
19 products
HANDLEBAR
36 products
RIGHT HANDLE SWITCH (MODEL E)
15 products
RIGHT HANDLE SWITCH (MODEL F/G/H)
10 products
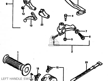
LEFT HANDLE SWITCH
29 products
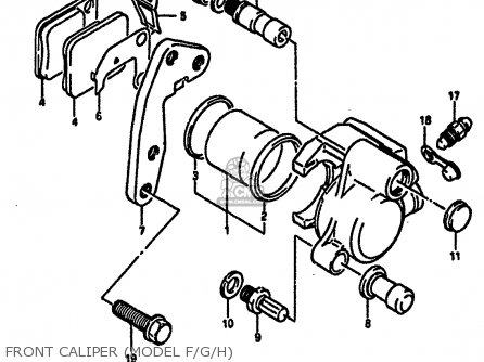
FRONT CALIPER (MODEL F/G/H)
20 products
FRONT BRAKE HOSE (MODEL F/G/H)
6 products
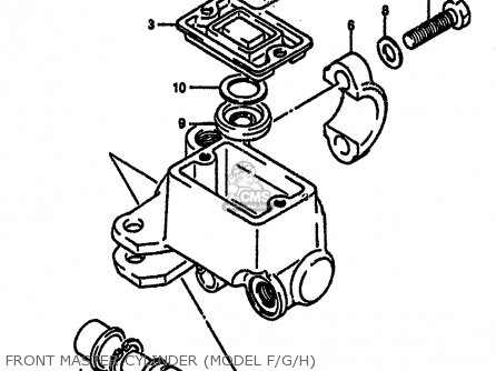
FRONT MASTER CYLINDER (MODEL F/G/H)
11 products
REAR SWINGING ARM (E1,E24)
29 products
REAR SWINGING ARM (E2,E4,E6,E15,E18,E21,E22,E25,E39)
29 products
SHOCK ABSORBER
17 products
CUSHION LEVER
20 products
REAR FENDER
46 products
REAR WHEEL
42 products
REAR WHEEL (E2,E4,E6,E15,E18,E21,E22,E25,E39)
42 products
OPTIONAL
37 products
up
popular products
0947106009
BULB(6V17/5.3W,STANLEY,A4813)
Suzuki
1274932400
KEY,SPROCKET
Suzuki
1294137103
SHAFT,DECOMP LH
Suzuki
2475138201
RETAINER,DRIVE SHAFT OIL SEAL
Suzuki