Buy Suzuki GSX Parts Online

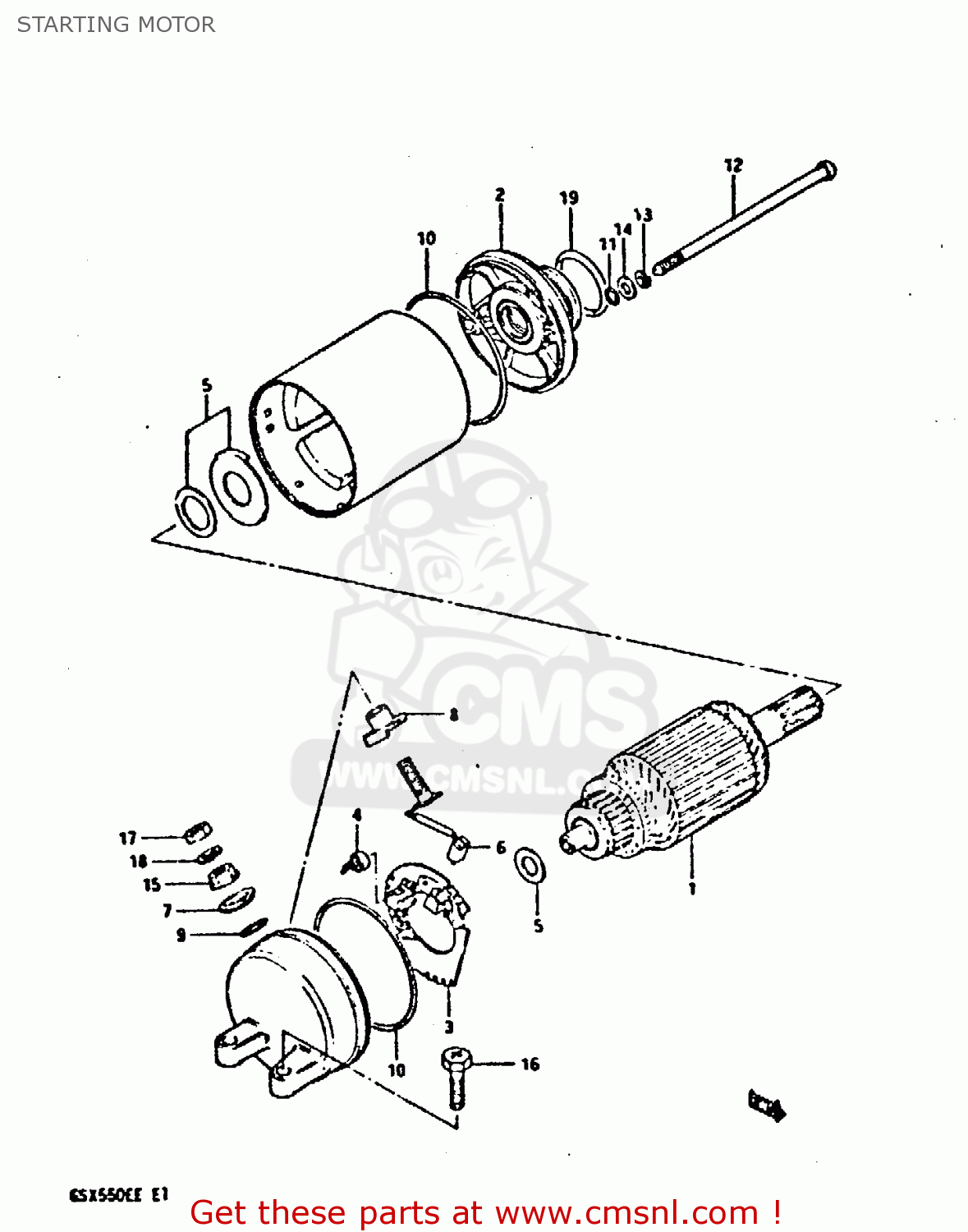
STARTING MOTOR

GSX550E 1983 (D) (E01 02 04 06 15 16 17 18 21 22 24 25 26 34 39)

Starting motor diagram GSX550E 1983 (D) (E01 02 04 06 15 16 17 18 21 22 24 25 26 34 39)

STARTING MOTOR GSX550E 1983 (D) (E01 02 04 06 15 16 17 18 21 22 24 25 26 34 39)
STARTING MOTOR GSX550E 1983 (D) (E01 02 04 06 15 16 17 18 21 22 24 25 26 34 39)
STARTING MOTOR GSX550E 1983 (D) (E01 02 04 06 15 16 17 18 21 22 24 25 26 34 39)
prices are in EUR
ref
part #
description
quantity
0
3110043400
ref: 0
MOTOR ASSEMBLY,STARTING
€ 731.50

1
3131043400
ref: 1
ARMATURE
€ 173.00

2
3115043400
ref: 2
BRACKET SET,STARTING MOTOR
€ 88.00

3
3113244110
ref: 3
HOLDER,BRUSH
€ 51.00

4
3113565010
ref: 4
SPRING
3113565010
€ 3.50

5
3117043400
ref: 5
SHIM SET,STARTING MOTOR
3117043400
€ 4.00

6
3113038300
ref: 6
BRUSH SUB ASSY,STARTING MOTOR
3113038300
€ 14.00

7
3117238300
ref: 7
BUSHING
3117238300
€ 4.50

8
3117138300
ref: 8
BUSH,B
3117138300
€ 6.50

9
3114338300
ref: 9
O RING
3114338300
€ 4.00

10
3126444110
ref: 10
O RING
3126444110
€ 8.50

11
3115638300
ref: 11
O RING
3115638300
€ 3.50

12
3128105300
ref: 12
BOLT
€ 9.50

13
0832121058
ref: 13
LOCK WASHER
0832121058
€ 2.00

14
3116138300
ref: 14
WASHER
3116138300
€ 2.50

15
0915906017
ref: 15

FROM 08316-16068
NUT
0915906017
€ 2.50

16
3121533400
ref: 16
BOLT
€ 2.50

17
0831011066
ref: 17
NUT
€ 2.50

18
0832121066
ref: 18
WASHER,LOCK
0832121066
€ 2.50

19
0928024003
ref: 19
O RING(D:3,ID:24.5)
0928024003
€ 2.00

all assemblies