×
Buy Suzuki GSXR Parts Online
home
GSXR750 1987 (H) (E01 E02 04 06 15 16 17 18 21 22 24 25 34 39 53
* COLOR CHART *
0 products
* CATALOG PREFACE *
0 products
* CONVERSION CHART *
0 products
CYLINDER HEAD COVER
16 products
CYLINDER HEAD
39 products
CYLINDER
11 products
CRANKCASE
55 products
CRANKCASE COVER
28 products
OIL PAN
24 products
OIL PUMP
17 products
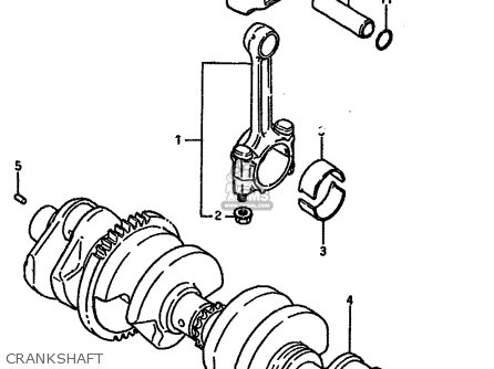
CRANKSHAFT
32 products
STARTER CLUTCH
8 products
CAM SHAFT-VALVE
25 products
CAM CHAIN
17 products
CARBURETOR
98 products
CARBURETOR (MODEL H E18)
79 products
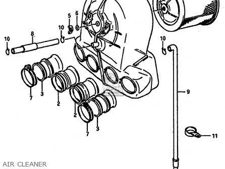
AIR CLEANER
16 products
MUFFLER
24 products
OIL COOLER
11 products
CLUTCH
31 products
TRANSMISSION
53 products
GEAR SHIFTING
50 products
STARTING MOTOR
19 products
ALTERNATOR (E.NO.~116197)
26 products
ALTERNATOR (E.NO.116198~)
27 products
SIGNAL GENERATOR
8 products
BATTERY
19 products
ELECTRICAL
15 products
SPEEDOMETER
32 products
HEADLAMP (MODEL F E1,2,4,6,15,16,17,21,22,24,25,39,53)
45 products
HEADLAMP (MODEL G/H E1,2,4,6,15,16,17,21,22,24,25,39,53)
55 products
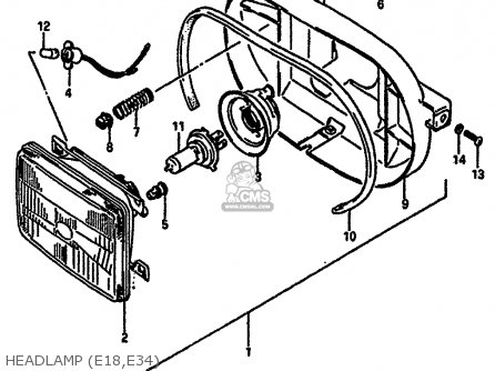
HEADLAMP (E18,E34)
14 products
TURN SIGNAL LAMP (E1,E6,E24)
23 products
TURN SIGNAL LAMP (E2,4,15,16,17,18,21,22,25,34,39,55)
36 products
TAIL LAMP-LICENSE LAMP
54 products
WIRING HARNESS
54 products
FRAME
24 products
STAND
31 products
FOOTREST
34 products
FUEL TANK (MODEL F/G)
45 products
FUEL TANK (MODEL H)
33 products
FUEL COCK
7 products
SEAT (MODEL F)
33 products
SEAT (MODEL G)
40 products
SEAT (MODEL H)
45 products
SEAT TAIL COVER (MODEL F/G)
55 products
SEAT TAIL COVER (MODEL H)
30 products
FRAME COVER (MODEL F/G)
36 products
FRONT RH DAMPER (MODEL H)
22 products
FRONT RH DAMPER
33 products
FRONT LH DAMPER
29 products
STEERING STEM
15 products
FRONT FENDER
20 products
FRONT WHEEL (MODEL F/G)
17 products
FRONT WHEEL (MODEL H)
17 products
HANDLEBAR
45 products
HANDLE SWITCH (MODEL F)
18 products
HANDLE SWITCH (MODEL G/H)
17 products
HANDLE SWITCH (MODEL H E18)
16 products
FRONT CALIPERS
15 products
FRONT BRAKE HOSE
8 products
FRONT MASTER CYLINDER
8 products
CLUTCH MASTER CYLINDER
11 products
CLUTCH HOSE
7 products
REAR SWINGING ARM
28 products
REAR SHOCK ABSORBER
12 products
REAR CUSHION LEVER
15 products
REAR FENDER
27 products
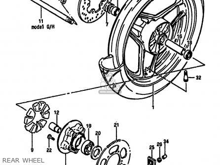
REAR WHEEL
40 products
REAR CALIPER
17 products
REAR MASTER CYLINDER
27 products
COWLING (MODEL F)
64 products
COWLING (MODEL G)
68 products
COWLING (MODEL H)
78 products
OPTIONAL
29 products
up
popular products
1222843415
BEARING,THRUST
Suzuki
0924606001
PLUG(1/4PT,H:7.5)
Suzuki
0930028001
BUSH(28X32X8)
Suzuki
5627143500
BALANCER,HANDLEBAR INNER
Suzuki