Buy Suzuki TS Parts Online

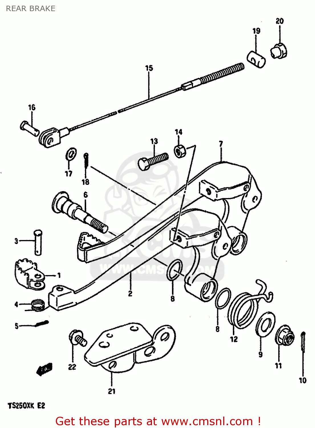
REAR BRAKE

TS250X 1984 (E) (E01 E04 E17 E18 E21 E24)

Rear brake diagram TS250X 1984 (E) (E01 E04 E17 E18 E21 E24)

REAR BRAKE TS250X 1984 (E) (E01 E04 E17 E18 E21 E24)
REAR BRAKE TS250X 1984 (E) (E01 E04 E17 E18 E21 E24)
REAR BRAKE TS250X 1984 (E) (E01 E04 E17 E18 E21 E24)
prices are in EUR
ref
part #
description
quantity
1
4311014130
ref: 1
PEDAL,BRAKE
4311014130
€ 6.50

2
4312013A00
ref: 2
ARM,BRAKE PEDAL
€ 41.50

3
0920006038
ref: 3
PIN
0920006038
€ 2.50

4
0944411004
ref: 4
SPRING
0944411004
€ 3.50

5
0411120158
ref: 5
PIN
0411120158
€ 1.50

6
4314213A00
ref: 6
SHAFT,BRAKE PEDAL
€ 9.00

7
4311013A00
ref: 7

E22,MODEL H/J E15,E1
PEDAL,BRAKE
€ 0.00

8
0928015002
ref: 8
O RING(D:1.9,ID:14.5)
0928015002
€ 4.00

9
0832221105
ref: 9
WASHER 10MM
€ 2.50

10
0411120208
ref: 10
PIN 20X20
0411120208
€ 1.50

11
0831931085
ref: 11
NUT
0831931085
€ 3.00

12
0944831032
ref: 12
SPRING
€ 6.50

13
0910006009
ref: 13
BOLT(6X23)
0910006009
€ 2.00

14
0831011067
ref: 14
NUT 6MM
€ 2.50

15-1
5851013A00
ref: 15-1

MODEL E
CABLE,REAR BRAKE
€ 20.50

15-2
5851013A01
ref: 15-2

MODEL G/H/J/K
CABLE ASSEMBLY,REAR BRAKE
€ 20.50

16
0920005001
ref: 16
PIN(L:17.5)
0920005001
€ 2.00

17
0832221067
ref: 17
WASHER
0832221067
€ 2.50

18
0411120208
ref: 18
PIN 20X20
0411120208
€ 1.50

19
0920911002
ref: 19
PIN(11X18)
0920911002
€ 2.50

20
0915006009
ref: 20
NUT (6MM)
0915006009
€ 3.50

21
4324013A00
ref: 21

MODEL E E4,E17,E18,E
PROTECTOR,BRAKE PEDAL
€ 0.00

22
0151706128
ref: 22

MODEL E E4,E17,E18,E
BOLT
€ 3.00