prices are in EUR
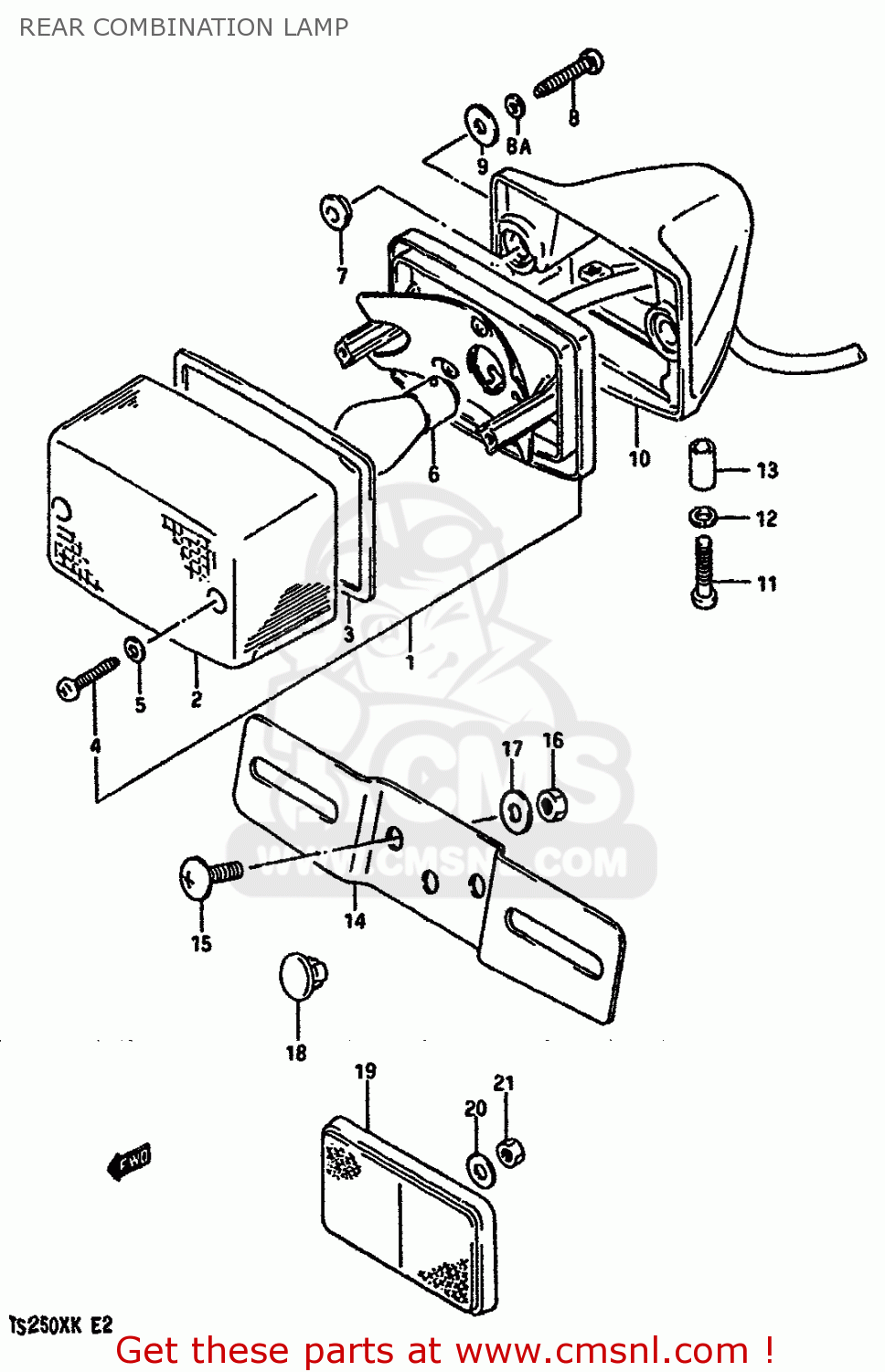
ref
part #
description
quantity
 
1-1
LAMP UNIT,REAR COMBINATION
 
1-2
LAMP UNIT,REAR COMBINATION
 
1-3
LAMP UNIT,REAR COMBINATION
 
1-4
LAMP UNIT,REAR COMBINATION
 
1-5
LAMP UNIT,REAR COMBINATION
 
 
 
1-6
LAMP UNIT,REAR COMBINATION
 
1-7
LAMP UNIT,REAR COMBINATION
 
1-8
LAMP UNIT,REAR COMBINATION
 
1-9
LAMP UNIT,REAR COMBINATION
 
2-1
LENS,LAMP RR
 
 
 
2-2
LENS
 
 
 
3
GASKET,RR COMBI LAMP LENS (NAS)
 
 
 
4
SCREW
 
 
 
5
GASKET (NAS)
 
 
 
6-1
BULB(12V23/8W,TOKAI DENSO)
 
 
 
6-2
BULB(12V21/5W)
 
 
 
7
SPACER,RR COMBI
 
 
 
8A
WASHER,LOCK
 
 
 
10
BRACKET UNIT,TAIL LAMP
 
 
 
12
WASHER,LOCK
 
 
 
13
SPACER(6.4X9.2X12)
 
 
 
14
PLATE,RR LICENSE
 
 
 
15
SCREW
 
 
 
17
WASHER
 
 
 
18
CUSHION
 
 
 
19-1
REFLEX REFLECTOR,RR
 
 
 
19-2
REFLEX REFLECTOR,RR
 
 
 
20
WASHER
 
 
 
21
NUT
