×
Buy Suzuki ZR Parts Online
home
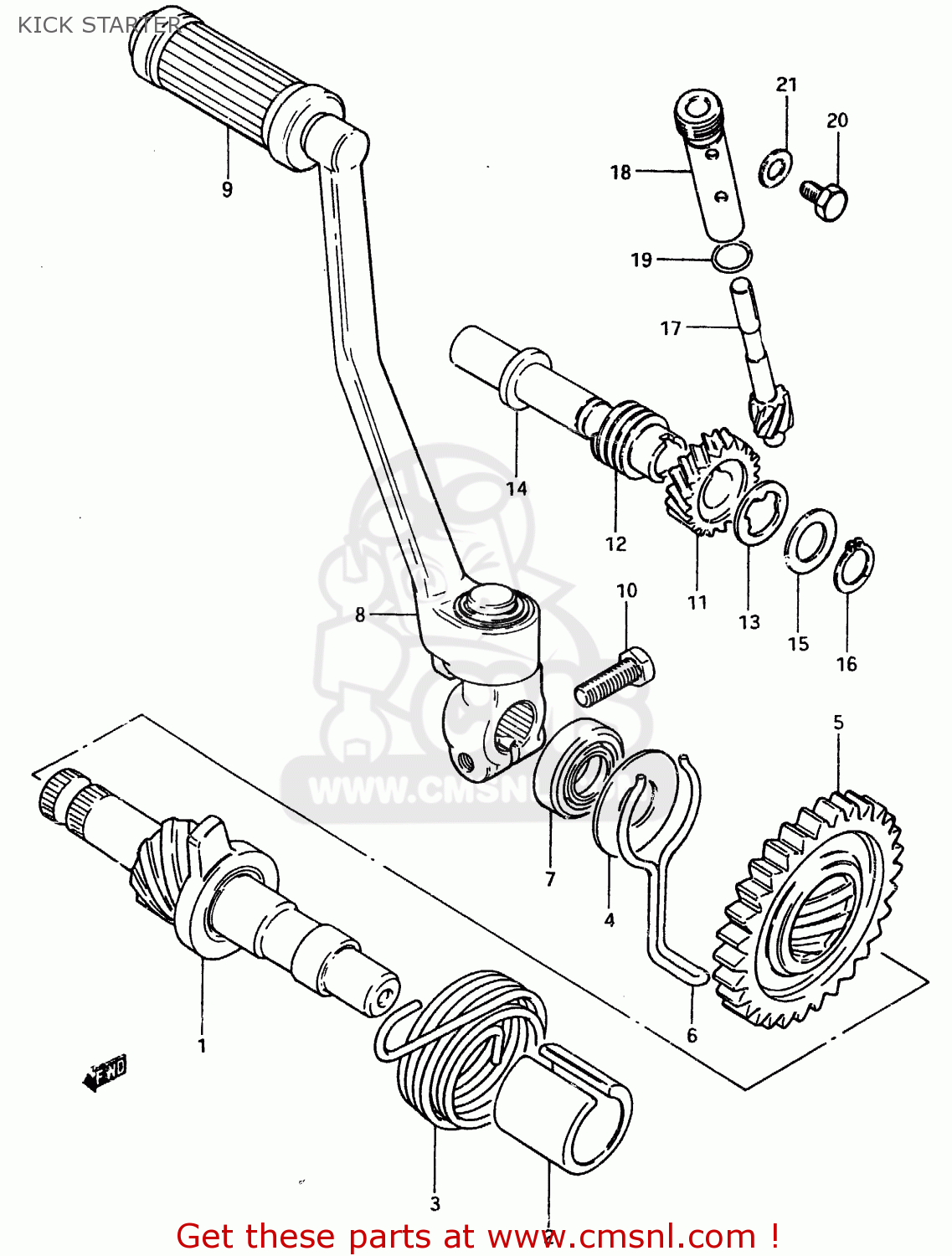
KICK STARTER
ZR50SK 1982 (X) (E02 E16 E17 E21 E41)
Kick starter diagram ZR50SK 1982 (X) (E02 E16 E17 E21 E41)
KICK STARTER ZR50SK 1982 (X) (E02 E16 E17 E21 E41)
×
prices are in EUR
ref
part #
description
quantity
1
2621046001
ref: 1
SHAFT,KICK STARTER
€ 52.50
2
2622146000
ref: 2
GUIDE,KICK STARTER SFT SPRING
€ 5.50
3
0944840001
ref: 3
SPRING
€ 5.50
4
0916014005
ref: 4
WASHER
€ 4.50
5
2624146000
ref: 5
GEAR,KICK STARTER DRIVE(NT:30)
€ 42.50
6
0938428001
ref: 6
RETAINER,SNAP
€ 2.50
7
0928514001
ref: 7
SEAL,OIL(14X24X6)
€ 9.50
8
2630026401
ref: 8
LEVER ASSY, KICK STARTER
€ 69.50
9
2635201000
ref: 9
RUBBER,KICK STARTER PEDAL
€ 4.00
10
0110706208
ref: 10
BOLT
€ 2.50
11
2642146100
ref: 11
GEAR, TACHOMETER DRIVE NO.2
€ 28.00
12
2642346100
ref: 12
GEAR,TACH DRIVE NO.2(NT:3)
€ 19.50
13
2642446100
ref: 13
RETAINER,TACH DRIVEN GEAR NO1
€ 5.50
14
2642222701
ref: 14
SHAFT,TACHOMETER DRIVEN GEAR
€ 14.00
15
0821110201
ref: 15
WASHER,THRUST
€ 2.00
16
0833131109
ref: 16
CIRCLIP
€ 2.00
17
2643146100
ref: 17
GEAR,TACHOMETER DRIVEN(NT:12)
€ 16.50
18
2644146100
ref: 18
SLEEVE
€ 19.00
19
0928010001
ref: 19
O RING(D:1.3,ID:9.6)
€ 2.50
20
0913506002
ref: 20
BOLT
€ 3.00
21
0916806004
ref: 21
GASKET(6.2X11X1).2 (NAS)
€ 2.00
up
all assemblies
* COLOR CHART *
* CATALOG PREFACE *
* CONVERSION CHART *
CYLINDER
TRANSMISSION
GEAR SHIFTING
KICK STARTER
MAGNETO
BATTERY
SPEEDOMETER - TACHOMETER
HEADLAMP
HEADLAMP (E16)
HEADLAMP (E17)
HEADLAMP (E41)
CRANKCASE
TURN SIGNAL LAMP
TURN SIGNAL LAMP (E16)
TURN SIGNAL LAMP (E21)
TURN SIGNAL LAMP (E41)
REAR COMBINATION LAMP
REAR COMBINATION LAMP (E16)
REAR COMBINATION LAMP (E21)
ELECTRICAL
FRAME
STAND
CRANKCASE COVER
STAND (E16)
REAR BRAKE
FUEL TANK
FUEL COCK
OIL TANK
SEAT
SEAT TAIL COVER
FRAME COVER
FRAME COVER (E21, E41)
FRONT FORK
CRANKSHAFT
FRONT FORK (E41)
HEADLAMP HOUSING - FRONT FENDER
FRONT WHEEL
HANDLEBAR
HANDLE SWITCH
CALIPERS
MASTER CYLINDER
FRONT BRAKE HOSE
REAR SWINGING ARM
REAR SWINGING ARM (E16, E17)
CARBURETOR
REAR FENDER
REAR WHEEL
COWLING (E2, E16)
COWLING (OPTIONAL)
OPTIONAL
AIR CLEANER
MUFFLER
OIL PUMP
CLUTCH
up