Buy Suzuki unknown Parts Online

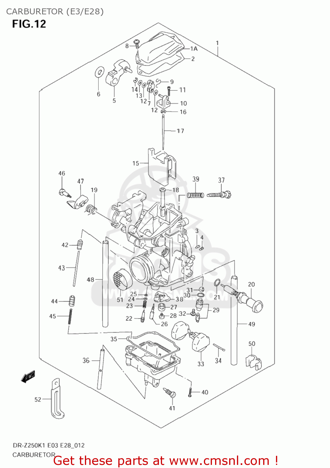
CARBURETOR (E3/E28)

DR-Z250 2005 (K5) USA (E03) DRZ250 DR Z250

Carburetor (e3/e28) diagram DR-Z250 2005 (K5) USA (E03) DRZ250 DR Z250

CARBURETOR (E3/E28) DR-Z250 2005 (K5) USA (E03) DRZ250 DR Z250
CARBURETOR (E3/E28) DR-Z250 2005 (K5) USA (E03) DRZ250 DR Z250
CARBURETOR (E3/E28) DR-Z250 2005 (K5) USA (E03) DRZ250 DR Z250
prices are in EUR
ref
part #
description
quantity
1
1320013E30
ref: 1
CARBURETOR ASSY
€ 479.00

1A
1326113E00
ref: 1A
COVER,TOP
€ 0.00

2
1326627A00
ref: 2
GASKET,CARBURETOR TOP (NAS)
1326627A00
€ 6.50

3
0949324007
ref: 3
JET,AIR(1.2)
0949324007
€ 14.50

4
0949332003
ref: 4
JET,AIR(1.6)
0949332003
€ 10.00

5
1354113E00
ref: 5
LEVER SET,THROTTLE
1354113E00
€ 37.50

6
1357538200
ref: 6
WASHER
1357538200
€ 5.00

7
1344714A00
ref: 7
PLATE
1344714A00
€ 18.00

8
0211234103
ref: 8

02112-3410A
SCREW
0211234103
€ 2.00

9
1344613E00
ref: 9
CLIP ASSY
€ 0.00

10
1339827A02
ref: 10
CONNECTOR
1339827A02
€ 19.50

11
0211203123
ref: 11

02112-0312B
SCREW
0211203123
€ 2.50

12
1344514A00
ref: 12
GASKET (NAS)
1344514A00
€ 3.50

13
0916004024
ref: 13
WASHER(4.5X8X0.5)
0916004024
€ 2.00

14
1341538300
ref: 14
E RING
1341538300
€ 2.00

15
1355113E30
ref: 15
VALVE,PISTON
€ 124.00

16
1339440D20
ref: 16
E RING
1339440D20
€ 5.00

17
1338313E30
ref: 17
NEEDLE,JET(6FN3-3)
€ 13.00

18
1334113E30
ref: 18
JET,NEEDLE(P-6M)
€ 31.50

19
1349414D00
ref: 19
SPRING
€ 7.00

20
1341142A20
ref: 20
PLUNGER ASSY
1341142A20
€ 29.00

21
1327847090
ref: 21
O RING
1327847090
€ 2.50

22
1327913E30
ref: 22
SCREW,PILOT
€ 14.50

23
1326847070
ref: 23
SPRING
1326847070
€ 5.50

24
1329129900
ref: 24
WASHER
1329129900
€ 2.00

25
1329529900
ref: 25
O RING,PILOT AIR SCREW
1329529900
€ 4.00

26
0949237002
ref: 26
JET,PILOT(37.5)
0949237002
€ 10.00

27
1333113A00
ref: 27
RING,MAIN JET FIXING
1333113A00
€ 6.00

28
0949125011
ref: 28
JET,MAIN(127.5)
0949125011
€ 11.00

29
1337005530
ref: 29
VALVE ASSY,NEEDLE
1337005530
€ 68.50

30
1337435C00
ref: 30
O RING,NEEDLE VALVE SEAT
1337435C00
€ 6.00

31
1337619F00
ref: 31
FILTER
1337619F00
€ 7.00

32
1360243410
ref: 32
SCREW
1360243410
€ 2.50

33
1325028A00
ref: 33
FLOAT
1325028A00
€ 36.00

34
1325492311
ref: 34
PIN,FLOAT
1325492311
€ 2.00

35
1325127A00
ref: 35
O RING,FLOAT CHAMBER
1325127A00
€ 9.50

36
0935230503600
ref: 36
HOSE(3X5X600)
0935230503600
€ 9.50

37
1326713D01
ref: 37
ADJUSTER
1326713D01
€ 15.50

38
1333113E00
ref: 38
RING
€ 5.50

39
1326813E00
ref: 39
SPRING
€ 7.00

40
1360248B10
ref: 40
SCREW
1360248B10
€ 3.50

41
1324702340
ref: 41
PLUG,DRAIN
1324702340
€ 6.00

42
1349944500
ref: 42
BOOT, ACCELE PUMP ROD
1349944500
€ 12.00

43
1348714A00
ref: 43
ROD,PLUNGER
1348714A00
€ 7.00

44
1349327A00
ref: 44
PLUNGER
1349327A00
€ 10.00

45
1327109400
ref: 45
SPRING
1327109400
€ 5.50

46
1361314A00
ref: 46
BOLT
1361314A00
€ 8.50

47
1349014A00
ref: 47
LEVER
1349014A00
€ 10.50

48
0935250903600
ref: 48
HOSE(5X9X600)
0935250903600
€ 33.50

49
0935250903600
ref: 49
HOSE(5X9X600)
0935250903600
€ 33.50

50
0940800033
ref: 50
CLAMP
€ 2.50

51
1313019B00
ref: 51
NET,INTAKE
€ 0.00

52-1
0940406432
ref: 52-1
CLAMP(L:65)
0940406432
€ 3.00

52-2
0940406429
ref: 52-2
CLAMP(L:45)
€ 3.00