prices are in EUR
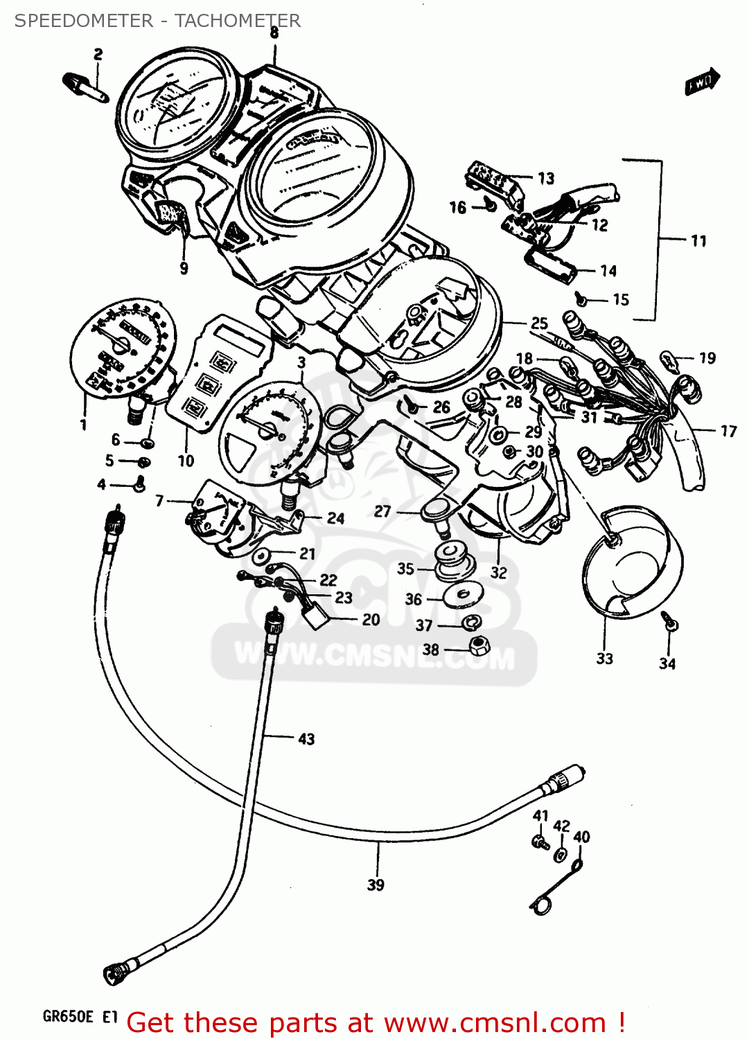
ref
part #
description
quantity
 
1-3
SPEEDOMETER (KILO)
 
 
 
2
KNOB,TRIP
 
 
 
5
LOCK WASHER
 
 
 
6
WASHER
 
 
 
7
METER,FUEL
 
 
 
8
HOOD,METER
 
 
 
9
SEAL,IGNITION SWITCH
 
 
 
10
PLATE,PILOT BOX
 
 
 
11
INDICATOR ASSEMBLY,GEAR POSITION
 
12
BULB(14V1.12W)
 
 
 
14
COVER,LWR
 
 
 
18
BULB(12V3.4W,T10)
 
 
 
19
BULB(12V1.7W,T10,WB121)
 
 
 
21
WASHER,FUEL METER
 
 
 
23
NUT 3MM
 
 
 
25-1
CASE,METER INNER
 
 
 
27
BRACKET,COMBINATION METER
 
29
WASHER (5.5X16X1.2)
 
 
 
30
NUT
 
 
 
31
COVER,LWR
 
 
 
32
COVER,METER,UNDER
 
 
 
33
COVER,METER UNDER
 
 
 
35
CUSHION,METER BRACKET
 
 
 
36
WASHER (8.5X20X1.6)
 
 
 
39
CABLE ASSY,SPEEDOMETER
 
 
 
40
CLAMP,SPEEDOMETER CABLE
 
 
 
42
WASHER
 
 
 
43
CABLE ASSEMBLY,TACHOMETER