×
Buy Suzuki GSX Parts Online
home
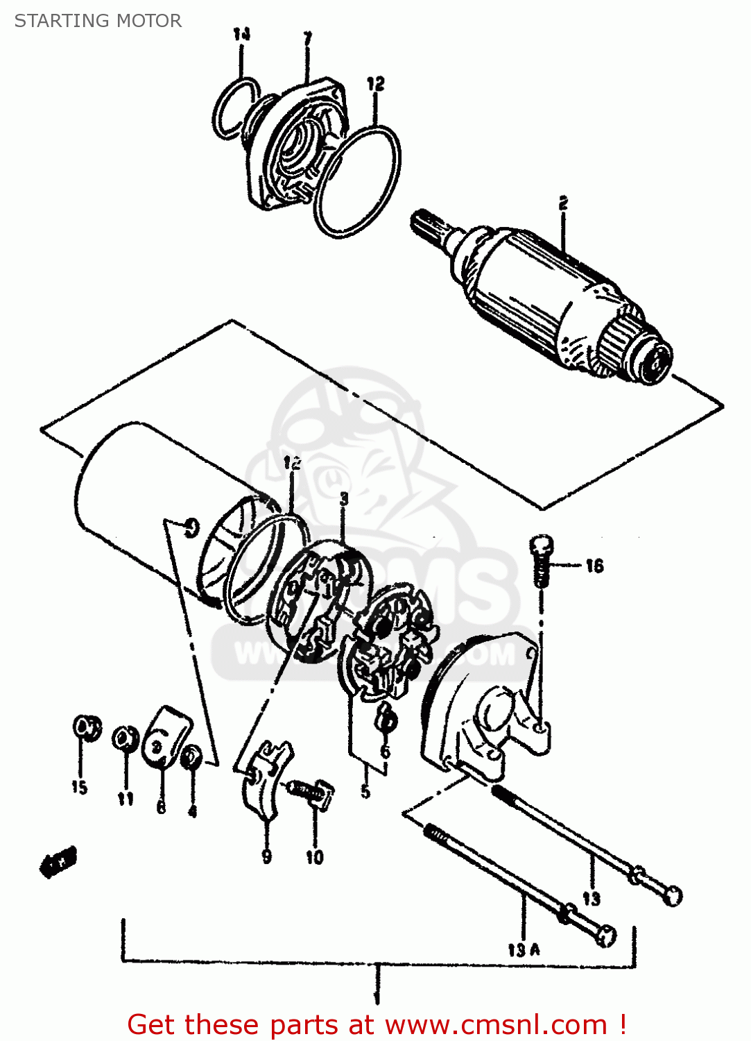
STARTING MOTOR
GSX1100F 1993 (P) ZWITZERLAND (E18)
Starting motor diagram GSX1100F 1993 (P) ZWITZERLAND (E18)
STARTING MOTOR GSX1100F 1993 (P) ZWITZERLAND (E18)
×
prices are in EUR
ref
part #
description
quantity
1-1
3110048B00
ref: 1-1
BOLT,THROUGH:M5 3110
MOTOR ASSEMBLY,STARTING
€ 705.50
1-2
3110048B01H17
ref: 1-2
BOLT,THROUGH:M6
MOTOR ASSEMBLY,STARTING
€ 705.50
2
3131048B01H17
ref: 2
ARMATURE
€ 188.50
3
3113148B00
ref: 3
TERMINAL SET,BRUSH
€ 35.00
4
3114348B00
ref: 4
GASKET (NAS)
€ 6.50
5
3113248B00
ref: 5
HOLDER SET,BRUSH(-)
€ 51.00
6
3113565010
ref: 6
SPRING
€ 3.50
7-1
3115048B00
ref: 7-1
M5
BRACKET SET
€ 59.00
7-2
3115048B10
ref: 7-2
M6
BRACKET SET,STARTING MOTOR
€ 59.00
8
3117248B10
ref: 8
BUSHING
€ 3.00
9
3117248B20
ref: 9
BUSHING
€ 8.50
10
3113048B00
ref: 10
BOLT
€ 4.50
11
3114548B00
ref: 11
NUT
€ 1.50
12
3126444110
ref: 12
O RING
€ 8.50
13
3128148B01
ref: 13
M5
BOLT,STARTING
€ 6.50
13A
3128148B10
ref: 13A
M6
BOLT,STARTING MOTOR
€ 5.50
14
3115648B00
ref: 14
O RING
€ 9.00
15
0836135066
ref: 15
NUT
€ 2.00
16
0912806024
ref: 16
SCREW (6X25)
€ 3.00
up
all assemblies
* COLOR CHART *
* CATALOG PREFACE *
* CONVERSION CHART *
CYLINDER HEAD COVER
CYLINDER HEAD
CYLINDER
CRANKCASE
CRANKCASE COVER
OIL PAN
OIL PUMP
CRANKSHAFT
STARTER CLUTCH
CAM SHAFT-VALVE
CAM CHAIN
CARBURETOR
AIR CLEANER
MUFFLER (MODEL K/L/M/N/P/R)
SECOND AIR (MODEL K/L/M/N/P/R E18,MODEL M/N E39)
CLUTCH
TRANSMISSION
GEAR SHIFTING
STARTING MOTOR
ALTERNATOR
SIGNAL GENERATOR
BATTERY
ELECTRICAL
SPEEDOMETER
HEADLAMP (MODEL R)
TURN SIGNAL LAMP
REAR COMBINATION LAMP
WIRING HARNESS (MODEL R)
FRAME
STAND
FOOTREST
FUEL TANK (GSX1100FJ)
FUEL TANK (MODEL N/P/R)
FUEL COCK
SEAT
SEAT TAIL COVER (MODEL N/P/R)
PILLION RIDER HANDLE
FRAME COVER (MODEL N/P/R)
FRONT DAMPER (MODEL K/L/M/N/P)
STEERING STEM
FRONT FENDER
FRONT WHEEL
HANDLE BAR (MODEL L/M/N/P/R)
HANDLE SWITCH (MODEL K/L/M/N/P/R)
FRONT CALIPERS (MODEL P/R)
FRONT BRAKE HOSE
FRONT MASTER CYLINDER (MODEL K/L/M/N/P/R)
CLUTCH MASTER CYLINDER
CLUTCH HOSE
REAR SWINGING ARM
REAR SHOCK ABSORBER (MODEL K/L/M/N/P/R)
REAR CUSHION LEVER
REAR FENDER
REAR WHEEL
REAR CALIPERS (MODEL P/R)
REAR MASTER CYLINDER
COWLING (MODEL J 24V,24D)
COWLING (MODEL J 9RD)
COWLING (MODEL J 9WV)
COWLING (MODEL K 33J,24D)
COWLING (MODEL R)
POWER SCREEN
OPTIONAL
up