prices are in EUR
ref
part #
description
quantity
 
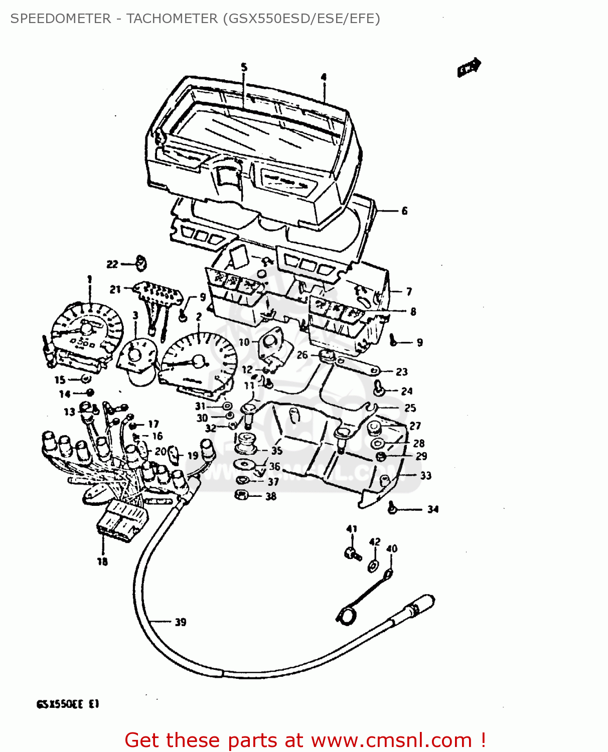
1-1
METER,SPEEDOMETER (KM/MPH)
 
1-2
NO PRODUCT DESCRIPTION AVAILABLE
 
2
TACHOMETER
 
 
 
3
METER,FUEL
 
 
 
4-1
HOOD,METER
 
 
 
4-2
NO PRODUCT DESCRIPTION AVAILABLE
 
5
GLASS,SPEEDOMETER
 
 
 
6-1
PLATE,METER WINDOW
 
 
 
6-2
NO PRODUCT DESCRIPTION AVAILABLE
 
7
CASE,METER,INNER
 
 
 
12
LOCK WASHER
 
 
 
13
SCREW
 
 
 
15
WASHER
 
 
 
16
SCREW
 
 
 
17
WASHER
 
 
 
18-2
NO PRODUCT DESCRIPTION AVAILABLE
 
19
BULB(12V3.4W,T10,BF175-01450A)
 
 
 
20
BULB(12V1.7W,T10,WB121)
 
 
 
21
SOCKET,GEAR INDICATOR
 
 
 
22
BULB(14V1.12W)
 
 
 
25
BRACKET,METER
 
 
 
27
CUSHION,METER
 
 
 
28
WASHER,METER
 
 
 
30
LOCK WASHER
 
 
 
32
NUT
 
 
 
33
COVER,METER,UNDER
 
 
 
34
SCREW
 
 
 
35
CUSHION,METER BRACKET
 
 
 
36
WASHER (8.5X20X1.6)
 
 
 
39
CABLE ASSEMBLY,SPEEDOMETER
 
 
 
40
CLAMP,SPEEDOMETER CABLE
 
 
 
42
WASHER
