prices are in EUR
ref
part #
description
quantity
 
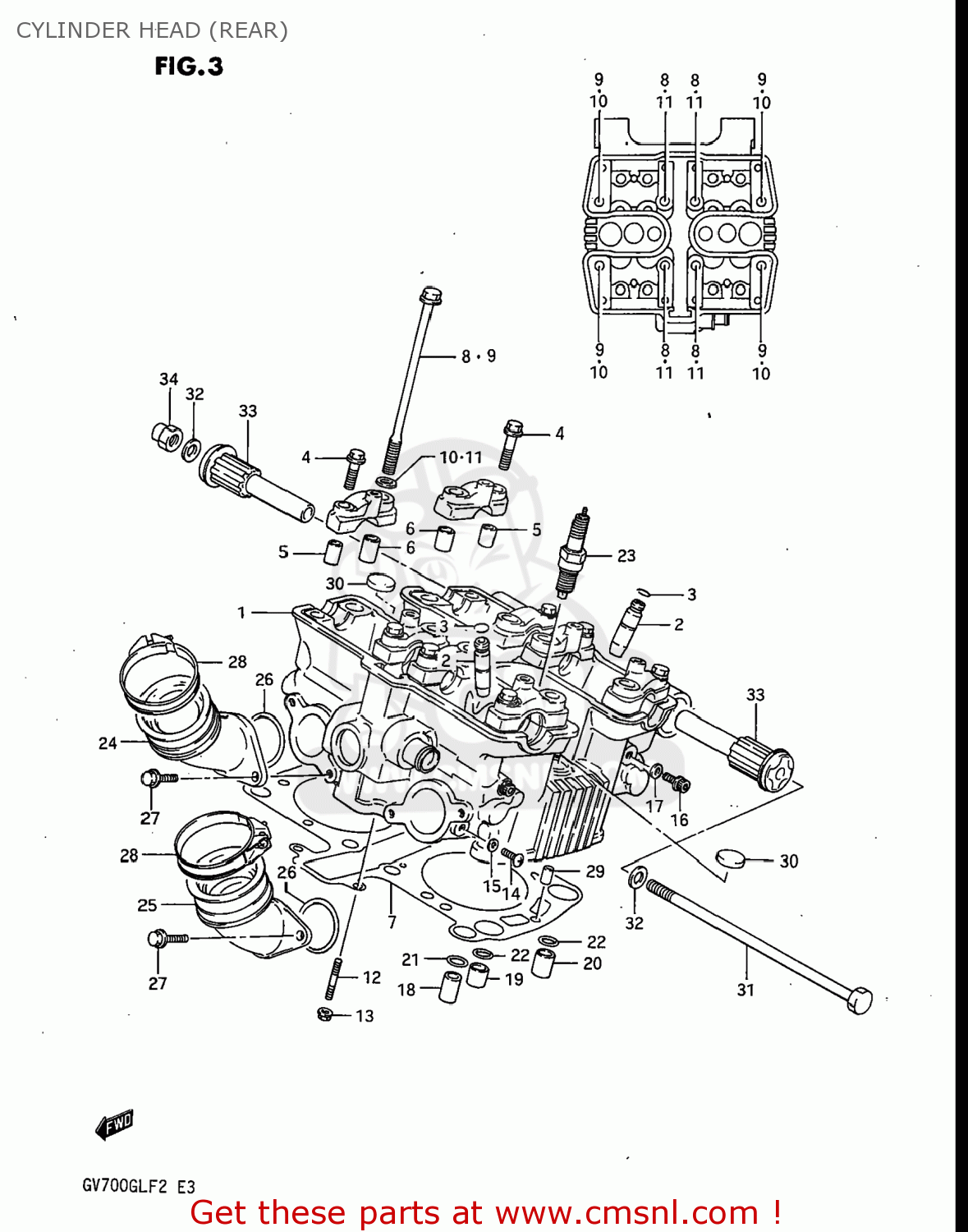
1-1
HEAD ASSEMBLY,CYLINDER,REAR
 
1-2
HEAD ASSEMBLY,CYLINDER,REAR
 
3
RING,SNAP
 
 
 
6
PIN(10.4X13X22)
 
 
 
7-1
GASKET,CYLINDER HEAD,REAR (MCA)
 
7-2
GASKET,CYLINDER HEAD,REAR (MCA)
 
 
 
11
WASHER (10X20X2.3)
 
 
 
12
STUD 6X25
 
 
 
13
NUT 6MM
 
 
 
15
GASKET(5.3X9.3X1.2) (NAS)
 
 
 
17
GASKET(6.2X13X1.2) (NAS)
 
 
 
18
PIN(6.4X9X20)
 
 
 
20
PIN
 
 
 
21
O RING(D:1.9,ID:8.6)
 
 
 
22
O RING(D:1.9,ID:12.6)
 
 
 
23-1
SPARK PLUG D8EA
 
 
 
24
NET,INTAKE
 
 
 
26
O RING(D:2.4,ID:35)
 
 
 
29
PIN
 
 
 
30
PLUG
 
 
 
34
NUT
