prices are in EUR
ref
part #
description
quantity
 
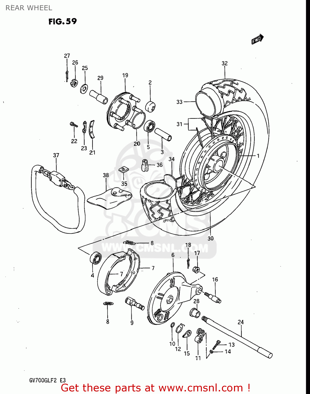
2
BUSH
 
 
 
3
SPACER,REAR HUB BEARING
 
4
BEARING
 
 
 
5
BEARING
 
 
 
7
SHOE SET,BRAKE (MCA)
 
 
 
8
SPRING,BRAKE SHOE
 
 
 
10
O-RING,BOSS
 
 
 
12
SPRING
 
 
 
14
LOCK WASHER
 
 
 
15
PLATE,BRAKE LINING INDICATOR
 
16
PIN,REAR PANEL TORQUE ST
 
19
JOINT ASSEMBLY,REAR HUB DRUM
 
20
O RING(D:2.1,ID:65)
 
 
 
21
WASHER,THRUST(T:1.6)
 
 
 
22
BOLT(6X16)
 
 
 
23
WASHER
 
 
 
25
WASHER(16.5X36X3.2)
 
 
 
26
NUT
 
 
 
27
PIN,COTTER
 
 
 
29
SPACER,REAR AXLE,LEFT
 
 
 
30
RIM,REAR WHEEL (3.00X16)(
 
31-1
SPOKE SET,REAR WHEEL
 
31-2
SPOKE SET,REAR WHEEL
 
36-1
BALANCER,WHEEL
 
 
 
36-2
BALANCER,WHEEL (30G)