prices are in EUR
ref
part #
description
quantity
 
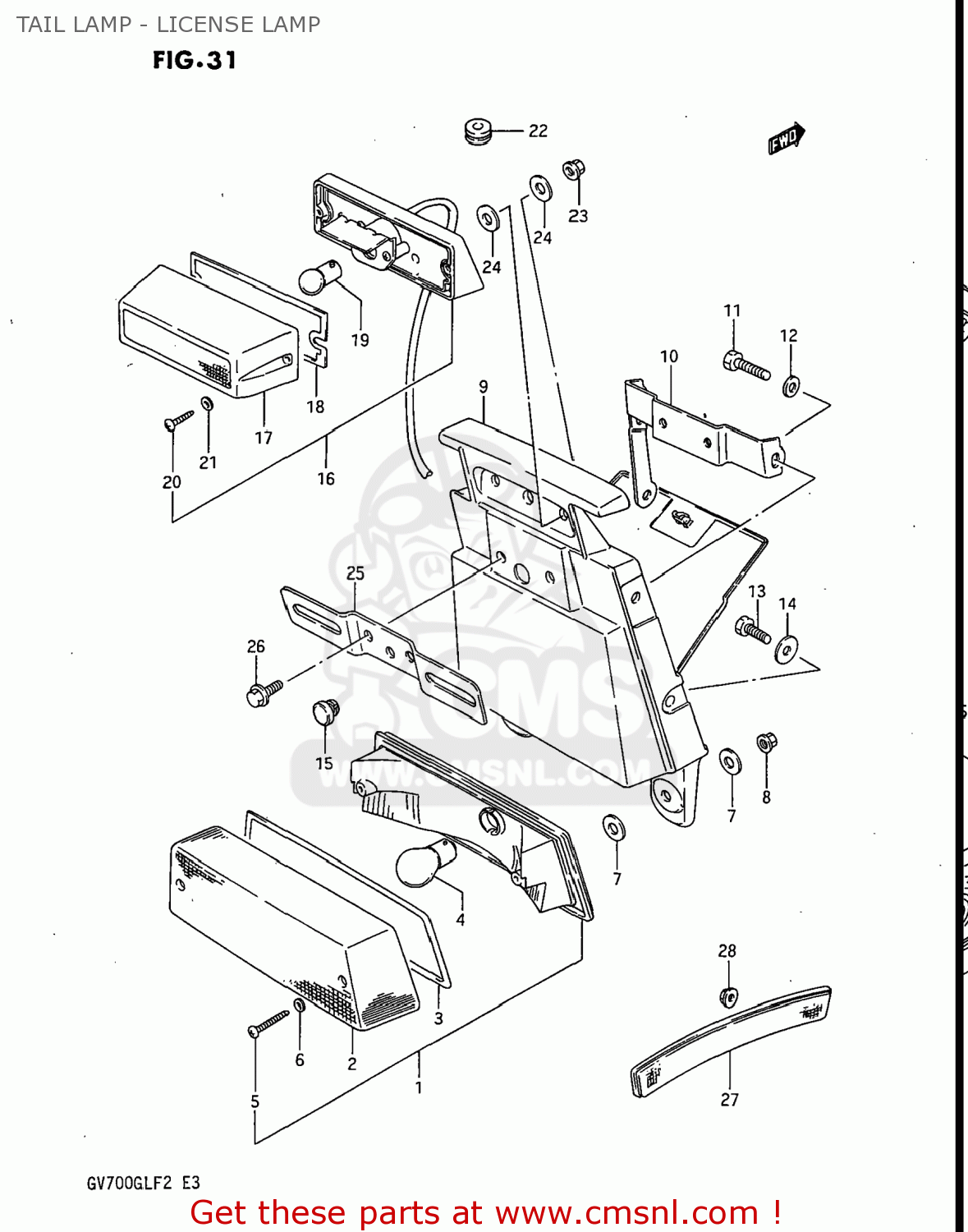
1
LAMP ASSEMBLY,REAR COMBINATION
 
2
LENS,REAR COMBINATION LAMP
 
3
GASKET,REAR COMBINATION LAMP LENS
 
4
BULB(12V23/8W,TOKAI DENSO)
 
 
 
5
SCREW
 
 
 
6
GASKET (NAS)
 
 
 
7
WASHER
 
 
 
10
REINFORCEMENT,REAR COVER
 
12
WASHER, LOWER
 
 
 
13
BOLT,M6X1X20
 
 
 
14
WASHER
 
 
 
17
LENS COMP,LICENSE
 
 
 
20
SCREW
 
 
 
21
GASKET (NAS)
 
 
 
22
GROMMET,REAR COMBINATION LAMP
 
24
WASHER
 
 
 
25
PLATE,RR LICENSE
