prices are in EUR
ref
part #
description
quantity
 
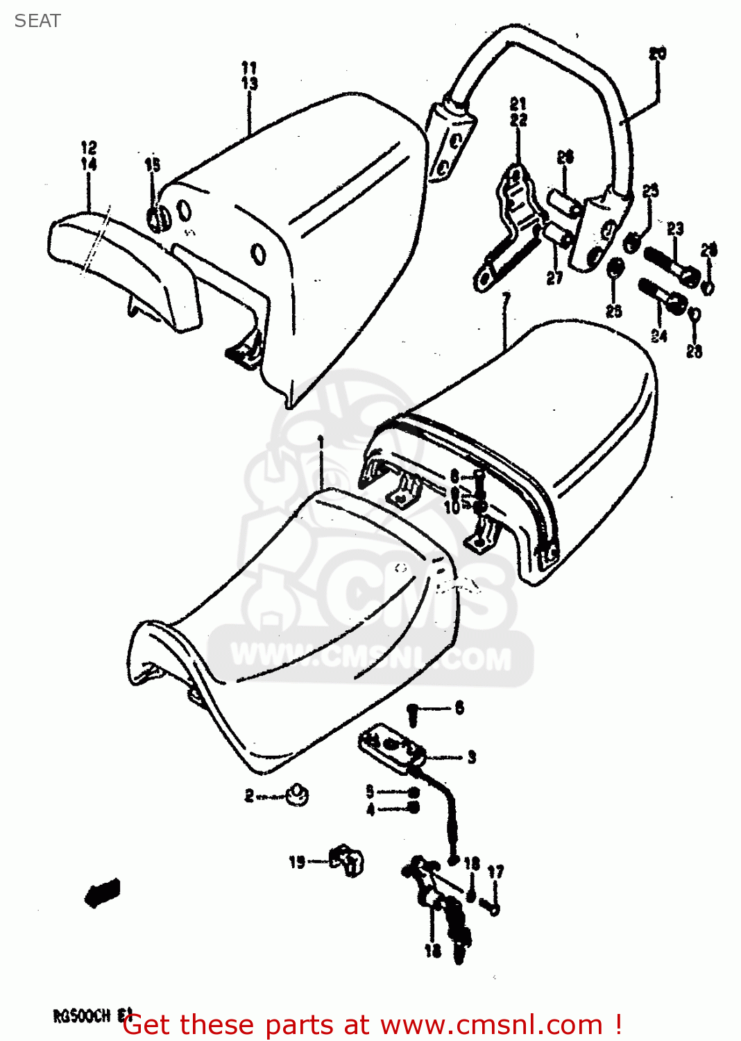
2
CUSHION
 
 
 
3
BRACKET,SEAT SUPPORT REAR
 
4
NUT
 
 
 
5
WASHER,LOCK
 
 
 
7-2
SEAT ASSY,PILLION (BLUE)
 
7-4
SEAT ASSY,PILLION (BLACK)
 
7-5
SEAT ASSY,PILLION (RED)
 
7-6
SEAT ASSY,PILLION (RED)
 
7-7
SEAT ASSY,PILLION (BLUE)
 
7-8
SEAT ASSY,PILLION (BLUE)
 
9
WASHER,LOCK
 
 
 
10
WASHER(6.5X16X1.2)
 
 
 
11-1
BOX SET,SEAT TAIL (WHITE)
 
12-1
BACKREST,REAR (BLUE)
 
 
 
12-2
BACKREST,SEAT
 
 
 
13-1
BOX SET,SEAT TAIL (RED)
 
13-2
BOX SET,SEAT TAIL (BLUE)
 
14-2
BACKREST,SEAT (BLUE)
 
15
CUSHION
 
 
 
18
WASHER,LOCK
 
 
 
21
PLATE,PILLION HANDLE RH
 
22
PLATE,PILLION HANDLE LH
 
 
 
24
BOLT 8X45
 
 
 
25
WASHER
 
 
 
27
SPACER (8.6X13.8X28)
 
 
 
28
CAP(OD:10)
