×
Buy Suzuki GS Parts Online
home
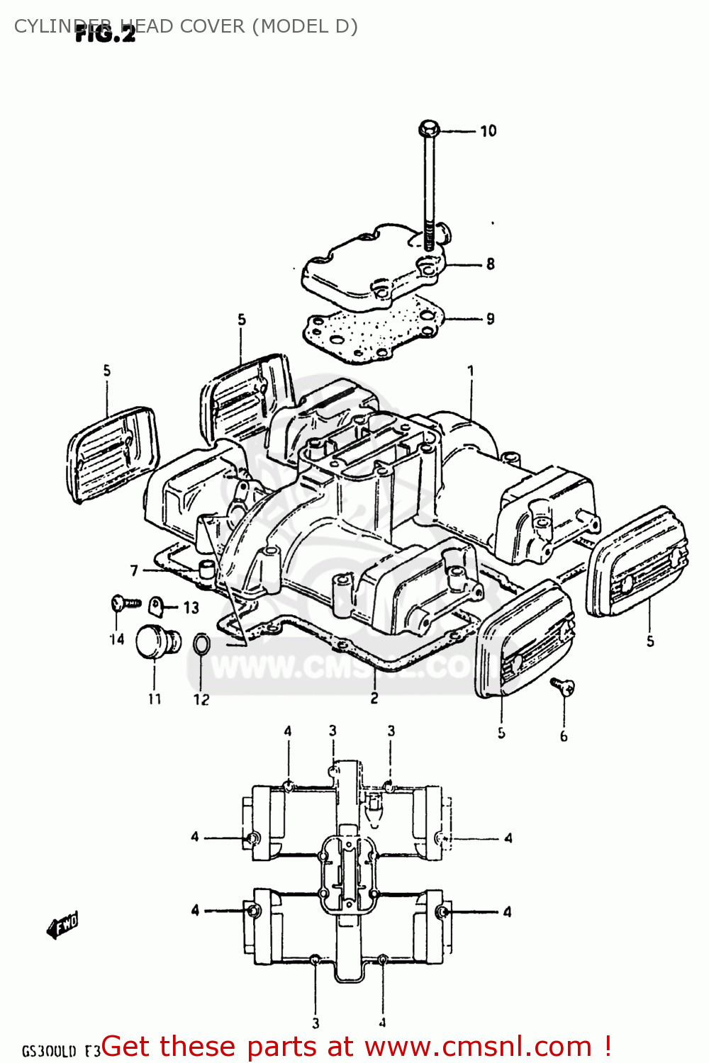
CYLINDER HEAD COVER (MODEL D)
GS300L 1983 (D) USA (E03)
Cylinder head cover (model d) diagram GS300L 1983 (D) USA (E03)
CYLINDER HEAD COVER (MODEL D) GS300L 1983 (D) USA (E03)
×
prices are in EUR
ref
part #
description
quantity
1
1117111450
ref: 1
COVER,CYLINDER HEAD
€ 160.50
2
1117311430
ref: 2
11173-11420-H17
GASKET,CYLINDER HEAD COVER (MCA)
€ 22.50
3
0151706405
ref: 3
01550-0640A
BOLT (6X40)
€ 2.50
4
0151706355
ref: 4
01550-0635A
BOLT
€ 3.00
5
1117449210
ref: 5
CAP,CYLINDER HEAD COVER
€ 28.50
6
0912705013
ref: 6
SCREW(5X12)
€ 2.50
7
0920608001
ref: 7
PIN(6.2X8X11)
€ 2.00
8
1117611420
ref: 8
COVER,BREATHER
€ 18.00
9
1117711400
ref: 9
11177-114V0
GASKET,BREATHER COVER (MCA)
€ 5.50
10
0151706755
ref: 10
01550-0675A
BOLT (6X75)
€ 2.50
11
2644245000
ref: 11
PLUG,TACH GEAR SLEEVE HOLE
€ 17.00
12
2645145000A
ref: 12
SEAL,TACHOMETER DRIVEN
€ 4.50
13
2644933000
ref: 13
PLATE,TACH DRIVE GEAR SLEEVE
€ 3.50
14
0912805101
ref: 14
SCREW(5X12)
€ 1.50
up
all assemblies
AIR CLEANER
BATTERY
CAM CHAIN (MODEL D)
CAM CHAIN (MODEL Z)
CAM SHAFT - VALVE
CARBURETOR (MODEL D)
CARBURETOR (MODEL Z)
CHAIN CASE - SHOCK ABSORBER
CLUTCH
CRANKCASE (MODEL D)
CRANKCASE (MODEL Z)
CRANKCASE COVER
CRANKSHAFT
CRANKSHAFT BALANCER
CYLINDER
CYLINDER HEAD
CYLINDER HEAD COVER (MODEL D)
CYLINDER HEAD COVER (MODEL Z)
ELECTRICAL
FOOTREST
FRAME
FRAME COVER (MODEL D)
FRAME COVER (MODEL Z)
FRONT FORK
FRONT WHEEL
FUEL COCK
FUEL TANK (MODEL D)
FUEL TANK (MODEL Z)
GEAR SHIFTING
GENERATOR
HANDLEBAR
HEADLAMP
HEADLAMP HOUSING - FRONT FENDER
LEFT HANDLE SWITCH (MODEL D)
LEFT HANDLE SWITCH (MODEL Z)
MUFFLER (MODEL D)
MUFFLER (MODEL Z)
OIL FILTER - OIL PUMP
REAR COMBINATION LAMP
REAR FENDER
REAR SWINGING ARM
REAR WHEEL
RIGHT HANDLE SWITCH (MODEL D)
RIGHT HANDLE SWITCH (MODEL Z)
SEAT
SIGNAL GENERATOR
SPEEDOMETER
STAND - REAR BRAKE
STARTER CLUTCH
STARTING MOTOR
STEERING STEM
TRANSMISSION
TURN SIGNAL LAMP
WIRING HARNESS
up